设备识别
错误渲染宏 'excerpt-include':用户
'712020:515aa595-e304-41f3-886a-d9b6b0b7f5a3'无权查看页面'DEV:Wave Devices Images'。
术语解释
- 设备 – 在本文档中,“设备”一词指代本指南所涉及的 Shelly Qubino 设备。
- 网关(GW) – Z-Wave™ 网关,也称为 Z-Wave™ 控制器、Z-Wave™ 主控制器、Z-Wave™ 主控设备、Z-Wave™ 中心等,是用于构建 Z-Wave™ 智能家居网络的中央枢纽设备。本文档中使用“网关”一词。
- S 按钮 – Z-Wave™ 服务按钮,位于 Z-Wave™ 设备上,用于执行多种功能,如添加(包含)、移除(排除)以及将设备重置为出厂默认设置。本文档中使用“S 按钮”一词。
- 添加/包含 – 将一个 Z-Wave 设备添加到 Z-Wave 网络 - 网关的过程。在此过程中使用“已包含”、“已添加”等词汇。
- 移除/排除 – 将一个 Z-Wave 设备从 Z-Wave 网络 - 网关中移除的过程。在此过程中使用“已排除”、“已移除”等词汇。
简要说明
错误渲染宏 'excerpt-include':用户
'712020:515aa595-e304-41f3-886a-d9b6b0b7f5a3'无权查看页面'DEV:About the Device'。
连接至输入端子 SW(SW1)的开关/按钮
若将 SW(SW1)配置为开关(默认设置),每次切换开关将使输出端口 O(O1)状态反转——开、关、开,依此类推。若在设备设置中将 SW(SW1)配置为按钮,则每次按下按钮将使输出端口 O(O1)状态反转——开、关、开,依此类推。
连接至输入端子 SW(SW1)的开关
若将 SW(SW1)配置为开关(默认设置),每次切换开关将使输出端口 O1 状态反转——开、关、开,依此类推。
- 切换开关位置一次:将输出端口 O1 的状态切换为相反状态,并向关联组 2 和 3 中的关联设备发送命令(请参见第 Z-Wave 关联章节)。
连接至输入端子 SW(SW1)的带记忆开关
若将 SW(SW1)配置为带记忆开关,则:
- 闭合记忆触点:将输出端口 O1 的状态切换为开启状态,并向关联组 2 和 3 中的关联设备发送命令(请参见第 Z-Wave 关联章节)。
- 断开记忆触点:将输出端口 O1 的状态切换为关闭状态,并向关联组 2 和 3 中的关联设备发送命令(请参见第 Z-Wave 关联章节)。
连接至输入端子 SW(SW1)的按钮
若在设备设置中将 SW(SW1)配置为按钮,则每次按下按钮将使输出端口 O1 的状态切换为相反状态——开、关、开,依此类推。
- 短按:将输出端口 O1 的状态切换为相反状态,并向关联组 2 和 3 中的关联设备发送命令(请参见第 Z-Wave 关联章节)。
- 长按:向关联组 3 中的关联设备发送命令(请参见第 Z-Wave 关联章节)。
- 松开:向关联组 3 中的关联设备发送命令(请参见第 Z-Wave 关联章节)。
连接至输入端子 SW2 的开关/按钮
若将 SW2 配置为开关(默认设置),每次切换开关将使输出端口 O2 状态反转——开、关、开,依此类推。若在设备设置中将 SW2 配置为按钮,则每次按下按钮将使输出端口 O2 状态反转——开、关、开,依此类推。
连接至输入端子 SW2 的开关
若将 SW2 配置为开关(默认设置),每次切换开关将使输出端口 O2 状态反转——开、关、开,依此类推。
- 切换开关位置一次:将输出端口 O2 的状态切换为相反状态,并向关联组 4 和 5 中的关联设备发送命令(请参见第 Z-Wave 关联章节)。
连接至输入端子 SW2 的带记忆开关
若将 SW2 配置为带记忆开关,则:
- 闭合记忆触点:将输出端口 O2 的状态切换为开启状态,并向关联组 4 和 5 中的关联设备发送命令(请参见第 Z-Wave 关联章节)。
- 断开记忆触点:将输出端口 O2 的状态切换为关闭状态,并向关联组 4 和 5 中的关联设备发送命令(请参见第 Z-Wave 关联章节)。
连接至输入端子 SW2 的按钮
若在设备设置中将 SW2 配置为按钮,则每次按下按钮将使输出端口 O2 的状态切换为相反状态——开、关、开,依此类推。
- 短按:将输出端口 O2 的状态切换为相反状态,并向关联组 4 和 5 中的关联设备发送命令(请参见第 Z-Wave 关联章节)。
- 长按:向关联组 4 中的关联设备发送命令(请参见第 Z-Wave 关联章节)。
- 松开:向关联组 5 中的关联设备发送命令(请参见第 Z-Wave 关联章节)。
连接至输入端子 SW3 的开关/按钮
若将 SW3 配置为开关(默认设置),每次切换开关将使输出端口 O3 状态反转——开、关、开,依此类推。若在设备设置中将 SW3 配置为按钮,则每次按下按钮将使输出端口 O3 状态反转——开、关、开,依此类推。
连接至输入端子 SW3 的开关
若将 SW3 配置为开关(默认设置),每次切换开关将使输出端口 O3 状态反转——开、关、开,依此类推。
- 切换开关位置一次:将输出端口 O3 的状态切换为相反状态,并向关联组 6 和 7 中的关联设备发送命令(请参见第 Z-Wave 关联章节)。
连接至输入端子 SW3 的带记忆开关
若将 SW3 配置为带记忆开关,则:
- 闭合记忆触点:将输出端口 O3 的状态切换为开启状态,并向关联组 6 和 7 中的关联设备发送命令(请参见第 Z-Wave 关联章节)。
- 断开记忆触点:将输出端口 O3 的状态切换为关闭状态,并向关联组 6 和 7 中的关联设备发送命令(请参见第 Z-Wave 关联章节)。
连接至输入端子 SW3 的按钮
若在设备设置中将 SW3 配置为按钮,则每次按下按钮将使输出端口 O3 的状态切换为相反状态——开、关、开,依此类推。
- 短按:将输出端口 O3 的状态切换为相反状态,并向关联组 6 和 7 中的关联设备发送命令(请参见第 Z-Wave 关联章节)。
- 长按:向关联组 6 中的关联设备发送命令(请参见第 Z-Wave 关联章节)。
- 松开:向关联组 7 中的关联设备发送命令(请参见第 Z-Wave 关联章节)。
主要应用场景
- 住宅
- 多住户单元(公寓、住宅楼、酒店等)
- 轻型商业(小型办公楼、小型零售/餐厅/加油站等)
- 政府/市政机构
- 大学/学院
- 农业
兼容集成
Shelly Qubino Wave 设备基于全球领先的智能家居技术——Z-Wave 开发。
这意味着 Shelly Qubino Wave 可与所有经过认证并支持 Z-Wave 通信协议的网关协同工作。
为确保您的网关能够完整支持 Shelly Qubino Wave 产品的各项功能,我们定期对设备与不同型号的 Z-Wave 网关进行兼容性测试。
简化内部原理图

设备电气接口
输入
错误渲染宏 'excerpt-include':用户
'712020:515aa595-e304-41f3-886a-d9b6b0b7f5a3'无权查看页面'DEV:Device electrical interfaces'。
错误渲染宏 'excerpt-include':用户
'712020:515aa595-e304-41f3-886a-d9b6b0b7f5a3'无权查看页面'DEV:Device electrical interfaces'。
错误渲染宏 'excerpt-include':用户
'712020:515aa595-e304-41f3-886a-d9b6b0b7f5a3'无权查看页面'DEV:Device electrical interfaces'。
输出
错误渲染宏 'excerpt-include':用户
'712020:515aa595-e304-41f3-886a-d9b6b0b7f5a3'无权查看页面'DEV:Device electrical interfaces'。
连接方式
Z-Wave – 不安全、S0 安全、S2 未认证安全、S2 认证安全
安全特性
过热保护
支持的负载类型
错误渲染宏 'excerpt-include':用户
'712020:515aa595-e304-41f3-886a-d9b6b0b7f5a3'无权查看页面'DEV:Supported load types'。
错误渲染宏 'excerpt-include':用户
'712020:515aa595-e304-41f3-886a-d9b6b0b7f5a3'无权查看页面'DEV:Supported load types'。
错误渲染宏 'excerpt-include':用户
'712020:515aa595-e304-41f3-886a-d9b6b0b7f5a3'无权查看页面'DEV:Supported load types'。
用户界面
无法渲染
{include}
包含的页面找不到。
LED 指示灯信号
点击展开查看 LED 信号指示
移除/排除
在每次上电后或按下 S 按钮后,LED 会在模式 1 下持续闪烁蓝色,持续时间 10 分钟。

添加/包含
在每次上电后或按下 S 按钮后,LED 会在模式 1 下持续闪烁绿色,持续时间 10 分钟。

设置进行中
恢复出厂设置并重启
在恢复出厂设置期间,LED 会短暂亮起约 1 秒的绿色,随后蓝色和红色LED 以 0.1 秒亮、0.1 秒灭的方式闪烁约 2 秒。添加 / 移除
在添加或移除过程中,LED 会在模式 2 下闪烁蓝色。
OTA 固件更新
在 OTA 更新过程中,LED 会在模式 2 下闪烁蓝色和红色。
检查电源供应 230 V AC 频率或 24 V DC 电压
在检查电源时,LED 会在模式 5 下闪烁蓝色和红色。
使用 S 按钮进入设置模式
选择添加/移除菜单
当菜单被选中时,LED 会持续亮起蓝色,最长持续 10 秒。选择添加/移除菜单 —— 按住 S 按钮 —— 执行添加/移除过程
当菜单正在执行时,LED 会在模式 3 下闪烁蓝色。
选择恢复出厂设置菜单
当菜单被选中时,LED 会持续亮起红色,最长持续 10 秒。选择恢复出厂设置 —— 按住 S 按钮 —— 执行恢复出厂设置过程
当菜单正在执行时,LED 会在模式 3 下闪烁红色。
报警模式
检测到过热
LED 会在模式 4 下闪烁红色:2 次 —— 0.2 秒亮,0.2 秒灭,0.2 秒亮,0.2 秒灭,再持续 2 秒灭,循环重复。
LED 闪烁模式
点击展开查看 LED 闪烁模式
错误渲染宏 'excerpt-include':用户
'712020:515aa595-e304-41f3-886a-d9b6b0b7f5a3'无权查看页面'DEV:LED_Signalization'。
规格参数
错误渲染宏 'excerpt-include':用户
'712020:515aa595-e304-41f3-886a-d9b6b0b7f5a3'无权查看页面'DEV:Technical Specifications'。
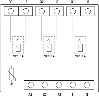
基础接线图
> 错误渲染宏 'excerpt-include':用户 '712020:515aa595-e304-41f3-886a-d9b6b0b7f5a3' 无权查看页面 'DEV:Wiring diagrams'。 | > 错误渲染宏 'excerpt-include':用户 '712020:515aa595-e304-41f3-886a-d9b6b0b7f5a3' 无权查看页面 'DEV:Wiring diagrams'。 |
图例说明
无法渲染
{include}
包含的页面找不到。
关于 Z-Wave®
向 Z-Wave® 网络添加、移除及重置设备
点击展开查看如何添加、移除和重置设备
无法渲染
{include}
包含的页面找不到。
Z-Wave® 安全性与设备特定密钥(DSK)
点击展开了解安全性与 DSK
该设备支持最新的安全 2(S2)功能。S2 采用强 AES 128 加密协议,意味着 S2 使 Z-Wave® 成为目前最安全的物联网(IoT)安全平台之一。为充分发挥产品及其 S2 安全功能,请务必使用支持 S2 的 Z-Wave® 网关。
认证控制
- 包含时使用带外(OOB)DSK
- 适用于大多数实现方案
该设备还支持安全 2 认证、非认证及不安全的包含方式。
注意! 当将设备添加到支持安全 2(S2)的网关网络时,需提供 Z-Wave® 设备特定密钥(DSK)的四位数验证码。唯一的 DSK 代码印在设备侧面的 DSK 标签上,包装内也附有一份副本,必须妥善保管。切勿移除设备上的 DSK 标签。作为备份,可使用包装内的标签。

DSK 代码前五位用高亮或下划线标出,以便用户识别验证码部分。此外,DSK 还以二维码形式呈现,如图所示。
DSK 标签与二维码(示例)
请求加入 S2 访问控制类或 S2 认证类的节点,在通过射频传输其公钥前,会将其字节 1 到 2 设置为零(0x00)以隐藏其公钥。
DSK 可用于带外(OOB)身份验证。
- 包含网关可使用二维码扫描设备读取加入设备的完整 DSK,与通过射频接收的混淆公钥匹配。
Z-Wave® 参数
点击展开查看 Z-Wave 参数
无法渲染
{include}
包含的页面找不到。
Z-Wave® 命令类
点击展开查看 Z-Wave 命令类
无法渲染
{include}
包含的页面找不到。
Z-Wave® 通知命令类
点击展开查看 Z-Wave 通知命令类
无法渲染
{include}
包含的页面找不到。
Z-Wave® 关联
点击展开查看 Z-Wave 关联
无法渲染
{include}
包含的页面找不到。
Z-Wave® 重要免责声明
Z-Wave® 无线通信并非始终 100% 可靠。本设备不应用于生命或贵重物品完全依赖其运行的场景。如果设备未被您的网关识别或显示异常,您可能需要手动更改设备类型,并确认您的网关支持 Z-Wave Plus™ 多级设备。
故障排除
有关故障排除,请访问我们的支持门户:支持中心
兼容性列表
| Wave Pro 3 | 功能 - 报告 | | ----------------------------- | --------------- | ------- | ------- | ---------- | ---------- | ---------- | -------------------------------------------------------------------------------------------- | | 网关 | 开/关 1 | 开/关 2 | 开/关 3 | SW 开/关 1 | SW 开/关 2 | SW 开/关 3 | 备注 | | Home Assistant | ✅ | ✅ | ✅ | ✅ | ✅ | ✅ | | | Fibaro - HC 3 / Wave engine 3 | ✅ | ✅ | ✅ | ✅ | ✅ | ✅ | | | Homey | ✅ | ✅ | ✅ | ✅ | ✅ | ✅ | *H | | Homee Gen 7 | ✅ | ✅ | ✅ | ✅ | ✅ | ✅ | | | Homee Gen 5 | 待定 | 待定 | 待定 | 待定 | 待定 | 待定 | *1, *2 | | Smart Things | 待定 | 待定 | 待定 | 待定 | 待定 | 待定 | 使用 Shelly Wave 边缘驱动 | | Vera Ezlo | ✅ | ✅ | ✅ | ✅ | ✅ | ✅ | | | Cozify | ✅ | ✅ | ✅ | ✅ | ✅ | ✅ | |
备注:
*H – 报告问题可通过此解决方案解决。
功能含义
| 功能 | 含义 / 测试情况 |
|---|---|
| 开/关 | 设备是否响应应用界面的开/关命令 |
| SW 开/关 | 设备是否报告由 SW 输入引起的开/关状态变化 |
| 调光 | 设备是否响应应用界面的调光命令 |
| SW 调光 | 设备是否报告由 SW 输入引起的调光状态变化 |
| 功率(瓦特) | 是否报告功率值(非请求主动上报) |
| 电量(千瓦时) | 是否报告电量值(非请求主动上报) |
| 上/下 | 设备是否响应应用界面的上/下命令 |
| SW 上/下 | 设备是否报告由 SW 输入引起的上/下状态变化 |
| 百叶窗开度 | 百叶窗是否响应应用界面的命令 |
| SW 百叶窗开度 | 百叶窗是否报告由 SW 输入引起的开度变化 |
| D 控制 | 脱离模式:设备是否报告场景命令(单击、双击等) |
| D 二进制 | 脱离模式:设备是否通过 SW 输入报告二进制开/关状态 |
| 传感器 # | 传感器报告是否在网关中可视化?传感器类型在备注中说明 |
图例说明
| 符号 | 状态 |
|---|---|
| 正常工作 / 可行 | |
| 无法工作 / 不可行 | |
| P | 部分支持 |
| N/T | 未测试 |
| TBD | 待完成 |
网关指南
您可在 Z-Wave Shelly 知识库 中找到有用的网关使用指南。