注意
原先称为 Shelly Qubino Wave 的产品系列,现将更名为 Shelly Wave。此次更名不会影响任何设备的功能。唯一的变化是在未来所有文档中使用新名称。
设备:Wave Plug UK
- 欧盟零件号 / 订购代码: QNPL-001X12UK
- Z-Wave 产品类型 ID: 0x0002
- Z-Wave 产品 ID: 0x0089
- Z-Wave 制造商: Shelly Europe Ltd.
- Z-Wave 制造商 ID: 0x0460

术语解释
- 设备 – 在本文档中,“设备”指本指南所讨论的 Shelly Qubino 设备。
- 网关 – 一种 Z-Wave® 网关,也称为 Z-Wave® 控制器、Z-Wave® 主控制器、Z-Wave® 主控设备或 Z-Wave® 中心等,是用于构建 Z-Wave® 智能家居网络的中央枢纽。本文档中使用“网关”一词。
- S 按钮 – 位于 Z-Wave® 设备上的服务按钮(Service Button),用于执行多种功能,如添加(包含)、移除(排除)和恢复出厂设置。本文档中使用“S 按钮”一词。
简要说明
Wave Plug UK(设备)是一款具备电量测量与过热保护功能的智能插座/插口,可通过手机、平板电脑、电脑或家庭自动化系统远程控制电器。
主要应用场景
- 住宅用途
- 多住户单元(公寓、公寓楼、酒店等)
- 轻型商业(小型办公楼、小型零售店/餐厅/加油站等)
- 政府/市政机构
- 大学/学院
兼容性集成
Qubino 设备基于 全球领先的智能家居技术——Z-Wave 开发。
这意味着 Qubino 可与所有 已认证 的支持 Z-Wave 通信协议的网关兼容。
为确保您的网关能够完整支持 Qubino 产品的功能,我们定期对不同型号的 Z-Wave 网关进行兼容性测试。
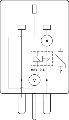
简化内部电路图

设备电气接口
输入
- 1 个 BS 1363(Type-G)插头
输出
- 1 个 BS 1363(Type-G)插座
连接方式
Z-Wave – 不安全、S0 安全、S2 未认证安全、S2 认证安全
安全特性
过热保护
- 自动关闭继电器
- 向网关发送“通知报告”(检测到过热)
- LED 指示灯按上述说明闪烁(检查过热检测时的闪烁模式)
以下任一操作可重置该警报:断电重启、远程设备重启(通过参数 117)、短按 S 按钮。
注意: 过热保护始终启用,无法禁用。
更多说明请参见 过热检测通知。
过流保护
当电流持续超过 16A + 10%(最大开关电流 +10%)超过 5 秒,设备将:
- 自动关闭继电器
- 向网关发送“通知报告”(检测到过流)
- LED 指示灯按上述说明闪烁(检查过流检测时的闪烁模式)
以下任一操作可重置该警报:断电重启、远程设备重启(通过参数 117)。
注意: 过流保护始终启用,无法禁用。
更多说明请参见 过流检测通知。
过压保护
适用于标准电源电压 230 V AC。若电压持续超过 240 V AC +15%(即 278 V AC)超过 5 秒,设备将:
- 自动关闭继电器
- 向网关发送“通知报告”(检测到过压)
- LED 指示灯按上述说明闪烁(检查过压检测时的闪烁模式)
以下任一操作可重置该警报:断电重启、远程设备重启(通过参数 117)、短按 S 按钮。
注意: 过压保护始终启用,无法禁用。
更多说明请参见 过压检测通知。
支持的负载类型
- 阻性负载(白炽灯泡、加热设备)
- 容性负载(电容器组、电子设备、电机启动电容)
- 带 RC 吸收电路的感性负载(LED 驱动器、变压器、风扇、冰箱、空调)
用户界面
S 按钮与工作模式
- 正常模式
- 设置进行中模式
- 设置模式(通过 S 按钮)
- 设置模式用于启动特定操作,如添加(包含)、移除(排除)、恢复出厂设置等。该模式有时间限制,操作完成后设备将自动返回正常模式。
- 进入设置模式:
- 快速按下并长按 S 按钮,直到 LED 变为稳定的蓝色。
- 再次快速按下可循环切换菜单。
- 菜单状态的 LED 指示灯在 10 秒后超时,自动返回正常状态。
S 按钮功能
- 手动将设备添加至 Z-Wave 网络
- 手动从 Z-Wave 网络中移除设备
- 将设备恢复出厂设置
LED 指示信号
点击以查看 LED 指示信号
正常模式
已移除/排除
每次上电后,LED 在模式 1 下持续闪烁 蓝色 10 秒。已添加/包含
每次上电后,LED 在模式 1 下持续闪烁 绿色 10 秒。
继电器开启且功耗 = 0W(无功耗)
每次上电后 11 秒起,LED 持续亮起 绿色。继电器开启且功耗 > 0W 且 ≤ 最大功率的 85%
每次上电后 11 秒起,LED 持续亮起 黄色。继电器开启且功耗 > 最大功率的 85%
每次上电后 11 秒起,LED 持续亮起 红色。
设置进行中
恢复出厂设置并重启
恢复出厂设置过程中,LED 先持续亮起 绿色 约 1 秒,然后交替闪烁 蓝色和红色(0.1秒开/0.1秒关)约 2 秒。添加/移除
在添加/移除过程中,LED 在模式 2 下闪烁 蓝色。
OTA 固件更新
在 OTA 升级过程中,LED 在模式 2 下闪烁 蓝色和红色。
通过 S 按钮进入设置模式
选择添加/移除菜单
选中后,LED 持续亮起 蓝色 最多 10 秒。正在执行添加/移除
执行过程中,LED 在模式 3 下闪烁 蓝色。
选择恢复出厂设置菜单
选中后,LED 持续亮起 红色 最多 10 秒。正在执行恢复出厂设置
执行过程中,LED 在模式 3 下闪烁 红色。
报警模式
检测到过流
LED 在模式 4 下闪烁 红色。检测到过热
LED 在模式 4 下闪烁 红色。
检测到过压
LED 在模式 4 下闪烁 红色。
规格参数
| 特性 | 参数值 |
|---|---|
| 供电电压 | 230 V ±10%,50/60 Hz |
| 功耗 | < 0.7 W |
| 功率测量 [W] | 支持 |
| 最大开关电压(交流) | 260 V |
| 最大开关电流(交流) | 13 A |
| 过热保护 | 支持 |
| 过流保护 | 支持 |
| 过压保护 | 支持 |
| 传输距离 | 室内最大 40 米(131 英尺) |
| Z-Wave 中继功能 | 支持 |
| 处理器 | Z-Wave S800 |
| Z-Wave 频段 | 868.4 MHz |
| 最大发射射频功率 | < 25 mW |
| 尺寸(高 × 宽 × 深) | 60 × 60 × 56 ±0.5 mm / 2.36 × 2.36 × 2.20 ±0.02 英寸 |
| 重量 | 74 ±1 克 / 2.6 ±0.04 盎 |
| 安装方式 | 壁装插座 |
| 外壳材质 | 塑料 |
| 颜色 | 白色 |
| 环境温度 | -20℃ 至 40℃ / -5℉ 至 105℉ |
| 湿度 | 30% 至 70% RH |
| 最大海拔高度 | 2000 米 / 6562 英尺 |
插座说明

图例说明
| 字母 | 说明 |
|---|---|
| A | 插头 — BS 1363(Type-G) |
| B | S 按钮 |
| C | 插座 — 1 个 BS 1363(Type-G) |
| D | LED 指示灯 |
关于 Z-Wave
将设备添加至 Z-Wave® 网络(包含)
注意! 若设备成功添加/移除,所有设备输出端口(O、O1、O2 等)将依次执行 1 秒开 / 1 秒关 / 1 秒开 / 1 秒关 的动作。
注意! 使用安全 2(S2)包含时,会弹出对话框要求输入五位数的 PIN 码,该码印在设备侧面的 Z-Wave® DSK 标签及包装上。
重要提示: 请勿丢失该 PIN 码。
SmartStart 添加(包含)
支持 SmartStart 的产品可通过扫描设备上的 Z-Wave 二维码,由支持 SmartStart 的网关自动添加。无需额外操作,设备在通电后 10 分钟内将自动完成添加。
- 使用网关应用扫描设备标签上的二维码,并将安全 2(S2)设备特定密钥(DSK)添加至配置列表。
- 将设备接入电源。
- 检查蓝色 LED 是否在模式 1 下闪烁。若为真,则尚未添加。
- 通电后几秒内,添加过程将自动开始。
- 添加过程中,蓝色 LED 在模式 2 下闪烁。
- 成功添加后,绿色 LED 在模式 1 下闪烁。
使用 S 按钮添加(包含)
- 将设备连接至电源。
- 确认蓝色 LED 在模式 1 下闪烁(表示尚未添加)。
- 在网关上启用“添加/移除”模式。
- 按住 S 按钮,直至 LED 变为稳定蓝色。
- 快速松开,再按住 (>2 秒),直至 LED 在模式 3 下闪烁。松开即启动学习模式。
- 添加过程中,蓝色 LED 在模式 2 下闪烁。
- 成功添加后,绿色 LED 在模式 1 下闪烁。
注意: 在设置模式下,设备 10 秒后超时,自动返回正常模式。
从 Z-Wave® 网络中移除设备(排除)
注意: 设备将被从网络中移除,但自定义配置保持不变。
注意! 移除设备时,所有输出端口将依次执行 1 秒开 / 1 秒关 / 1 秒开 / 1 秒关 的动作。
使用 S 按钮移除(排除)
- 将设备连接至电源。
- 确认绿色 LED 在模式 1 下闪烁(表示已添加)。
- 在网关上启用“添加/移除”模式。
- 按住 S 按钮,直至 LED 变为稳定蓝色。
- 快速松开,再按住 (>2 秒),直至 LED 在模式 3 下闪烁。松开即启动学习模式。
- 移除过程中,蓝色 LED 在模式 2 下闪烁。
- 成功移除后,蓝色 LED 在模式 1 下闪烁。
注意: 设置模式下 10 秒超时。
恢复出厂设置
通用说明
恢复出厂设置后,所有自定义参数(包括累计用电量、关联关系、路由信息等)将恢复默认值。HOME ID 与 NODE ID 将被删除。仅在网关缺失或无法使用时才应使用。
使用 S 按钮
- 按住 S 按钮,直至 LED 变为稳定蓝色。
- 多次按下 S 按钮,直至 LED 变为稳定红色。
- 按住 (>2 秒),直至红色 LED 在模式 3 下闪烁。松开即启动重置。
- 重置过程中:LED 先变绿(约 1 秒),随后蓝红交替闪烁(模式 3,约 2 秒)。
- 成功后,蓝色 LED 在模式 1 下闪烁。
通过网关远程设置参数(触发)
将 参数编号 120 设置为 1431655765(十六进制 0x55555555)以触发恢复出厂设置。
Z-Wave 安全与设备特定密钥(DSK)
本设备支持 安全 2(S2),采用强 AES 128 加密,使 Z-Wave 成为目前最安全的物联网平台。
认证控制
- 包含时使用带外 DSK
- 兼容大多数实现方案
支持 S2 认证、未认证及不安全包含方式。
注意: 使用支持 S2 的网关添加设备时,需提供前五位数字的 DSK PIN。DSK 印在设备标签上,并包含在包装内。请勿撕下标签。

前五位数字以加粗或下划线标出,用于识别 PIN。DSK 也以二维码形式呈现。
加入节点在无线传输前,会将公钥的第 1-2 字节设为 0(
0x00)以混淆其公钥。该 DSK 可用于带外(OOB)认证。
包含网关可扫描二维码读取完整 DSK,与通过无线电接收的混淆公钥匹配。
Z-Wave 参数
参数编号 17 – 断电后恢复输出 O(O1)状态
- 大小: 1 字节
- 默认值: 0
- 取值:
0:断电后保存并恢复上次的开/关状态1:不保存;断电后保持关闭状态
参数编号 19 – 输出 O(O1)定时自动关闭
- 大小: 2 字节
- 默认值: 0
- 取值:
0:定时自动关闭功能关闭1–32535:时间单位为秒(或毫秒——详见参数 25)
每次收到开命令(远程或本地)时,计时器将重置。
参数编号 20 – 输出 O(O1)定时自动开启
- 大小: 2 字节
- 默认值: 0
- 取值:
0:定时自动开启功能关闭1–32535:时间单位为秒(或毫秒——详见参数 25)
每次收到关命令时,计时器将重置。
参数编号 23 – 输出 O(O1)触点类型 — 常开/常闭
- 大小: 1 字节
- 默认值: 0
- 取值:
0:常开(NO)1:常闭(NC)
| 参数值/触点类型 | 命令 | 输出状态 |
|---|---|---|
| 常开(NO)(0) | 关 | 关 (0 V) |
| 常开(NO)(0) | 开 | 开 (230 V) |
| 常闭(NC)(1) | 关 | 开 (230 V) |
| 常闭(NC)(1) | 开 | 关 (0 V) |
参数编号 25 – 设置输出 O(O1)定时单位为秒或毫秒
- 大小: 1 字节
- 默认值: 0
- 取值:
0:秒1:毫秒
参数编号 36 – 输出 O(O1)功率变化百分比上报
- 大小: 1 字节
- 默认值: 50
- 取值:
0:上报功能关闭1–100:触发上报的最小变化百分比
说明:
- 上报内容包含电压(V)和电流(A)。
- 上报频率不低于参数 39 所设定的时间间隔。
- Wave Shutter 上报的是 O1 与 O2 功率/电流之和(同一时间仅一个有效)。
参数编号 39 – 上报最小时间间隔(输出 O1)
- 大小: 1 字节
- 默认值: 30
- 取值:
0:上报功能关闭1–120:时间间隔(秒)
说明:
- 与参数 36 相关。
- 设置低于 30 秒可能导致网络拥塞。
- Wave Shutter 上报的是 O1 与 O2 功率/电流之和。
参数编号 91 – 水浸报警
- 大小: 4 字节
- 默认值: 0
- 取值:
0:无操作1:打开继电器 / 打开遮阳帘(向上位置)2:关闭继电器 / 关闭遮阳帘(向下位置)
参数编号 92 – 烟雾报警
结构同参数 91。
参数编号 93 – 一氧化碳报警
结构同参数 91。
参数编号 94 – 高温报警
结构同参数 91。
参数编号 105 – LED 亮度调节
- 大小: 1 字节
- 默认值: 100
- 取值: 0–100(0–100%)
2024 年起在 Wave 1、Wave 1PM、Wave 2PM 中实现。所有 LED 均支持调光。
参数编号 117 – 远程设备重启
- 大小: 1 字节
- 默认值: 0
- 取值:
0:功能关闭1:远程设备重启(仅用于故障排查)
重启后,数值将重置为默认值。
参数编号 120 – 恢复出厂设置
- 大小: 4 字节
- 默认值: 0
- 取值:
0:不重置1431655765(十六进制0x55555555):执行恢复出厂设置
参数编号 201–203 – 序列号
- 大小: 每个 4 字节
- 默认值: 2147483647
- 用户不可更改
Z-Wave 命令类
- ASSOCIATION_V2 [S0, S2]*
- ASSOCIATION_GRP_INFO_V3 [S0, S2]*
- BASIC_V2 [S0, S2]*
- SWITCH_BINARY_V2 [S0, S2]*
- CONFIGURATION_V4 [S0, S2]*
- DEVICE_RESET_LOCALLY_V1 [S0, S2]*
- FIRMWARE_UPDATE_MD_V5 [S0, S2]*
- INDICATOR_V3 [S0, S2]*
- MANUFACTURER_SPECIFIC_V2 [S0, S2]*
- METER_V6 [S0, S2]*
- MULTI_CHANNEL_ASSOCIATION_V3 [S0, S2]*
- NOTIFICATION_V8 [S0, S2]*
- POWERLEVEL_V1 [S0, S2]*
- SECURITY_V1
- SECURITY_2_V1
- SUPERVISION_V1
- TRANSPORT_SERVICE_V2
- VERSION_V3 [S0, S2]*
- ZWAVEPLUS_INFO_V2
Z-Wave 通知命令类
检测到过热
| 字段 | 值 |
|---|---|
| 说明 | 检测到过热 |
| 通知类型名称 | 热警报 |
| 类型 - 值 | 0x04 |
| 类型 - 事件 | 状态 |
| 通知名称 | 检测到过热 |
| 名称 - 值 | 0x02 |
| 版本 | V2 |
| 设备特定 | 是 |
| LED 指示 | 参见表格 |
| 设备反应 | 关闭所有输出,发送通知 |
| 恢复操作 | 断电重启、远程重启(参数 117)、短按 S 按钮 |
检测到过流
| 字段 | 值 |
|---|---|
| 说明 | 检测到过流输出 |
| 通知类型名称 | 电力管理 |
| 类型 - 值 | 0x08 |
| 类型 - 事件 | 状态 |
| 通知名称 | 检测到过流 |
| 名称 - 值 | 0x06 |
| 版本 | V3 |
| 设备特定 | 是 |
| LED 指示 | 参见表格 |
| 设备反应 | 关闭输出,发送通知 |
| 恢复操作 | 断电重启、远程重启(参数 117)、短按 S 按钮 |
检测到过压
| 字段 | 值 |
|---|---|
| 说明 | 检测到过压 |
| 通知类型名称 | 电力管理 |
| 类型 - 值 | 0x08 |
| 类型 - 事件 | 状态 |
| 通知名称 | 检测到过压 |
| 名称 - 值 | 0x07 |
| 版本 | V3 |
| 设备特定 | 是 |
| LED 指示 | 参见表格 |
| 设备反应 | 关闭所有输出,发送通知 |
| 恢复操作 | 断电重启、远程重启(参数 117)、短按 S 按钮 |
Z-Wave 关联设置
关联功能允许设备之间直接通信,无需经过网关。
- 每组最多关联 9 个设备
- 推荐每组不超过 5 个
- “生命线组”专供网关使用(仅允许 1 个节点)
关联组 1 – 生命线
支持的命令类:
- INDICATOR_REPORT:LED 状态
- DEVICE_RESET_LOCALLY_NOTIFICATION:请求触发
- SWITCH_BINARY_REPORT:输出 O(O1)状态变更
- NOTIFICATION_REPORT:触发过热检测
- NOTIFICATION_REPORT:触发过流检测
- NOTIFICATION_REPORT:触发过压检测
- METER_REPORT:负载功率触发(基于参数 36–43)
关联组 2
- 允许节点数:9
- 分配给输出 O(O1)
- 使用基本命令类
- 由输出 O(O1)触发
- 支持命令类:BASIC_SET(在关联设备上设置开/关)
Z-Wave 重要免责声明
Z-Wave 无线通信并非始终 100% 可靠。本设备不应用于生命攸关或高价值场景。如果设备未被网关识别或行为异常,请手动更改设备类型,并确认网关支持 Z-Wave Plus™ 多级设备。
故障排除
如需帮助,请访问:支持门户
与网关的兼容性
| 网关 | 开/关 | 功率 (W) | 电能 (kWh) | 电压 (V) | 电流 (A) | 备注 |
|---|---|---|---|---|---|---|
| Home Assistant | ✅ | ✅ | ✅ | ✅ | ✅ | |
| Fibaro HC 3 / Z-Wave 引擎 3 | ✅ | ✅ | ✅ | ✅ | ✅ | |
| Homey | ✅ | ✅ | ✅ | ⚪ | ⚪ | *1 |
| Homee Cube Gen 7 | ✅ | ✅ | ✅ | ✅ | ✅ | |
| Homee Cube Gen 5 | ✅ | ✅ | ✅ | ✅ | ✅ | |
| SmartThings | ✅ | ✅ | ✅ | ⚪ | ⚪ | *1 需使用 Shelly Wave 边缘驱动程序 |
| Cozify | ❌ | ❌ | ❌ | ❌ | ❌ | |
| Jeedom | ✅ | ✅ | ✅ | ✅ | ✅ | *2 |
备注:
- *1:网关不支持电压和电流的占位符。
- *2:用户需手动设置报告参数,才能在仪表板中显示。
功能含义表
| 功能 | 含义 / 测试情况 |
|---|---|
| 开/关 | 响应应用程序界面的开/关命令 |
| 软件开/关 | 通过开关输入报告开/关状态变化 |
| 调光 | 响应应用程序界面的调光命令 |
| 软件调光 | 通过开关输入报告调光状态 |
| 瓦特 | 未请求的瓦特值上报 |
| 千瓦时 | 未请求的千瓦时值上报 |
| 上/下 | 响应应用程序界面的上/下命令 |
| 软件上/下 | 通过开关报告上/下状态变化 |
| 百叶窗叶片 | 百叶窗叶片响应应用程序界面命令 |
| 软件百叶窗叶片 | 百叶窗叶片通过开关报告状态变化 |
| D 控制 | 在脱离模式下报告场景命令(单击/双击等) |
| D 二进制 | 在脱离模式下通过开关报告二进制开/关 |
| 传感器 # | 传感器报告在网关中可见;注明类型 |
图例说明
| 符号 | 含义 |
|---|---|
| ✅ | 正常工作 / 可行 |
| ⚪ | 无法工作 / 不可行 |
| P | 部分支持 |
| N/T | 未测试 |
| TBD | 待定 |
网关使用指南
实用指南:Shelly 知识库 – Z-Wave