
设备标识
- 设备名称: Shelly Plus 2PM
- 设备型号: SNSW-002P16EU
- 设备SSID: ShellyPlus2PM-XXXXXX
简要说明
Shelly Plus 2PM 是一款小巧的双通道智能开关,具备电源测量和盖板控制功能,可通过手机、平板电脑、PC 或家庭自动化系统远程控制电器。该设备可在本地 Wi-Fi 网络中独立运行,也可通过云家庭自动化服务进行操作。
只要设备连接到 Wi-Fi 路由器并接入互联网,用户即可在任何具备网络连接的地方远程访问、控制和监控 Shelly Plus 2PM。
它可安装于标准电气墙盒内,适用于插座、灯开关后方或空间有限的位置。
Shelly Plus 2PM 内置 Web 界面,可用于监控和控制设备,并调整其设置。
主要应用场景
- 住宅
- 多住户单元(公寓、联排别墅、酒店等)
- 轻型商业(小型办公楼、小型零售/餐厅/加油站等)
- 政府/市政机构
- 大学/学院
兼容集成
- Samsung SmartThings
- Alexa
简化内部电路图

设备电气接口
输入
- 两个螺丝端子开关/按钮输入:S1 和 S2
- 三个电源输入螺丝端子:1 N(+)和 2 L(~)
输出
- 两个带电源测量功能的继电器输出,通过螺丝端子连接
扩展接口
- Shelly 专有串行接口

⚠ 警告! 当设备通电时,扩展接口上存在高压!
连接方式
- Wi-Fi
- 蓝牙
安全特性
- 过热保护
- 过压保护
- 过流保护
- 过功率保护
- 障碍物检测(盖板模式)
- 安全开关(盖板模式)
支持的负载类型
- 阻性负载(白炽灯、加热设备)
- 容性负载(电容组、电子设备、电机启动电容)
- 带 RC 吸收电路的感性负载(LED 灯驱动器、变压器、风扇、冰箱、空调)
用户界面
输入
- 一个(复位)按钮
- 按住 5 秒以启用设备热点和蓝牙连接。
- 按住 10 秒以恢复出厂设置。
输出
- 单色 LED 指示灯
- 启用热点且未开启 Wi-Fi:1秒“开” / 1秒“关”
- 已开启 Wi-Fi 但未连接网络:1秒“开” / 3秒“关”
- 已连接到 Wi-Fi 网络:持续“亮”
- 已启用云服务但未连接:1秒“开” / 5秒“关”
- 已连接至 Shelly 云:持续“亮”
- OTA(空中升级):0.5秒“开” / 0.5秒“关”
- 按住按钮 5 秒:0.5秒“开” / 0.5秒“关”
- 按住按钮 10 秒:0.25秒“开” / 0.25秒“关”
上述列表从设备初始状态开始,优先级最低。后续状态将覆盖前一状态。
规格参数
| 类别 | 参数值 |
|---|---|
| 物理特性 | |
| 尺寸(高×宽×深) | 37×42×16 ±0.5 毫米 / 1.46×1.65×0.63 ±0.02 英寸 |
| 重量 | |
| 安装方式 | 壁挂式面板 |
| 螺丝端子最大扭矩 | 0.4 牛·米 / 3.5 磅·英寸 |
| 导线截面积 | 0.5 至 1.5 平方毫米 / 20 至 16 AWG |
| 导线剥线长度 | 5 至 6 毫米 / 0.20 至 0.24 英寸 |
| 外壳材料 | 塑料 |
| 颜色 | 黑色 |
| 环境条件 | |
| 环境温度 | -20 °C 至 40 °C / -5 °F 至 105 °F |
| 湿度 | 30% 至 70% 相对湿度 |
| 最大海拔高度 | 2000 米 / 6562 英尺 |
| 电气性能 | |
| 电源输入 | 110 - 240 VAC / 24 VDC ±10% |
| 功耗 | < 1.4 瓦 |
| 输出电路额定值 | |
| 最大开关电压(交流) | 240 伏 |
| 最大开关电压(直流) | 30 伏 |
| 最大开关电流(交流) | 每通道 10 安培,总计 16 安培,峰值总电流 18 安培 |
| 最大开关电流(直流) | 10 安培 |
| 传感器与仪表 | |
| 内置温度传感器 | 是 |
| 电压表(交流) | 是 |
| 电流表(交流) | 是 |
| 无线通信 | |
| 射频频段 | 2400 - 2495 兆赫 |
| 最大射频功率 | <20 dBm |
| Wi-Fi 协议 | 802.11 b/g/n |
| Wi-Fi 传输范围 | 室内最远约 30 米 / 100 英尺,室外最远约 50 米 / 160 英尺 (取决于当地环境) |
| 蓝牙协议 | 4.2 |
| 蓝牙传输范围 | 室内最远约 10 米 / 33 英尺,室外最远约 30 米 / 100 英尺 (取决于当地环境) |
| 微控制器 | |
| 处理器 | ESP32-U4WDH |
| 闪存容量 | 4 兆字节 |
| 固件功能 | |
| 定时任务 | 20 个 |
| Webhooks(URL 操作) | 20 个,每个支持最多 5 个 URL |
| 脚本支持 | 是 |
| MQTT 支持 | 是 |
| CoAP 支持 | 否 |
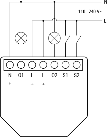
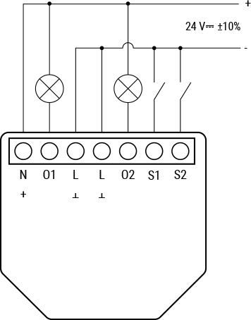
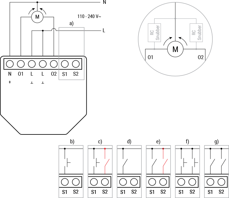
基本接线图
| 双通道开关模式,交流供电 | 双通道开关模式,直流供电 |
|---|---|
![]() | ![]() |
| 盖板模式 |
|---|
![]() |
图例说明
| 接线端子 | 描述 | 线缆 | 描述 |
|---|---|---|---|
| N | 零线端子 | N | 零线 |
| L | 火线(110–240 V)端子 | L | 火线(110 – 240 VAC) |
| O1, O2 | 负载输出端子 | + | 24 VDC 正极线 |
| S1, S2 | 开关输入端子 | - | 24 VDC 负极线 |
| + | 24 VDC 正极端子 | ||
| ~ | 24 VDC 负极端子 |
故障排除
...
Web 界面使用指南
请阅读 Shelly Plus 2PM 的 Web 界面使用指南:
打印版用户手册
合规认证
- Shelly Plus 2PM 多语言欧盟符合性声明
- Shelly Plus 2PM 英国 PSTI ACT 合规声明
- Shelly Plus 2PM x2 英国 PSTI ACT 合规声明
- Shelly Plus 2PM 澳新适用性证书


