
简要说明
Shelly Button Add-on 是一款配件,可让您在不将智能开关或调光器插入墙盒的情况下安全使用。它适用于多种 Plus 及 Mini 尺寸的设备,并能轻松将每盏夜灯、风扇或暖风机转变为智能设备。
兼容性
- Gen1 设备:Shelly 1/1PM、Shelly 2.5(开关模式)、Shelly Dimmer 2
- Gen2 设备:Shelly Plus 1/1PM、Shelly Plus 2PM(开关模式)、Shelly Plus 1/1PM Mini
- Gen3 设备:Shelly 1/1PM Gen3、Shelly 2PM Gen3(开关模式)、Shelly 1/1PM Mini Gen3、Shelly Dimmer Gen3(需接中性线)
- Gen4 设备(目前可用):Shelly 1/1PM Gen4、Shelly 1/1PM Mini Gen4
主要功能
- 改造升级:将任意夜灯、环境灯、风扇或其他电器轻松升级为智能设备
- 易于操作:为儿童及残障人士提供对家中灯光、风扇等设备的安全便捷控制
- 安装简便:通过预装电缆实现快速、简单的接线
- 广泛兼容:可与多种尺寸的 Shelly Plus 及 Mini 型号设备配合使用
使用场景
- 改造升级:无需额外布线即可将您的夜灯升级为智能灯——只需插入您选择的 Shelly 设备,并用这款优雅的配件替换原有开关即可。
- 儿童友好:在孩子床边安装,让孩子随时自主开关灯;远程调暗灯光,营造舒适的睡眠环境,无需进入房间。
- 无障碍访问:作为额外的墙面开关,为行动不便者提供便利的照明控制,无需任何建筑施工。
主要应用领域
- 住宅
- 多住户单元(公寓、联排别墅、酒店等)
- 轻型商业场所(小型办公建筑、小型零售店/餐厅/加油站等)
- 政府及市政机构
- 大学/学院
设备电气接口
输入端口:
- 2 个推入式端子供电输入:N(+)和 L(~)
输出端口:
- 2 个推入式端子供电输出:N(+)和 L(~)
内部连接线:
- 5 根导线:1 根 L 和 1 根 I(棕色),1 根 N(蓝色),1 根 O(黑色),以及 1 根 SW(白色)
支持的负载类型
负载类型必须与所使用的 Shelly 设备相兼容。
规格参数
| 项目 | 参数值 |
|---|---|
| 物理特性 | |
| 尺寸(高×宽×深): | 63 × 84 × 28 毫米 |
| 重量: | 45.62 克 |
| 接线端子类型: | 推入式 |
| 电源线规格: | 3 毫米 |
| 导线截面积: | 0.2 至 1.5 平方毫米 / 24 至 16 AWG(实心、绞合线及压接端子) |
| 导线剥线长度: | 7 至 8 毫米 |
| 安装方式: | 独立式/表面安装 |
| 外壳材质: | 塑料 |
| 外壳与印刷颜色: | 白色外壳,哑光,灰色印刷 黑色外壳,哑光,白色印刷 |
| 连接器颜色: | 黑色 |
| 电线颜色: | 棕色、蓝色、黑色、白色 |
| 电线长度: | 35 毫米 |
| 环境条件 | |
| 工作环境温度: | -20℃ 至 40℃ |
| 相对湿度: | 30% 至 70% RH |
| 最大海拔高度: | 2000 米 |
| 电气性能 | |
| 供电电压: | 220–240 V~ 50 Hz |
| 输出电路额定值 | |
| 最大切换电压: | 240 V~ |
| 最大切换电流: | ≤ 3 A,且不超过所使用 Shelly 设备的额定电流 |
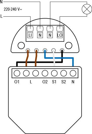
基本接线图
| Shelly 1(Plus、Gen3、Gen4)内置在 Shelly Button Add-on 内 | Shelly 1PM(Plus、Gen3、Gen4)内置在 Shelly Button Add-on 内 | Shelly 2PM(Plus)内置在 Shelly Button Add-on 内 | Shelly 2PM(Gen3、Gen4)内置在 Shelly Button Add-on 内 | Shelly 1 Mini(Plus、Gen3、Gen4)内置在 Shelly Button Add-on 内 | Shelly 1PM Mini(Plus、Gen3、Gen4)内置在 Shelly Button Add-on 内 | Shelly Dimmer 2 内置在 Shelly Button Add-on 内 | Shelly Dimmer Gen3 内置在 Shelly Button Add-on 内 |
|---|---|---|---|---|---|---|---|
![]() | ![]() | ![]() | ![]() | ![]() | ![]() | ![]() | ![]() |
图例说明
| 端子标识 | 描述 | 电线颜色 | 描述 |
|---|---|---|---|
| LI: | 火线输入(来自电源的火线输入) | N: | 零线 |
| N: | 零线端子(共两个) | L: | 火线(220–240 V~) |
| LO: | 火线输出(经开关后的火线,通向负载) | 棕色: | 用于火线/输入端子的导线 |
| 设备端子 | 蓝色: | 用于零线端子的导线 | |
| L: | 火线端子(220–240 V~) | 白色: | 用于开关输入端子的导线 |
| N: | 零线端子 | 黑色: | 用于输出端子的导线 |
| O, O1, O2: | 负载输出端子 | ||
| I: | 负载输入端子 | ||
| S1, S2, SW, SW1, SW2: | 开关输入端子 |
故障排除
- 点击此处。将弹出一组按钮。

- 选择铅笔图标。
- 在“摘要名称”下拉菜单中,将
instructions替换为对应设备型号。 - 选择
预览,确认内容正确无误。 - 选择
保存。
合规性说明
- 点击此处。将弹出一组按钮。

- 选择铅笔图标。
- 在“摘要名称”下拉菜单中,将
instructions替换为对应设备型号。 - 选择
预览,确认内容正确无误。 - 选择
保存。
打印版用户指南
- 点击此处。将弹出一组按钮。

- 选择铅笔图标。
- 在“摘要名称”下拉菜单中,将
instructions替换为对应设备型号。 - 选择
预览,确认内容正确无误。 - 选择
保存。
_wiring%20diagram.png)
_wiring%20diagram-20250613-151152.png)
_wiring%20diagram.png)
_wiring%20diagram-20250613-151102.png)
_wiring%20diagram-20250613-151023.png)
_wiring%20diagram.png)

