Shelly Pro 2PM v.1
Shelly Pro 2PM v.1 是对 Shelly Pro 2PM(SPSW-002PE16EU)的改进版本
Shelly Pro 2PM v.0 已过时,不再销售。
与 Shelly Pro 2PM v.0 的差异在下文以 ≠ 符号标出。
主要变更:
- 电源:不再支持 12 VDC 选项。
- 接线端子:3 端子接线端子被替换为 2 端子接线端子。
- PCB:继电器采用 2 层板升级为 4 层板,以提升散热性能。
- 网络接口(LAN):优化了高压电气间距。
- 外壳塑料材质:提升了介电性能。
设备识别信息(≠)
- 设备名称:Shelly Pro 2PM v.1
- 设备型号:SPSW-202PE16EU
- 设备 SSID:ShellyPro2PM-XXXXXX
简要说明
Shelly Pro 2PM 是一款可安装于导轨的双通道智能开关,具备电力测量功能。通过搭载全部 gen2 固件灵活性和以太网连接能力,为专业集成商提供了更多面向终端客户的解决方案选择。该设备可在本地 Wi-Fi 网络中独立运行,也可通过云家庭自动化服务进行远程控制。
只要设备连接到 Wi-Fi 路由器并接入互联网,用户即可从任何具备网络连接的地方远程访问、控制和监控 Shelly Pro 2PM。
Shelly Pro 2PM 内置网页界面,可用于监控和控制设备,以及调整其各项设置。
主要应用场景
- 住宅建筑
- 多住户单元(公寓、别墅、酒店等)
- 轻型商业场所(小型办公楼、小型零售/餐厅/加油站等)
- 政府及市政设施
- 大学/学院
兼容集成
- Alexa
- Samsung SmartThings
简化内部电路图(≠)

设备电气接口
输入接口
- 2 个螺钉端子开关/按钮输入:SW1 和 SW2
- 2 个电源输入螺钉端子:1 个 N(零线),1 个 L(火线)
- 2 个继电器输入:I1、I2
输出接口
- 2 个继电器输出:O1、O2
以太网接口
- 1 个 RJ45 接口
⚠ 注意! 插拔网线时,请务必确保设备已断电!用户接触部分不得为金属材质,以免触电风险。
扩展接口
- Shelly 专用串行接口

⚠ 注意! 当设备通电时,扩展接口存在高压!
连接方式
- 以太网
- Wi-Fi
- 蓝牙
安全特性
- 过热保护
- 过压保护
- 过流保护
- 过载保护
支持的负载类型
- 阻性负载(白炽灯泡、加热设备)
- 容性负载(电容组、电子设备、电机启动电容)
- 带 RC 吸收电路的感性负载(LED 灯驱动器、变压器、风扇、冰箱、空调)
用户界面
输入
- 1 个触觉凸起按钮
- 长按 5 秒:重启设备
- 长按 10 秒:恢复出厂设置
输出指示灯
- 电源(红色): 当电源接入时,红色指示灯亮起
- Wi-Fi(颜色变化):
- 蓝色:处于 AP 模式
- 红色:处于 STA 模式但未连接到 Wi-Fi 网络
- 黄色:处于 STA 模式且已连接至 Wi-Fi 网络,但未连接到 Shelly 云服务或云服务已禁用
- 绿色:处于 STA 模式且已连接至 Wi-Fi 网络,并已连接至 Shelly 云服务
- 红蓝交替闪烁:正在执行固件升级(OTA)
- LAN(绿色): 当以太网连接正常时,绿色指示灯亮起
- 输出 1(红色): 当输出 1 继电器闭合时,红色指示灯亮起
- 输出 2(红色): 当输出 2 继电器闭合时,红色指示灯亮起
规格参数(≠)
| 类别 | 参数值 |
|---|---|
| 物理特性 | |
| 尺寸(高×宽×深) | 94×19×69 ±0.5 mm / 3.70×0.75×2.71 ±0.02 in |
| 重量 | — |
| 安装方式 | DIN 导轨安装 |
| 螺丝端子最大扭矩 | 0.4 Nm / 3.54 lbin |
| 导线截面积 | 0.5 至 2.5 mm² / 20 至 14 AWG(绿色端子) 0.5 至 1.5 mm² / 20 至 16 AWG(蓝色端子) |
| 导线剥线长度 | 6 至 7 mm / 0.24 至 0.28 in(绿色端子) 5 至 6 mm / 0.20 至 0.24 in(蓝色端子) |
| 外壳材质 | 塑料 |
| 颜色 | 黑色 |
| 环境条件 | |
| 环境温度 | -20 °C 至 40 °C / -5 °F 至 105 °F |
| 湿度 | 30 % 至 70 % 相对湿度 |
| 最大海拔高度 | 2000 m / 6562 ft |
| 电气参数 | |
| 交流电源电压 | 110 - 240 V |
| 直流电源电压 | 不适用 |
| 功耗 | < 3 W |
| 是否需要零线 | 否 |
| 输出电路额定值 | |
| 最大切换电压(交流) | 240 V |
| 最大切换电压(直流) | 不适用 |
| 最大切换电流(交流) | 每通道 16 A,总计 25 A |
| 最大切换电流(直流) | 不适用 |
| 传感器与仪表 | |
| 电压表(交流) | 支持 |
| 电流表(交流) | 支持 |
| 内置温度传感器 | 支持 |
| 无线通信 | |
| 射频频段 | 2400 - 2495 MHz |
| 最大射频功率 | <20 dBm |
| Wi-Fi 协议 | 802.11 b/g/n |
| Wi-Fi 传输范围 | 室内最高 30 米 / 100 英尺,室外最高 50 米 / 160 英尺 (具体取决于当地环境条件) |
| 蓝牙协议 | 4.2 |
| 蓝牙传输范围 | 室内最高 10 米 / 33 英尺,室外最高 30 米 / 100 英尺 (具体取决于当地环境条件) |
| 微控制器 | |
| 处理器 | ESP32-D0WDQ6 |
| 闪存容量 | 8 MB |
| 固件功能 | |
| 定时任务 | 20 个 |
| Webhooks(URL 指令) | 20 个,每个支持 5 个 URL |
| 脚本支持 | 支持 |
| MQTT 支持 | 支持 |
| CoAP 支持 | 不支持 |
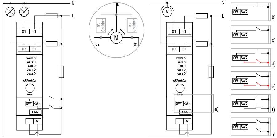
基础接线图(≠)

开关/按钮配置(盖板模式下)
a) 分离模式
b) 单按钮模式
c) 单开关模式
d) 单按钮+安全开关模式
e) 单开关+安全开关模式
f) 双按钮模式
g) 双开关模式
图例说明
| 端子 | 描述 | 线缆 | 描述 |
|---|---|---|---|
| I1, I2 | 负载电路输入端子 | L | 火线(110–240 V) |
| O1, O2 | 负载电路输出端子 | N | 零线 |
| SW1, SW2 | 开关/按钮输入端子 | — | — |
| L | 火线(110–240 V)端子 | — | — |
| N | 零线端子 | — | — |
| LAN | 局域网 RJ45 接口 | — | — |
Shelly Smart Control
Shelly Web 用户界面
故障排除
...
组件与 API 接口
印刷版用户指南
合规性声明
Shelly Pro 2PM 多语言欧盟符合性声明 2025-07-30
Shelly Pro 2PM 英国 PSTI ACT 合规声明
Shelly PRO 1PM & 2PM 澳新适宜性认证证书
Shelly Pro 2PM 多语言欧盟符合性声明 4-1 2022-08-15