
设备标识
- 设备名称: Shelly Pro 3EM
- 设备型号: SPEM-003CEBEU
- 设备SSID: ShellyPro3EM-XXXXXX
简要描述
Shelly Pro 3EM(以下简称“本设备”)是一款可安装于导轨的三相电能表。通过集成所有 gen2 固件的灵活性和以太网连接功能,为专业集成商提供了更多面向终端客户的解决方案选择。该设备可在本地局域网或Wi-Fi网络中独立运行,也可通过MQTT、HTTP和WebSocket协议接入云家庭自动化服务。所有入站连接均支持TLS加密。
本设备可实时报告累积电能以及各相的瞬时电压、电流、有功功率和视在功率。数据存储在非易失性内存中,可按每分钟间隔保留长达60天的历史记录。
设备内置实时时钟,在与SNTP服务器断开连接时仍可保持准确时间。
用户可通过远程方式访问、配置和监控本设备;只要处于同一网络基础设施内,设备也可与自动化系统进行通信和交互。
设备配备嵌入式Web界面,可用于监控和控制设备,并调整其各项设置。
⚠ 注意! 本设备不带内置继电器。接触器控制需通过连接至Shelly Pro 3EM的Shelly Pro附加模块实现。
主要功能
- 四象限测量
- 导轨安装
- 多种连接方式
- 电流互感器输入
- 相序错误检测*(可选)
- 通道间校准**
- 无负载阈值***
- 能量使用光脉冲指示
- 实时时钟
- 数据日志记录
- 准确度等级 B(IEC 62053-21)
- 光伏系统兼容
- 本设备具备相序错误检测电路。该检测基于相电压,仅监测零点穿越事件。正常顺序应为:相A → 相B → 相C。若实际顺序为相A → 相C → 相B,则当启用“相序错误检测”选项时,将报告
phase_sequence错误。
** 每个通道至少需要500 W负载才能进行校准。
*** 当三相总负载低于每通道30 VA时,虽然仍会显示测量功率值,但不会计入能耗统计,并在设备Web界面及移动应用中显示“无负载阈值”警告。
主要应用场景
- 住宅
- 多户单元(公寓、联排别墅、酒店等)
- 轻型商业(小型办公楼、小型零售/餐厅/加油站等)
- 农业(农场、牲畜棚、粮仓等)
- 政府/市政机构
- 大学/学院
简化内部原理图

设备电气接口
输入端口
- 4个螺丝端子输入:3个 L 和 1个 N
- 4个电流互感器输入:3个用于 L 相电流测量,1个用于 N 相电流测量
以太网端口
- 1个RJ45接口
⚠ 警告! 请在设备断电状态下插拔网线!用户触碰插拔网线部分时,不得使用金属部件。
附加模块接口
- Shelly专有串行接口

⚠ 警告! 当设备通电时,附加模块接口存在高压!
连接方式
- 以太网
- Wi-Fi
- 蓝牙
用户可自行启用或禁用任一连接方式。
安全特性
- 内置温度感应与上报功能
支持的负载类型
- 阻性负载(白炽灯、加热设备)
- 容性负载(LED驱动器、电容组、电子设备、电机启动电容)
- 感性负载(变压器、风扇、冰箱、空调)
用户界面
输入
- 一个触觉穹顶按钮
- 短按:切换连接的Shelly Pro 3EM开关附加模块中的继电器状态。
- 长按5秒:激活设备AP模式。
- 长按10秒:恢复出厂设置。
输出
- LED指示灯
- 电源: 电源连接时亮红灯。
- Wi-Fi(状态变化):
- 蓝灯:处于AP模式。
- 红灯:处于STA模式且未连接到Wi-Fi网络。
- 黄灯:处于STA模式且已连接到Wi-Fi网络,但未连接至Shelly Cloud或已禁用云服务。
- 绿灯:处于STA模式且已连接到Wi-Fi网络并已连接至Shelly Cloud。
- 红蓝交替闪烁:正在进行固件升级(OTA)。
- LAN: LAN连接成功时亮绿灯。
- 计数: 设备根据设定进行电能测量时,红灯按能量流过电路的频率闪烁。
技术规格
| 类别 | 参数 |
|---|---|
| 物理特性 | |
| 尺寸(高×宽×深): | 94×19×69 ±0.5 mm / 3.70×0.75×2.71 ±0.02 in |
| 重量: | 62 ±1 g / 2.19 ±0.05 oz |
| 安装方式: | DIN导轨 |
| 螺丝端子最大扭矩: | 0.4 Nm / 4.43 lbin |
| 导线截面积: | 0.5 至 2.5 mm² / 20 至 14 AWG(单股、多股及压接端子) |
| 导线剥线长度: | 6 至 7 mm / 0.24 至 0.28 in |
| 外壳材质: | 塑料 |
| 颜色: | 白色 |
| 环境条件 | |
| 环境温度: | -20 °C 至 40 °C / -5 °F 至 105 °F |
| 湿度: | 30 % 至 70 % RH |
| 最大海拔高度: | 2000 m / 6562 ft |
| 电气参数 | |
| 交流供电电压: | 100 - 260 V,50/60 Hz |
| 直流供电电压: | 不适用 |
| 功耗: | < 3 W |
| 外部保护: | B或C型脱扣特性,最大额定电流16 A,最小分断能力6 kA,能量限制等级3 |
| 传感器与仪表 | |
| 内置温度传感器: | 是 |
| 电压表(各相有效值): | 100 - 260 V |
| 电压表精度: | ±1 % |
| 电流表(各相及中性线,通过CT测量): | 0 - 120 A |
| 兼容电流互感器: | CT 120A |
| 电流表精度: | ±1 %(2 - 120 A),±2 %(1 - 2 A),±5 %(0 - 1 A) |
| 功率与电能表: | 有功功率与视在功率、有功电能与视在电能、功率因数、基波有功与基波无功电能 |
| 通道间校准最低负载: | 每通道 ≥ 500 W |
| 无负载阈值: | 每通道 ≤ 30 VA |
| 测量数据存储: | 至少保存60天,采样间隔1分钟 |
| 数据导出: | PQ记录值导出为CSV格式;通过RPC接口以JSON格式导出 |
| 无线通信 | |
| 射频频段: | 2400 - 2495 MHz |
| 最大射频功率: | <20 dBm |
| Wi-Fi协议: | 802.11 b/g/n |
| Wi-Fi传输距离: | 室内最长30米 / 100英尺,室外最长50米 / 160英尺 (受当地环境影响) |
| 蓝牙协议: | 4.2 |
| 蓝牙传输距离: | 室内最长10米 / 33英尺,室外最长30米 / 100英尺 (受当地环境影响) |
| 微控制器 | |
| 处理器: | ESP32-D0WDQ6 |
| 闪存容量: | 16 MB |
| 固件功能 | |
| Webhooks(URL动作): | 支持最多20个,每个钩子最多5个URL |
| 脚本支持: | 是 |
| MQTT: | 是 |
| CoAP: | 否 |
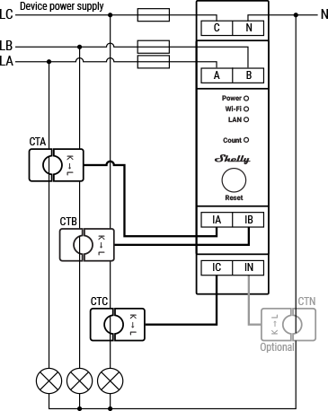
基础接线图


图例说明
| 接线端子 | 描述 | 电线标识 | 描述 |
|---|---|---|---|
| A | 相A输入 | LA | 相A火线(110-240 V) |
| B | 相B输入 | LB | 相B火线(110-240 V) |
| C | 相C及电源输入 | LC | 相C火线(110-240 V) |
| N | 中性端子 | L | 单相火线(110-240 V) |
| IA | 相A电流互感器输入 | N | 中性线 |
| IB | 相B电流互感器输入 | 电流互感器 | |
| IC | 相C电流互感器输入 | CTA | 相A电流互感器 |
| IN | 中性电流互感器输入 | CTB | 相B电流互感器 |
| CTC | 相C电流互感器 | ||
| CTN | 中性电流互感器(可选,不包含) |
Shelly Smart Control
Shelly Web用户界面
故障排除
...
组件与API
合规声明
Shelly Pro 3EM多语言欧盟符合性声明 2025-07-23
Shelly Pro 3EM 120A 英国PSTI ACT合规声明
Shelly Pro 3EM 澳洲新西兰适用性证书