设备图像
.png?width=250)
设备识别
- 设备名称: Shelly Dimmer 0/1-10V PM Gen3
- 设备型号: S3DM-0010WW
- 设备SSID: Shelly0110DimG3-XXXXXXXXXXXX
- BLE 模型 ID: 0x1072
简要描述
Shelly Dimmer 0/1-10V PM Gen3 是一款智能调光控制器,可通过手机、平板电脑、PC 或家庭自动化系统远程控制可调光驱动器。该设备可在本地 Wi-Fi 网络中独立运行,也可通过基于云的家庭自动化服务进行管理。此设备为电流源型控制器,支持 0–10V 和 1–10V 两种类型的驱动器。
主要功能
蓝牙: 符合蓝牙标准,实现短距离数据交换。
BLE 网关: 实现 BLE 与 Wi-Fi 设备之间的通信。
Wi-Fi: 连接到无线网络。
Wi-Fi 范围扩展器: 重复并延长 Wi-Fi 信号覆盖范围。
脚本支持: 支持用户自定义脚本实现自动化。
基础定时任务: 支持每周定时设置,可自定义亮度、过渡时间及翻转值。
高级定时任务: 支持全年详细调度,时间调整范围从秒到月,包括亮度、过渡时间和翻转设置。
兼容 Shelly Plus 扩展模块: 可连接 Shelly Plus 传感器接口。
自动开关定时器: 支持自动开启/关闭定时功能。
本地自动化: 在局域网内实现本地自动化操作。
Webhooks: 轻量级、事件驱动的集成方式,用于与其他设备联动。
兼容性: 完全兼容第三方家庭自动化平台。
无需网关: 既可通过 Shelly Smart Control 本地或远程使用,也可通过第三方系统直接控制。
活动日志: 存储详细的事件历史记录。
KVS(键值存储): 提供持久化的键值对存储。
可自定义阈值与偏移量(配合 Plus 扩展模块使用时): 可调节温度、湿度和光照阈值。
安全保护: 具备过流、过压、过载保护功能。
功耗测量: 精确监测电压(V)、电流(A)和功率消耗(W)。
多样化驱动器集成: 支持 0–10V 与 1–10V 驱动器(灯光、电机、阀门等)。
夜间模式: 夜间自动降低亮度。
若“夜间模式亮度” < “开启切换最小亮度”,则将应用“开启切换最小亮度”。
开关/按钮输入模式: 通过开关/按钮实现灵活输入控制:
- 单按钮调光控制
- 双按钮调光控制
过渡时间: 控制从 0% 到 100%(开启)和 100% 到 0%(关闭)的调光时间。
开启切换最小亮度: 当当前亮度低于设定阈值时,开启时应用最小亮度(默认:3%)。在定时任务或动作中的自定义过渡期间不生效。
最小/最大亮度: 可调节调光范围,实现更精细控制。
按钮渐变速率: 控制按住按钮时输出变化的速度(默认:3倍)。
按钮预设: 双击设置状态(默认:100%)。
虚拟组件: 动态创建的组件,设备本身并无物理对应部分。
主要应用场景
- 住宅
- 多住户单元(公寓、联排别墅、酒店等)
- 轻型商业(小型办公室、零售店、餐厅、加油站等)
- 政府/市政
- 大学/学院
使用案例
- 控制 0–10 V 范围内的可调光灯具,实现最佳亮度。
- 创建智能定时计划,实现全天候自动亮度调节。
- 在保留现有开关的前提下,使用 Dimmer 0/1-10V PM Gen3 对现有照明系统进行改造升级。
- 通过智能调度同步灯光与日出/日落时间。
- 启用夜间模式,在夜间时段降低亮度。
- 与第三方系统(如 Home Assistant、Google Home、Alexa、SmartThings)集成。
- 通过单次或双次按键实现灯光的调亮/调暗。
- 监控并管理连接灯具的能耗情况。
集成支持
亚马逊 Alexa 支持的功能
是
谷歌智能家居支持的属性
是
三星 SmartThings 支持的功能
是
简化内部电路图

设备电气接口
输入端口
- 两个螺丝端子上的开关/按钮输入:S1 和 S2
- 两个电源输入螺丝端子:N(零线)和 L(火线)
输出端口
- 两个 0–10V 输出端子(螺丝端子):+ 和 –
- 一个带功耗测量功能的继电器输出端子(螺丝端子)
扩展接口
- Shelly 专有串行接口

⚠ 注意! 当设备通电时,扩展接口上存在高压!
连接方式
- Wi-Fi
- 蓝牙
安全功能
- 过热保护
- 过压保护
- 过流保护
- 过载保护
支持的负载类型
- 0–10V 信号控制(适用于灯光、电机、阀门等)
- 1–10V 信号控制
用户界面
输入
- 一个(控制)按钮
- 长按 5 秒:启用设备热点并连接蓝牙。
- 长按 10 秒:执行恢复出厂设置。
输出
- LED(单色指示灯)
| 状态 | LED 表现 |
|---|---|
| 启用 AP,Wi-Fi 关闭 | 1 秒亮 / 1 秒灭 |
| Wi-Fi 已启用,未连接 | 1 秒亮 / 3 秒灭 |
| 已连接至 Wi-Fi 网络 | 持续常亮 |
| 启用云服务但未连接 | 1 秒亮 / 5 秒灭 |
| 已连接至 Shelly 云服务 | 持续常亮 |
| 正在进行固件升级 | 半秒亮 / 半秒灭 |
| 按住按钮 5 秒 | 半秒亮 / 半秒灭 |
| 按住按钮 10 秒 | 四分之一秒亮 / 四分之一秒灭 |
注:状态优先级从上至下排列;后续状态会覆盖前一状态。
规格参数
| 类别 | 数量 | 值 |
|---|---|---|
| 物理特性 | 尺寸(高×宽×深) | 38.5×43.5×17 毫米 / 1.52×1.71×0.67 英寸 |
| 重量 | 28.5 克 / 0.99 盎司 | |
| 螺丝端子最大扭矩 | 0.4 牛·米 / 3.5 英寸·磅 | |
| 导线截面积 | 0.5 至 4 平方毫米 / 20 至 11 AWG(实心、绞线、护套端帽) | |
| 导线剥线长度 | 5 至 6 毫米 / 0.20 至 0.24 英寸 | |
| 安装方式 | 壁挂式 / 嵌入墙内 / 吊顶安装 | |
| 外壳材质 | 塑料 | |
| 外壳颜色 | 潘通 2736C(蓝色),印刷:白色 | |
| 连接器颜色 | 黑色 | |
| 环境条件 | 工作环境温度 | -20 °C 至 40 °C / -5 °F 至 105 °F |
| 湿度 | 30 % 至 70 % 相对湿度 | |
| 最大海拔高度 | 2000 米 / 6562 英尺 | |
| 电气参数 | 电源输入 | 110–240 伏特交流 50/60 赫兹 |
| 功耗 | < 1.5 瓦 | |
| 是否需要零线 | 否 | |
| 电压控制类型 | 电流源型 | |
| 外部保护装置 | 16 安培,脱扣特性 B 或 C,分断能力 6 千安,能量限制等级 3 | |
| 输出电路额定值 | 最大开关电压 | 240 伏特交流 |
| 最大开关电流 | 13 安培 | |
| 最大控制电流 | 35 毫安 | |
| 传感器与仪表 | 交流电压表 | 110 伏 – 240 伏 |
| 电压表精度 | ±10 % | |
| 交流电流表 | 50 毫安 – 16 安培 | |
| 电流表精度 | ±10 % | |
| 功率与电能表 | 有功/视在功率,有功/视在电能,功率因数 | |
| 测量数据存储 | 否 | |
| 内置温度传感器 | 是 | |
| 无线通信 | Wi-Fi 协议 | 802.11 b/g/n |
| 射频频段 | 2401 – 2495 兆赫 | |
| 最大射频功率 | < 20 分贝毫瓦 | |
| 传输距离 | 室内最高 30 米 / 室外最高 50 米(受环境影响) | |
| 蓝牙协议 | 4.2 | |
| 射频频段 | 2400 – 2483.5 兆赫 | |
| 最大射频功率 | < 4 分贝毫瓦 | |
| 传输距离 | 室内最高 10 米 / 室外最高 30 米(受环境影响) | |
| 微控制器 | 处理器 | Shelly ESP32 C3 |
| 时钟频率 | 40 兆赫 | |
| 闪存容量 | 8 兆字节 | |
| 固件功能 | 定时任务数量 | 20 个 |
| Webhooks(URL 动作) | 20 个,每个支持最多 5 个 URL | |
| 脚本支持 | 是 | |
| MQTT 支持 | 是 | |
| 高级定时任务 | 是 | |
| KVS(键值存储) | 是 |
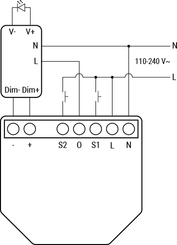
基础接线图

图例说明
| 端子 | 描述 | 线缆 | 描述 |
|---|---|---|---|
- | 0–10 VDC 负极端子 | L | 火线(110–240 伏) |
+ | 0–10 VDC 正极端子 | N | 零线 |
O | 继电器输出端子 | ||
S1 | 开关/按钮输入端子(灯光控制) | ||
S2 | 开关/按钮输入端子(灯光控制) | ||
L | 火线(110–240 伏)端子 | ||
N | 零线端子 | ||
Dim-/Dim+ | LED 驱动器正负极端子 | ||
V-/V+ | LED 驱动器正负极输出端子 |
Shelly Smart Control
故障排除
...
组件与 API 接口
合规与认证
合规声明
- Shelly Dimmer 0_1-10V PM Gen3 多语言欧盟符合性声明(2025-07-22)
- Shelly Dimmer 0_1-10V PM Gen3 澳新认证适用性证书
- Shelly Dimmer 0_1-10V PM Gen3 英国 PSTI ACT 合规声明
合规档案
打印用户指南
安装指南
按标签筛选
当前无匹配标签的项目。