
设备识别
- 设备名称:Shelly Pro Dual Cover/Shutter PM
- 设备型号:SPSH-002PE16EU
- 设备SSID:ShellyPro2Cover-XXXXXX
简要描述
Shelly Pro Dual Cover/Shutter PM(以下简称“本设备”)是一款可安装于导轨的智能双遮阳帘控制器,具备电源测量功能。通过集成所有 gen2 固件的灵活性和局域网(LAN)连接能力,为专业集成商提供了更多面向终端客户的应用解决方案。该设备既可在本地 Wi-Fi 网络中独立运行,也可通过云家庭自动化服务进行远程控制。
只要设备连接到路由器并接入互联网,用户即可在任何具有网络连接的地方远程访问、控制和监控 Shelly Pro Dual Cover PM。
本设备内置网页界面,可用于监控和控制设备,以及调整其设置。
主要应用场景
- 住宅
- 多户住宅(公寓、别墅、酒店等)
- 轻型商业(小型办公楼、小型零售店/餐厅/加油站等)
- 政府/市政机构
- 大学/学院
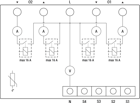
简化内部原理图

设备电气接口
输入端口
- 4 个螺丝端子开关/按钮输入:S1、S2、S3、S4
- 2 个电源输入螺丝端子:1 个 N(零线),1 个 L(火线)
输出端口
- 4 个继电器输出:O1 的 ▲ 和 ▼,O2 的 ▲ 和 ▼
以太网端口
- 1 个 RJ45 接口
⚠ 注意! 插拔网线时必须确保设备断电!用户接触的网线插头部分不得为金属材质。
连接方式
- 以太网
- Wi-Fi
- 蓝牙
安全特性
- 过热保护
- 过压保护
- 过流保护
- 过功率保护
支持负载类型
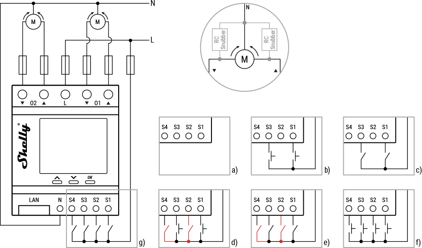
- 带有 RC 阻容吸收器的双向交流电机
用户界面
输入操作
前板上的三个按键:
左键:
- 按下可向上滚动当前显示菜单
中键:
- 按下可向下滚动当前显示菜单
右键:
- 按下可唤醒设备显示屏
- 长按进入菜单界面
- 按下可选择菜单项
- 在子菜单中长按可返回上一级
输出显示
彩色 LCD 屏幕。

LCD 顶部状态栏显示简要状态信息:
- 时间
- 蓝牙连接状态:
- 已禁用 – 无图标
- 已启用 – 蓝色图标
- 局域网(LAN)状态:
- 已禁用 – 无图标
- 已启用但未连接 – 红色图标
- 已连接 – 绿色图标
- Wi-Fi STA 状态:
- 已禁用 – 无图标
- 已启用但未连接 – 红色图标
- 已连接 – 绿色图标
- Wi-Fi AP 状态:
- 已禁用 – 无图标
- 已启用但未连接 – 红色图标
- 已连接 – 绿色图标
- 云端状态:
- 已禁用 – 无图标
- 已启用但未连接 – 红色图标
- 已连接 – 绿色图标
屏幕其余部分用于显示设备菜单界面:
主界面(默认界面):每个遮阳帘显示以下内容:
- 遮阳帘名称(可在设备设置中修改)
- 滑块,用于可视化遮阳帘的位置
- 通知区域,显示遮阳帘位置百分比或事件图标(如校准、障碍物检测、过压、过流、过载)。这些事件也会在遮阳帘名称旁显示
网络:
- 启用/禁用 Wi-Fi AP
- 启用/禁用 Wi-Fi STA
- 启用/禁用以太网
- 启用/禁用蓝牙
状态:显示完整的设备状态信息
维护:
- 重置 Wi-Fi 设置
- 恢复出厂设置
- 重启设备
规格参数
| 类别 | 参数值 |
|---|---|
| 物理特性 | |
| 尺寸(高×宽×深): | 96×53×59 ±0.02 毫米 / 3.78×2.01×2.32 ±0.02 英寸 |
| 重量: | 150 克 / 5.30 盎司 |
| 安装方式: | DIN 导轨 |
| 螺丝端子最大扭矩: | 0.4 牛·米 / 3.5 磅·英寸(绿色端子) |
| 导线截面积: | 0.5 至 2.5 平方毫米 / 20 至 14 AWG(绿色端子) |
| 导线剥线长度: | 6 至 7 毫米 / 0.24 至 0.28 英寸(绿色端子) |
| 外壳材料: | 塑料 |
| 颜色: | 深灰色 |
| 环境条件 | |
| 环境温度: | -20 °C 至 40 °C / -5 °F 至 105 °F |
| 湿度: | 30 % 至 70 % 相对湿度 |
| 最大海拔高度: | 2000 米 / 6562 英尺 |
| 电气参数 | |
| 供电电压(交流): | 110 - 240 伏 |
| 供电电压(直流): | 不适用 |
| 功耗: | < 3 瓦 |
| 是否需要零线: | 否 |
| 输出电路额定值 | |
| 最大切换电压(交流): | 240 伏 |
| 最大切换电压(直流): | 不适用 |
| 最大切换电流(交流): | 每路输出 16 安培 |
| 最大切换电流(直流): | 不适用 |
| 传感器与仪表 | |
| 电压表(交流): | 是 |
| 电流表(交流): | 是 |
| 内置温度传感器: | 是 |
| 无线通信 | |
| 射频频段: | 2400 - 2495 兆赫 |
| 最大射频功率: | <20 dBm |
| Wi-Fi 协议: | 802.11 b/g/n |
| Wi-Fi 传输距离: | 室内最高 30 米 / 100 英尺,室外最高 50 米 / 160 英尺 (具体取决于现场环境) |
| 蓝牙协议: | 4.2 |
| 蓝牙传输距离: | 室内最高 10 米 / 33 英尺,室外最高 30 米 / 100 英尺 (具体取决于现场环境) |
| 微控制器(MCU) | |
| CPU: | ESP32-D0WDQ6 |
| 闪存容量: | 8 兆字节 |
| 固件功能 | |
| 定时任务: | 20 个 |
| Webhooks(URL 动作): | 20 个,每个支持最多 5 个 URL |
| 脚本支持: | 是 |
| MQTT 支持: | 是 |
| CoAP 支持: | 否 |
基础接线图

图例说明
| 端子标识 | 描述 | 线缆标识 | 描述 |
|---|---|---|---|
| O1, O2 | 遮阳帘 1 和遮阳帘 2 的输出端子对 | L | 火线(110–240 伏) |
| ▲, ▼ | 遮阳帘方向控制输出端子 | N | 零线 |
| S1, S2 | 用于控制遮阳帘 1 的开关/按钮输入端子 | ||
| S3, S4 | 用于控制遮阳帘 2 的开关/按钮输入端子 | ||
| L | 火线(110–240 伏)端子 | ||
| N | 零线端子 | ||
| LAN | 局域网 RJ45 接口 |
Shelly Smart Control
Shelly Web 用户界面
故障排查
...