Shelly Pro 1CB
设备图片

设备标识
- 设备名称: Shelly Pro 1CB
- 设备型号: SPCB-01VENEU
- 设备SSID: ShellyPro1CB-XXXXXXXXXXXX
- 设备蓝牙ID: 0x2013
简要说明
Shelly Pro 1CB(设备)是一款单极智能微型断路器(MCB),具备过压和欠压保护功能,以及远程连接与断开的能力。
Shelly Pro 2CB
设备图片

设备标识
- 设备名称: Shelly Pro 2CB
- 设备型号: SPCB-02VENEU
- 设备SSID: ShellyPro2CB-XXXXXXXXXXXX
- 设备蓝牙ID: 0x2014
简要说明
Shelly Pro 2CB(设备)是一款双极智能微型断路器(MCB),具备过压和欠压保护功能,以及远程连接与断开的能力。
Shelly Pro 3CB
设备图片

设备标识
- 设备名称: Shelly Pro 3CB
- 设备型号: SPCB-03VENEU
- 设备SSID: ShellyPro3CB-XXXXXXXXXXXX
- 设备蓝牙ID: 0x2015
简要说明
Shelly Pro 3CB(设备)是一款三极智能微型断路器(MCB),具备过压和欠压保护功能,以及远程连接与断开的能力。
Shelly Pro 4CB
设备图片

设备标识
- 设备名称: Shelly Pro 4CB
- 设备型号: SPCB-04VENEU
- 设备SSID: ShellyPro4CB-XXXXXXXXXXXX
- 设备蓝牙ID: 0x2016
简要说明
Shelly Pro 4CB(设备)是一款四极智能微型断路器(MCB),具备过压和欠压保护功能,以及远程连接与断开的能力。
关于 Shelly Pro CB 产品
断路器是一种电气安全装置,在电路过载或发生短路时会自动切断电流。智能断路器则增加了监控和远程控制功能,使用户能够实时查看断路器状态和输入电压,并在需要时手动跳闸以保护连接的设备。
Shelly 智能微型断路器(MCB)特别适用于维护和控制场景,其中及时通知故障电路至关重要。设备电源可远程中断,无论是紧急情况还是计划内维护均可实现。
凭借灵活的固件和有线网络连接能力,Shelly MCB 为专业集成商提供了更多定制化解决方案的选择。它们可在本地局域网(LAN)和/或 Wi-Fi 网络上独立运行,也可通过 MQTT、HTTP 和 WebSocket 协议与基于云的家庭自动化服务集成。所有入站连接均支持 TLS 加密,确保通信安全。
每个设备都内置网页界面,用于实时监控、控制及设置配置。
主要特性
- 防止电气安装过载。 当发生短路或过流时,设备将自动切断电路。
- 带安全开关的远程控制。 可远程开启或关闭设备。该功能可通过设备正面面板上的机械安全开关禁用。
- 远程开启仅在设备先前被远程关闭后才允许。 若断路器已跳闸或设备被手动关闭,则此功能将被禁用。
- 线路电压监测: 设备可防止下游设备出现过压或欠压状况。
- 审计日志: 所有开启/关闭事件及其来源(手动、远程或跳闸)均记录在设备内存中并附带时间戳,可供后续查阅。
- DIN 导轨安装。
- 以太网接口: 为专业集成商提供更高的可靠性和安全性。
- 蓝牙支持: 设备符合蓝牙标准,可通过蓝牙进行控制。
- BLE 网关: 实现蓝牙(BLE)与支持 Wi-Fi 的设备之间的通信。
- Wi-Fi 连接: 设备可接入无线网络。
- Wi-Fi 信号扩展器: 重复无线信号以延长覆盖范围。
- 脚本功能: 支持通过脚本创建自动化场景。
- 基础定时任务: 支持每周定时计划与常规操作。
- 高级定时任务: 支持全年详细的时间安排与常规操作,时间调整范围从秒到月不等。
- Webhooks: 支持轻量级、事件驱动的通信方式,可与其他同一网络中的设备联动或执行本地动作。
- 兼容性: 与第三方家庭自动化系统高度兼容。
- 无需网关: 可直接通过 Shelly Smart Control 或第三方系统本地或远程使用。
- KVS(键值存储): 提供基本的持久化键值对存储服务。
- 虚拟组件: 一类初始不存在于设备中、由用户动态创建的特殊组件。
应用场景
- 家庭与商业用电安全: 通过减少因系统过载或电压异常导致的故障与火灾风险,保护电器和财产。
- 主动响应: 一旦电路故障,立即收到通知。借助 Shelly 集成选项和云端通知,可实现快速可靠的告警解决方案。
- 安全保障提升: 在洪水、火灾、地震等情况下,可远程断开受影响区域的电源。
集成支持
亚马逊 Alexa 支持的功能
Google Smart Home 支持的属性
三星 SmartThings 支持的功能
简化内部原理图
Shelly Pro 1CB

Shelly Pro 2CB

Shelly Pro 3CB

Shelly Pro 4CB

设备电气接口
Shelly Pro 1CB
- 输入端子:
两个螺丝端子输入:1/L 与 N(通过导线连接) - 输出端子:
一个螺丝端子输出:2 - 以太网接口:
1 个 RJ45 接口
⚠ 注意! 仅在设备断电时插拔网线!用户接触的部分不应为金属材质,以免触电风险。
Shelly Pro 2CB
- 输入端子:
两个螺丝端子输入:1/L 与 3/N - 输出端子:
两个螺丝端子输出:2 与 4 - 以太网接口:
1 个 RJ45 接口
⚠ 注意! 仅在设备断电时插拔网线!用户接触的部分不应为金属材质,以免触电风险。
Shelly Pro 3CB
- 输入端子:
四个螺丝端子输入:1/L、3、5 与 N(通过导线连接) - 输出端子:
三个螺丝端子输出:2、4 与 6 - 以太网接口:
1 个 RJ45 接口
⚠ 注意! 仅在设备断电时插拔网线!用户接触的部分不应为金属材质,以免触电风险。
Shelly Pro 4CB
- 输入端子:
四个螺丝端子输入:1/L、3、5 与 7/N - 输出端子:
四个螺丝端子输出:2、4、6 与 8 - 以太网接口:
1 个 RJ45 接口
⚠ 注意! 仅在设备断电时插拔网线!用户接触的部分不应为金属材质,以免触电风险。
连接方式
- 以太网
- Wi-Fi
- 蓝牙
安全功能
- 过流保护
- 磁力与温度触发
- 型号 C 跳闸曲线
- 过压与欠压保护(可通过安全开关禁用)
- 由 MCU 控制
- 用户可自定义
支持的负载类型
任何不超过断路器额定电流的负载。
用户界面
输入部分
- 手动操作手柄:用于手动连接或断开断路器。
- 复位按钮
- 长按 5 秒:启用设备热点(AP)模式及蓝牙连接。
- 长按 10 秒:恢复出厂设置。
- 安全开关:用于禁用 MCU 对断路器的控制。
输出部分
- 前置指示灯(颜色不同)
- 蓝色:处于 AP 模式时亮起。
- 红色:处于 STA 模式但未连接到 Wi-Fi 网络时亮起。
- 黄色:处于 STA 模式且已连接到 Wi-Fi 网络,但未连接 Shelly Cloud,或已禁用 Shelly Cloud 时亮起。
- 绿色:处于 STA 模式且已连接到 Wi-Fi 网络并成功连接至 Shelly Cloud 时亮起。
- 红蓝闪烁:固件升级(OTA)正在进行中。
- 以太网指示灯(绿色):当以太网连接正常时亮起。
- 机械状态指示灯
- 红色:表示闭合状态(手柄向上)。
- 绿色:表示断开状态(手柄向下)。
规格参数
| 项目 | 参数值 |
|---|---|
| 物理特性 | |
| 尺寸(高×宽×深) | 93×36×74 mm / 3.66×1.42×2.91 in(Shelly Pro 1CB) 93×54×76 mm / 3.66×2.13×3.00 in(Shelly Pro 2CB) 93×72×76 mm / 3.66×2.83×3.00 in(Shelly Pro 3CB) 93×90×76 mm / 3.66×3.54×3.00 in(Shelly Pro 4CB) |
| 重量 | 210 g / 7.4 oz(Shelly Pro 1CB) 325 g / 11.5 oz(Shelly Pro 2CB) 474 g / 16.7 oz(Shelly Pro 3CB) 634 g / 22.4 oz(Shelly Pro 4CB) |
| 螺丝端子最大扭矩 | 2.5 Nm / 22 lbin |
| 导线截面积 | 最大 25 mm² / 3 AWG(硬线) 最大 16 mm² / 5 AWG(软线) |
| 导线剥皮长度 | 15 mm / 0.6 in |
| 安装方式 | DIN 导轨 |
| 外壳材质 | 塑料 |
| 外壳颜色 | RAL 7035(浅灰色) |
| 环境条件 | |
| 工作环境温度 | -5℃ 至 40℃ / 23℉ 至 105℉ |
| 湿度 | 30% 至 70% RH |
| 最大海拔高度 | 2000 m / 6562 ft |
| 污染等级 | 2 |
| 电气参数 | |
| 供电电压 | 230 V~ 50 Hz |
| 功耗 | < 3 W |
| 极数 | 1、2、3 或 4 |
| 断路器跳闸曲线 | C |
| 断路器额定电流 | 10 A、16 A、25 A、32 A、40 A、63 A |
| 短路分断能力 | 6 kA |
| 能量限制等级 | 3 |
| 最小工作电压 | 160 V~ 50 Hz |
| 绝缘电压 | 500 V |
| 额定冲击耐受电压 | 4 kV |
| 适用标准 | IEC 60898-1 |
| 耐用性 | |
| 电气寿命 | > 6000 次循环 |
| 机械寿命 | > 20000 次循环(Shelly Pro 1CB、Shelly Pro 2CB) > 10000 次循环(Shelly Pro 3CB、Shelly Pro 4CB) |
| 远程切换频率 | < 1 次/分钟 |
| 传感器与仪表 | |
| 交流电压表 | 支持 |
| 电压表精度 | ±5 % |
| 内置温度传感器 | 支持 |
| 无线通信 | |
| Wi-Fi | |
| 协议 | 802.11 b/g/n |
| 射频频段 | 2412 – 2483 MHz |
| 最大射频功率 | < 20 dBm |
| 传输距离 | 室内最多 30 米 / 100 英尺,室外最多 50 米 / 160 英尺 (具体取决于当地环境) |
| 蓝牙 | |
| 协议 | 4.2 |
| 射频频段 | 2402 – 2480 MHz |
| 最大射频功率 | < 4 dBm |
| 传输距离 | 室内最多 10 米 / 33 英尺,室外最多 30 米 / 100 英尺 (具体取决于当地环境) |
| 微控制器单元 | |
| CPU | ESP32-D0WDQ6 |
| 闪存容量 | 8 MB |
| 固件功能 | |
| 事件日志 | 最多记录 100 条事件 |
| 数据导出 | 支持电能质量(PQ)数据导出为 CSV 格式;通过 RPC 接口以 JSON 格式导出 |
| 定时任务 | 支持 |
| Webhooks(URL 动作) | 支持 20 个,每个可配置最多 5 个 URL… |
| Wi-Fi 信号扩展器 | 支持 |
| BLE 网关 | 支持 |
| 脚本功能 | 支持 |
| MQTT 协议 | 支持 |
| 加密支持 | 支持 |
基础接线图
Shelly Pro 1CB

图例说明
| 端子 | 描述 | 电线 | 描述 |
|---|---|---|---|
| 1/L | 输入端子(1/L 和 N 线为设备供电) | L | 相线(火线) |
| 2 | 输出端子 | N | 零线 |
| LAN | 局域网 RJ45 接口 |
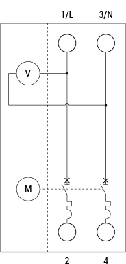
Shelly Pro 2CB

图例说明
| 端子 | 描述 | 电线 | 描述 |
|---|---|---|---|
| 1/L, 3/N | 输入端子(1/L 与 3/N 提供电源) | L | 相线(火线) |
| 2, 4 | 输出端子 | N | 零线 |
| LAN | 局域网 RJ45 接口 |
Shelly Pro 3CB

图例说明
| 端子 | 描述 | 电线 | 描述 |
|---|---|---|---|
| 1/L, 3, 5 | 输入端子(1/L 与 N 线为设备供电) | LA | 相线 1(火线) |
| 2, 4, 6 | 输出端子 | LB | 相线 2(火线) |
| LAN | 局域网 RJ45 接口 | LC | 相线 3(火线) |
| N | 零线 |
Shelly Pro 4CB

图例说明
| 端子 | 描述 | 电线 | 描述 |
|---|---|---|---|
| 1/L, 3, 5, 7/N | 输入端子(1/L 与 7/N 提供电源) | LA | 相线 1(火线) |
| 2, 4, 6, 8 | 输出端子 | LB | 相线 2(火线) |
| LAN | 局域网 RJ45 接口 | LC | 相线 3(火线) |
| N | 零线 |
故障排除
...
组件与 API
合规性文件
Shelly Pro Bssnt of compliance.pdf
打印版用户手册
Shelly Pro CBs 多语言打印版用户与安全指南.pdf
安装指南
目前暂无相关标签的条目。