
Shelly Pro 4PM V2 是 Shelly Pro 4PM V1(SPSW-004PE16EU)的改进版本。
与 Shelly Pro 4PM V1 的差异在下方文本中以 ≠ 符号标出。
主要变更:
- 接线端子:四个双端子负载接线端子已被五个独立的螺钉端子取代。
- 以太网接口(LAN):提升了高压电气间距。
设备识别信息(≠)
- 设备名称:Shelly Pro 4PM V2
- 设备型号:SPSW-104PE16EU
- 设备 SSID:ShellyPro4PM-XXXXXX
简要说明
Shelly Pro 4PM 是一款可安装于导轨的四通道智能开关,具备电能测量功能。通过集成所有 gen2 固件灵活性、以太网连接和彩色图形显示屏,为专业集成商提供了更多面向终端客户的应用解决方案。该设备既可在本地 Wi-Fi 网络中独立运行,也可通过云家庭自动化服务进行控制。
只要设备连接到 Wi-Fi 路由器并接入互联网,用户即可从任何具备网络连接的位置远程访问、控制和监控 Shelly Pro 4PM。
Shelly Pro 4PM 内置 Web 界面,可用于监控和控制设备,以及调整其各项设置。
主要应用场景
- 住宅建筑
- 多住户单元(公寓、联排别墅、酒店等)
- 轻型商业场所(小型办公楼、小型零售店/餐厅/加油站等)
- 政府及市政设施
- 大学/学院
兼容集成
- Alexa
- Samsung SmartThings
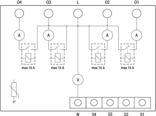
简化内部电路图(≠)

设备电气接口
输入
- 4 个螺丝端子上的开关/按钮输入:S1、S2、S3、S4
- 2 个螺丝端子上的电源输入:1 个 N(零线)、1 个 L(火线)
输出
- 4 个继电器输出:O1、O2、O3、O4
以太网端口
- 1 个 RJ45 接口
⚠ 注意! 仅在设备断电时插拔或拔出以太网电缆!用户在插拔网线时接触的部分不得为金属材质。
连接方式
- 以太网
- Wi-Fi
- 蓝牙
安全特性
- 过热保护
- 过压保护
- 过流保护
- 过功率保护
支持的负载类型
- 阻性负载(白炽灯泡、加热设备)
- 容性负载(电容组、电子设备、电机启动电容)
- 带 RC 吸收电路的感性负载(LED 灯驱动器、变压器、风扇、冰箱、空调)
用户界面
输入
前板上的三个按键:
左侧按钮:
- 按下:在当前显示菜单中向上滚动
中间按钮:
- 按下:在当前显示菜单中向下滚动
右侧按钮:
- 按下:唤醒设备显示屏
- 长按:进入菜单界面
- 按下:选择菜单项
- 在子菜单中长按:返回主菜单
输出
彩色 LCD 显示屏。
屏幕顶部状态栏显示简要状态信息:
- 时间
- 蓝牙连接状态:
- 已禁用 – 无图标
- 已启用 – 蓝色图标
- 以太网状态:
- 已禁用 – 无图标
- 已启用但未连接 – 红色图标
- 已连接 – 绿色图标
- Wi-Fi STA 状态:
- 已禁用 – 无图标
- 已启用但未连接 – 红色图标
- 已连接 – 绿色图标
- Wi-Fi AP 状态:
- 已禁用 – 无图标
- 已启用但未连接 – 红色图标
- 已连接 – 绿色图标
- 云端状态:
- 已禁用 – 无图标
- 已启用但未连接 – 红色图标
- 已连接 – 绿色图标
屏幕其余部分用于显示设备菜单界面:
- 主屏幕(默认):
- 输出 1 开/关
- 输出 2 开/关
- 输出 3 开/关
- 输出 4 开/关
- 网络:
- 启用/禁用 Wi-Fi AP
- 启用/禁用 Wi-Fi
- 启用/禁用 以太网
- 启用/禁用 蓝牙
- 状态:
- 显示完整状态信息
- 维护:
- 重置 Wi-Fi
- 恢复出厂设置
- 重启设备
规格参数
| 类别 | 参数值 |
|---|---|
| 物理特性 | |
| 尺寸(高×宽×深) | 96×53×59 ±0.02 mm / 3.78×2.01×2.32 ±0.02 in |
| 重量 | — |
| 安装方式 | DIN 导轨 |
| 螺丝端子最大扭矩 | 0.4 Nm / 3.5 lbin(绿色端子) |
| 导线截面积 | 0.5 至 2.5 mm² / 20 至 14 AWG(绿色端子) |
| 导线剥线长度 | 6 至 7 mm / 0.24 至 0.28 in(绿色端子) |
| 外壳材质 | 塑料 |
| 颜色 | 黑色 |
| 环境条件 | |
| 环境温度 | -20 °C 至 40 °C / -5 °F 至 105 °F |
| 湿度 | 30 % 至 70 % 相对湿度 |
| 最大海拔高度 | 2000 m / 6562 ft |
| 电气参数 | |
| 交流供电电压 | 110 - 240 V |
| 直流供电电压 | 不适用 |
| 功耗 | < 4 W |
| 是否需要中性线 | 否 |
| 输出回路额定值 | |
| 最大切换电压(交流) | 240 V |
| 最大切换电压(直流) | 不适用 |
| 最大切换电流(交流) | 每通道 16 A,总计 40 A |
| 最大切换电流(直流) | 不适用 |
| 传感器与仪表 | |
| 电压表(交流) | 支持 |
| 电流表(交流) | 支持 |
| 内置温度传感器 | 支持 |
| 无线通信 | |
| 射频频段 | 2400 - 2495 MHz |
| 最大射频功率 | <20 dBm |
| Wi-Fi 协议 | 802.11 b/g/n |
| Wi-Fi 传输范围 | 室内最高 30 米 / 100 英尺,室外最高 50 米 / 160 英尺 (具体取决于当地环境) |
| 蓝牙协议 | 4.2 |
| 蓝牙传输范围 | 室内最高 10 米 / 33 英尺,室外最高 30 米 / 100 英尺 (具体取决于当地环境) |
| 微控制器(MCU) | |
| CPU | ESP32-D0WDQ6 |
| 闪存容量 | 8 MB |
| 固件功能 | |
| 定时任务 | 20 个 |
| Webhooks(URL 操作) | 20 个,每个支持最多 5 个 URL |
| 脚本支持 | 支持 |
| MQTT | 支持 |
| CoAP | 不支持 |
基础接线图(≠)
| 阻性负载 | 感性负载 + RC 吸收电路 |
|---|---|
![]() | ![]() |
图例说明
| 端子 | 描述 | 导线 | 描述 |
|---|---|---|---|
| O1, O2, O3, O4 | 负载电路输出端子 | L | 火线(110–240 V) |
| S1, S2, S3, S4 | 开关/按钮输入端子 | N | 零线 |
| L | 火线(110–240 V)端子 | ||
| N | 零线端子 | ||
| LAN | 局域网 RJ45 接口 |
Shelly Smart Control 应用
Shelly Web 用户界面
故障排查
...
组件与 API
打印版用户手册
合规声明
安装指南
(目前暂无安装指南列出)

