设备图片

设备识别信息
设备名称: Shelly 单通道解耦器 230V
设备型号: 无
设备SSID: 无
设备名称: Shelly 四通道解耦器 230V
设备型号: 无
设备SSID: 无
简要说明
Shelly 单通道解耦器 230V / Shelly 四通道解耦器 230V 是一种电子组件,通过光敏光学接口(八倍隔离器)将两个独立的电气电路(交流电到直流电)进行连接。该设备专为与 Shelly Plus Uni、Plus Add-on、Plus RGBW PM 及 Pro RGBW PM 设备,以及各类控制器(如开关和按钮)配合使用而设计,可实现利用交流电源切换直流输入。
主要特性
- 隔离并控制直流负载: 利用现有的交流电来触发直流设备的输入信号。适用于升级改造场景或外部/专用开关。
应用场景
- 第三方传感器连接: 将需要或适用于交流转直流输入的第三方传感器接入系统,例如:人体红外传感器(PIR)、微波传感器、光照控制装置、红外运动探测器、挥手感应器等。
简化内部原理图

设备电气接口
Shelly 单通道解耦器 230V
输入端口
- 两根电缆输入线:1 根 L(火线),1 根 N(零线)
输出端口
- 两根电缆输出线:4 Ʇ(接地/负极),4 +(正极)
Shelly 四通道解耦器 230V
输入端口
- 两根电缆输入线:1 根 L(火线),1 根 N(零线)
输出端口
- 四根电缆输出线:4 Ʇ(接地/负极),4 +(正极)
支持的 Shelly 设备
- Shelly Plus RGBW PM
- Shelly Plus Add-On
- Shelly Plus Uni
- Shelly Pro RGBWW PM
规格参数
物理特性
| 属性 | 值 |
|---|---|
| 尺寸(高×宽×深) | 48×13×7 毫米 / 1.89×0.51×0.27 英寸(单通道解耦器) 44×34×7 毫米 / 1.73×1.34×0.27 英寸(四通道解耦器) |
| 重量 | 14 克 / 0.49 盎(单通道解耦器) 25 克 / 0.88 盎(四通道解耦器) |
| 外壳颜色 | 白色(230V 单通道及四通道解耦器) 黑色(120V 单通道及四通道解耦器) |
| 电缆长度 | 80 毫米 |
| 剥线长度 | 5 毫米 |
| 导线颜色 | 棕色(I),蓝色(N),红色(O),黑色(Ʇ)(单通道解耦器) 棕色(I1-I4),蓝色(N),红色(O1-O4),黑色(Ʇ)(四通道解耦器) |
环境条件
| 属性 | 值 |
|---|---|
| 工作环境温度 | 0 至 40 °C / 32 至 104°F |
| 存储温度 | -20°C 至 40°C / -5°F 至 105°F |
| 湿度 | 30 % 至 70 % 相对湿度(RH) |
| 最大海拔高度 | 2000 米 / 6562 英尺 |
电气参数
| 属性 | 值 |
|---|---|
| 功耗 | < 0.6 瓦 |
| 输入电压 | 120V~ 60 Hz(120V 单通道及四通道解耦器) 230V~ 50 Hz(230V 单通道及四通道解耦器) |
| 最大输出电流 | 2.4 毫安 ⎓ |
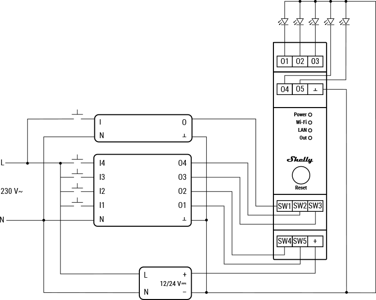
基础接线图




接线端子与导线对应关系
| 端子 | 功能 | 导线 | 功能 |
|---|---|---|---|
| I1, I2, I3, I4 | 输入端子 | I | 交流输入线(单通道解耦器 230V) |
| ⊥ | 12/24 ⎓ 接地端子 | I1, I2, I3, I4 | 交流输入线(四通道解耦器 230V) |
| DIGITAL IN | 数字输入端子 | O | 直流输出线(单通道解耦器 230V) |
| GND | 12/24 ⎓ 接地端子 | O1, O2, O3, O4 | 直流输出线(四通道解耦器 230V) |
| IN1, IN2 | 数字输入端子 | N | 零线 |
| SW1, SW2, SW3, SW4, SW5 | 输入端子 | Ʇ | 12/24 ⎓ 接地线 |
| ⊥ | 12/24 ⎓ 接地端子 | L | 火线(230 V~) |
| N | 零线 |