
Shelly Plus Plug S V2 是 Shelly Plus Plug S(SNPL-0112EU)的改进版本。
与前代相比,Shelly Plus Plug S V2 在机械性能上有所提升。视觉上的主要区别是增加了两个对称的凹槽,便于插拔。
以下文本中,与 Shelly Plus Plug S 的差异用 ≠ 符号标注。
设备识别 ≠
- 设备名称: Shelly Plus Plug S V2
- 设备型号: SNPL-10112EU
- 设备SSID: ShellyPlusPlugS-XXXXXX
简要说明
Shelly Plus Plug S V2(以下简称“该设备”)是一款具备电量测量和过热保护功能的智能插座/电源适配器,可通过手机、平板电脑、PC 或家庭自动化系统远程控制电器设备。该设备可在本地 Wi-Fi 网络中独立运行,也可通过云端家庭自动化服务进行操作。
只要设备连接至路由器并接入互联网,用户即可在任何具备网络连接的地方远程访问、配置和监控该设备。
该设备内置网页界面,可用于监控和控制设备,以及调整其各项设置。
主要应用场景
- 住宅用途
- 多住户单元(如公寓、公寓楼、酒店等)
- 轻型商业场所(如小型办公楼、小型零售店/餐厅/加油站等)
- 政府及市政设施
- 大学/学院
兼容集成
- Samsung SmartThings
- Alexa
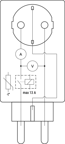
简化内部电路图

设备电气接口
输入
- 1 个 CEE 7/7 插头
输出
- 1 个 CEE 7/3 插座(Type-F / Schuko 标准)
连接方式
- Wi-Fi
- 蓝牙(Bluetooth)
安全特性
- 过热保护
- 过压保护
- 过流保护
- 过功率保护
支持的负载类型
- 阻性负载(如白炽灯、加热设备)
- 容性负载(如电容组、电子设备、电机启动电容)
- 感性负载(如 LED 驱动器、变压器、风扇、冰箱、空调)
用户界面
输入
- 1 个按钮
- 短按:切换输出开关状态(开/关)
- 长按 3 秒:检查设备状态(仅当输出关闭时可用)
- 长按 5 秒:重启设备(插入电源后最多 60 秒内有效)
- 长按 10 秒:恢复出厂设置(插入电源后最多 60 秒内有效)
输出
- LED 指示灯
- 首次插入电源时:
- 蓝色闪烁,表示处于 AP 模式。
- 成功连接到 Wi-Fi 网络后再次通电:
- 红色缓慢闪烁,表示设备正在重新连接 Wi-Fi 网络。
- 红色常亮,表示设备无法重新连接到 Wi-Fi 网络。
- 当输出开启时:
- 功率消耗由颜色平滑变化表示(默认模式):
- 0% 功率上限 → 绿色光
- 50% 功率上限 → 黄色光
- 100% 功率上限 → 红色光
- 用户可自定义亮度(默认亮度:100%)
- 自定义颜色(默认颜色:绿色,默认亮度:100%)
- 关闭(默认)
- 功率消耗由颜色平滑变化表示(默认模式):
- 当输出关闭时:
- 关闭(默认)
- 自定义颜色(默认颜色:红色,默认亮度:100%)
- 当正在进行固件升级(OTA)时:
- 红色闪烁
- 首次插入电源时:
规格参数
| 类别 | 参数值 |
|---|---|
| 物理规格 | |
| 尺寸(高×宽×深): | 44×44×70 ±0.5 毫米 / 1.73×1.73×2.75 ±0.02 英寸 |
| 重量: | 60 ±1 克 / 2.08 ±0.04 盎司 |
| 兼容插座: | CEE 7/1、CEE 7/3(Type F / Schuko)或 CEE 7/5(Type E) |
| 兼容插头: | CEE 7/2、CEE 7/4(Type F / Schuko)、CEE 7/7、CEE 7/16(Type C)或 CEE 7/17 |
| 外壳材质: | 塑料 |
| 颜色: | 白色 |
| 环境条件 | |
| 环境温度: | -20 °C 至 40 °C / -5 °F 至 105 °F |
| 湿度: | 30 % 至 70 % 相对湿度(RH) |
| 最大海拔高度: | 2000 米 / 6562 英尺 |
| 电气参数 | |
| 交流供电电压: | 230 V ±10 %,50/60 Hz |
| 直流供电电压: | 不适用 |
| 功耗: | < 1 瓦 |
| 输出电路额定值 | |
| 最大开关电压(交流): | 260 伏 |
| 最大开关电压(直流): | 不适用 |
| 最大开关电流(交流): | 12 安培 |
| 最大开关电流(直流): | 不适用 |
| 传感器与计量功能 | |
| 内置温度传感器: | 是 |
| 电压表: | 是 |
| 电流表: | 是 |
| 功率与电能计量: | 是 |
| 无线通信 | |
| 射频频段: | 2400 - 2495 兆赫 |
| 最大射频功率: | < 20 分贝毫瓦(dBm) |
| Wi-Fi 协议: | 802.11 b/g/n |
| Wi-Fi 传输范围: | 室内最大 30 米 / 100 英尺,室外最大 50 米 / 160 英尺 (具体取决于现场环境) |
| 蓝牙协议: | 4.2 |
| 蓝牙传输范围: | 室内最大 10 米 / 33 英尺,室外最大 30 米 / 100 英尺 (具体取决于现场环境) |
| 微控制器(MCU) | |
| 处理器(CPU): | ESP32 |
| 存储容量(Flash): | 4 MB |
| 固件功能 | |
| Webhooks(URL 操作): | 支持最多 20 个,每个支持 5 个 URL |
| 脚本支持: | 是 |
| MQTT 支持: | 是 |
| CoAP 支持: | 否 |
故障排除
...