
设备识别
- 设备名称: Shelly Pro 4PM
- 设备型号: SPSW-004PE16EU
- 设备SSID: ShellyPro4PM-XXXXXX
简要描述
Shelly Pro 4PM 是一款可安装于导轨的四通道智能开关,具备电力测量功能。通过搭载所有 gen2 固件的灵活性和以太网连接能力,为专业集成商提供了更多面向终端客户的解决方案选择。该设备既可在本地 Wi-Fi 网络中独立运行,也可通过云家庭自动化服务进行操作。
只要设备连接到 Wi-Fi 路由器并接入互联网,用户即可在任何具备网络连接的地方远程访问、控制和监控 Shelly Pro 4PM。
Shelly Pro 4PM 内置网页界面,可用于监控和控制设备,以及调整其设置。
主要应用场景
- 住宅
- 多住户单元(公寓、别墅、酒店等)
- 轻型商业(小型办公楼、小型零售/餐厅/加油站等)
- 政府/市政机构
- 大学/学院
集成支持
- Alexa
- Samsung SmartThings
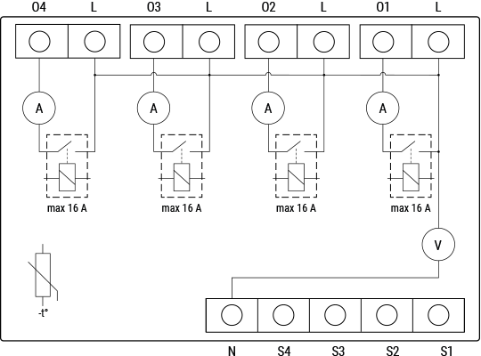
简化内部电路图

设备电气接口
输入端口
- 4 个螺丝端子开关/按钮输入:S1、S2、S3、S4
- 5 个电源输入螺丝端子:1 个 N 和 4 个 L
输出端口
- 4 个继电器输出:O1、O2、O3、O4
以太网端口
- 1 个 RJ45 接口
⚠ 注意! 仅在设备断电时插拔网线!插拔网线时,请勿用手触碰金属部分。
连接方式
- 以太网
- Wi-Fi
- 蓝牙
安全特性
- 过热保护
- 过压保护
- 过流保护
- 过功率保护
支持的负载类型
- 电阻性负载(白炽灯泡、加热设备)
- 电容性负载(电容组、电子设备、电机启动电容)
- 带 RC 吸收电路的电感性负载(LED 灯驱动器、变压器、风扇、冰箱、空调)
用户界面
输入部分
前面板上的三个按键:
左侧按钮:
- 按下:在当前显示菜单中向上滚动
中间按钮:
- 按下:在当前显示菜单中向下滚动
右侧按钮:
- 按下:唤醒设备显示屏
- 长按:进入菜单界面
- 按下:选择菜单项
- 在子菜单中长按:返回主菜单
输出部分
彩色 LCD 显示屏。
屏幕顶部显示简要状态信息:
- 时间
- 蓝牙连接状态:
- 已禁用 – 无图标
- 已启用 – 蓝色图标
- 局域网(LAN)状态:
- 已禁用 – 无图标
- 已启用但未连接 – 红色图标
- 已连接 – 绿色图标
- Wi-Fi STA 状态:
- 已禁用 – 无图标
- 已启用但未连接 – 红色图标
- 已连接 – 绿色图标
- Wi-Fi AP 状态:
- 已禁用 – 无图标
- 已启用但未连接 – 红色图标
- 已连接 – 绿色图标
- 云服务状态:
- 已禁用 – 无图标
- 已启用但未连接 – 红色图标
- 已连接 – 绿色图标
屏幕其余部分用于显示设备菜单界面:
主界面(默认界面):
- 输出 1 开关状态
- 输出 2 开关状态
- 输出 3 开关状态
- 输出 4 开关状态
网络:
- 启用/禁用 Wi-Fi AP
- 启用/禁用 Wi-Fi
- 启用/禁用 以太网
- 启用/禁用 蓝牙
状态:
显示完整的设备状态信息维护:
- 重置 Wi-Fi 设置
- 恢复出厂设置
- 重启设备
规格参数
| 类别 | 参数值 |
|---|---|
| 物理特性 | |
| 尺寸(高×宽×深) | 96×53×59 ±0.5 mm / 3.78×2.01×2.32 ±0.02 in |
| 重量 | |
| 安装方式 | DIN 导轨 |
| 螺丝端子最大扭矩 | 0.4 Nm / 3.5 lbin |
| 导线截面积 | 0.5 至 2.5 mm² / 20 至 14 AWG |
| 导线剥线长度 | 6 至 7 mm / 0.24 至 0.28 in |
| 外壳材质 | 塑料 |
| 颜色 | 黑色 |
| 环境条件 | |
| 环境温度 | -20 °C 至 40 °C / -5 °F 至 105 °F |
| 湿度 | 30 % 至 70 % 相对湿度 |
| 最大海拔高度 | 2000 m / 6562 ft |
| 电气参数 | |
| 交流供电电压 | 110 - 240 V |
| 直流供电电压 | 不适用 |
| 功耗 | < 4 W |
| 是否需要零线 | 否 |
| 输出回路额定值 | |
| 最大切换电压(交流) | 240 V |
| 最大切换电压(直流) | 不适用 |
| 最大切换电流(交流) | 每通道 16 A,总计 40 A |
| 最大切换电流(直流) | 不适用 |
| 传感器与仪表 | |
| 电压表(交流) | 支持 |
| 电流表(交流) | 支持 |
| 内置温度传感器 | 支持 |
| 无线通信 | |
| 射频频段 | 2400 - 2495 MHz |
| 最大射频功率 | <20 dBm |
| Wi-Fi 协议 | 802.11 b/g/n |
| Wi-Fi 传输范围 | 室内最高 30 米 / 100 英尺,室外最高 50 米 / 160 英尺 (受本地环境影响) |
| 蓝牙协议 | 4.2 |
| 蓝牙传输范围 | 室内最高 10 米 / 33 英尺,室外最高 30 米 / 100 英尺 (受本地环境影响) |
| 微控制器(MCU) | |
| CPU | ESP32-D0WDQ6 |
| 闪存容量 | 8 MB |
| 固件功能 | |
| 任务计划数 | 20 |
| Webhooks(URL 动作) | 支持 20 个,每个最多配置 5 个 URL |
| 脚本支持 | 支持 |
| MQTT | 支持 |
| CoAP | 不支持 |
基础接线图

电阻性负载
图例说明
| 端子 | 描述 | 电线 | 描述 |
|---|---|---|---|
| O1, O2, O3, O4 | 负载电路输出端子 | L | 火线(110–240 V~) |
| S1, S2, S3, S4 | 开关/按钮输入端子 | N | 零线 |
| L | 火线(110–240 V~)端子 | ||
| N | 零线端子 | ||
| LAN | 局域网 RJ45 接口 |
Shelly Smart Control
Shelly Web 用户界面
故障排查
...
组件与 API
打印版用户手册
合规声明
安装指南
当前暂无相关标签的条目。