Skip to content

Shelly Pro 3EM-3CT63

Shelly Pro 3EM-3CT63
3CT 63 A render - B and R swapped

设备识别

  • 设备名称:Shelly Pro 3EM 3CT63
  • 设备型号:SPEM-003CEBEU63
  • 设备SSID:ShellyPro3EM3CT63-XXXXXXXX
  • 设备蓝牙ID:0x1025

简要描述

Shelly Pro 3EM-3CT63(以下简称“设备”)是一款可安装在导轨上的单相或三相电能表。该设备具备 gen2 固件的全部灵活性和以太网连接功能,为专业集成商提供了更多面向终端客户的应用解决方案。它既可独立运行于本地局域网和/或 Wi-Fi 网络中,也可通过 Modbus、MQTT、HTTP 和 WebSocket 协议接入云家庭自动化服务。

所有入站连接均支持 TLS 加密。

该设备可实时报告累积电能以及各相/通道的瞬时电压、电流、有功功率和视在功率。数据存储在非易失性内存中,可保存长达 60 天的分钟级数据记录。

设备内置实时时钟,在与 SNTP 服务器断连的情况下仍可保持时间准确。

用户可通过网络远程访问、配置和监控该设备;同时,只要处于同一网络基础设施中,设备也能与自动化系统进行通信和交互。

设备配备嵌入式 Web 界面,可用于监控和控制设备,并调整其设置。

注意! 该设备不带内置继电器。接触器控制需通过附加 Shelly Pro 3EM Switch Add-on 实现。

主要特性

  • 四象限测量
  • 导轨安装
  • 多种连接方式:支持三相或单相安装
  • 电流互感器输入:非接触式测量
  • 相序错误检测*(可选)
  • 通道间校准**
  • 无负载阈值***
  • 能量使用情况的光脉冲指示
  • 实时时钟:即使互联网中断,已存储的数据仍保留正确的时间戳 ****
  • 数据日志:设备可存储最多 60 天的分钟级数据,供后续检索
  • 外部接触器控制:可根据设备自动化或脚本控制负载。需配合添加 Shelly 3EM Switch Add-on 使用
  • 准确度等级 B(IEC 62053-21)
  • 光伏系统兼容
  • 该设备具备相序错误检测电路。该检测基于相电压,仅监测零点穿越事件。正常顺序应为:相 A → 相 B → 相 C。若实际顺序为相 A → 相 C → 相 B,则当启用“相序错误检测”功能时,设备将报告 phase_sequence 错误。
    ** 每个通道至少需要 500 W 的负载才能正常工作。
    *** 当三相总负载低于每通道 30 VA 时,虽然会显示测量功率值,但不会累计电能数据,并且在设备 Web 界面及移动应用中会显示 No load threshold(无负载阈值)警告。
    **** 由于 Shelly 设备依赖互联网获取时间,若出现网络中断或安装环境限制,内置时钟可确保记录的时间戳仍然准确。

应用场景

专为直接安装在断路器上方设计的组合式三相电流互感器(CT)。

  1. 工业电力分配

    • 在拥有复杂电力分配系统的工业环境中,将组合式三相 CT 安装在断路器上,可高效测量并监控电流水平。这对优化能源使用、实现故障实时预警至关重要。
  2. 商业建筑与设施

    • 对于电气面板空间有限的商业建筑,紧凑型 CT 设计极具优势。直接安装在断路器上,既节省空间又保证了精确的电流测量。
  3. 电机控制中心(MCCs)

    • 常见于制造厂和工业设施中的电机控制中心通常包含多个断路器。在每个断路器上安装组合式三相 CT,可实现对电机电流的集中监控,有助于预防性维护和故障排查。
  4. 数据中心

    • 在对功耗监测要求极高的数据中心,可在关键设备的断路器上安装组合式三相 CT,精准测量电流,保障系统稳定运行。
  5. 可再生能源系统

    • 在太阳能或风能等可再生能源系统中,将三相 CT 安装在控制柜的断路器上,可实现对电流的准确测量,便于系统监控与控制。
  6. 变电站监控

    • 在空间紧张的变电站中,组合式三相 CT 可显著提升布设效率。直接安装在断路器上,有助于监测各相电流,提升变电站整体稳定性与可靠性。
  7. 楼宇管理系统(BMS)

    • 智能楼宇管理系统需要实时准确的用电数据。在断路器上安装三相 CT,可提供必要的信息,用于能源管理及需求响应策略制定。
  8. 电能质量监测

    • 在对电能质量要求极高的场景(如精密电子设备或医疗设施),组合式三相 CT 可用于监测电流波形,及时发现影响供电质量的异常。
  9. 电气面板升级

    • 在电气面板改造或升级过程中,空间常成瓶颈。采用可直接安装在断路器上的组合式三相 CT,可在不牺牲测量精度的前提下节省空间。
  10. 智能电网部署

    • 在智能电网背景下,实时数据对于电网管理与优化至关重要。在断路器上部署组合式三相 CT,可提供精准的电流信息,支持电网监控与控制。

在上述各类应用场景中,组合式三相 CT 提供了一种省空间、一体化的电流测量解决方案,显著提升了电气系统的整体效率、安全性和可靠性。

简化内部原理图

Shelly Pro 3EM 内部原理图

设备电气接口

输入端口

  • 4 个螺钉端子接线端子:3 个 L 和 1 个 N
  • 4 个电流互感器输入:3 个用于 L 相电流测量,1 个用于 N 相电流测量

以太网端口

  • 1 个 RJ45 接口

警告! 请在设备断电状态下插拔网线!用户接触的网线插头部分不得为金属材质。

扩展模块接口

  • Shelly 专用串行接口

Pro-3EM-addon-interface

警告! 当设备通电时,扩展模块接口存在高压!

详细输入输出说明

与 Shelly Pro 3EM-3CT63 连接

  • 三个 2 针 MX3.0-2x1Y 连接器

输入

  • 6 个电流互感器线路输入(螺钉端子):3 个用于 + 极性电流测量,3 个用于 极性电流测量

连接方式

  • 以太网
  • Wi-Fi
  • 蓝牙

支持协议

  • Modbus
  • MQTT
  • RPC

安全功能

  • 内置温度感应与上报功能

支持负载类型

  • 阻性负载(白炽灯、加热设备)
  • 容性负载(LED 驱动器、电容组、电子设备、电机启动电容)
  • 感性负载(变压器、风扇、冰箱、空调)

用户界面

输入

  • 一个触觉按钮
    • 短按:切换所连接的 Shelly Pro 3EM Switch Add-on 继电器状态。
    • 长按 5 秒:激活设备 AP 模式。
    • 长按 10 秒:恢复出厂设置。

输出

  • LED 指示灯
    • 电源:电源连接时亮红灯。
    • Wi-Fi(状态可变)
      • 蓝灯:处于 AP 模式。
      • 红灯:处于 STA 模式且未连接到 Wi-Fi 网络。
      • 黄灯:处于 STA 模式且已连接到 Wi-Fi 网络,但未连接至 Shelly Cloud 或已禁用 Shelly Cloud。
      • 绿灯:处于 STA 模式且已连接到 Wi-Fi 网络,并已连接至 Shelly Cloud。
      • 红蓝闪烁:正在进行固件升级(OTA)。
    • LAN:LAN 已连接时亮绿灯。
    • 计数:设备根据设定进行电能测量时,红灯闪烁,频率与流经电路的电能大小相关。

规格参数

项目参数值
物理特性
尺寸(高×宽×深):- Shelly Pro 3EM-3CT63:94×19×69 mm / 3.70×0.75×2.71 in
- Shelly 3CT63:14×54×26 mm / 0.55×2.12×1.02 in
重量:- Shelly Pro 3EM-3CT63:62 g / 2.19 oz
- Shelly 3CT63:32 g / 1.12 oz
螺丝端子最大扭矩:0.4 Nm / 3.5 lbin
导线截面积:- Shelly Pro 3EM-3CT63:0.5 至 2.5 mm² / 20 至 14 AWG
- Shelly 3CT63:0.2 至 2.5 mm² / 24 至 14 AWG(适用于实心、绞合及压接端子)
导线剥线长度:6 至 7 mm / 0.24 至 0.28 in
安装方式:- Shelly Pro 3EM-3CT63:导轨安装
- Shelly 3CT63:自由放置于相线上
Shelly 3CT63 导线孔径:Φ9 mm / Φ0.35 in
外壳材料:塑料
外壳颜色:白色
环境条件
工作环境温度:-20℃ 至 40℃ / -5℉ 至 105℉
湿度:30% 至 70% RH
最大海拔高度:2000 m / 6562 ft
电气参数
电源输入:100–260 V~ 50/60 Hz
功耗:< 3 W
外部保护:B 或 C 型脱扣特性,最大额定电流 16 A,最小分断能力 6 kA,能量限制等级 3
Shelly 3CT63 电气强度:1000 V~, 60 秒
传感器与仪表
内置温度传感器:
交流电压表:100 – 260 V
电压表精度:±1 %
交流电流表:0 – 63 A
电流表精度:±1 %(2 – 63 A),±2 %(1 – 2 A),±5 %(0 – 1 A)
兼容电流互感器:3CT63
功率与电能计量:- 有功功率和视在功率
- 有功电能和视在电能
- 功率因数
- 基波有功电能和基波无功电能
通道间校准最低负载:每通道 ≥ 500 W
无负载阈值:每通道 ≤ 30 VA
测量数据存储:至少保存 60 天,分辨率为 1 分钟
数据导出:- 电能质量(PQ)数据导出为 CSV 格式
- 通过 RPC 接口以 JSON 格式导出
无线通信
Wi-Fi
协议:802.11 b/g/n
射频频段:2400 – 2495 MHz
最大射频功率:< 20 dBm
通信范围:室内最高 30 米 / 100 英尺,室外最高 50 米 / 160 英尺(受本地环境影响)
蓝牙
协议:4.2
射频频段:2400 – 2483.5 MHz
最大射频功率:< 4 dBm
通信范围:室内最高 10 米 / 33 英尺,室外最高 30 米 / 100 英尺(受本地环境影响)
微控制器单元
处理器:ESP32-D0WDQ6
存储容量:16 MB
固件功能
Webhooks(URL 操作):20 个,每个支持最多 5 个 URL
脚本支持:
MQTT 支持:
加密支持:

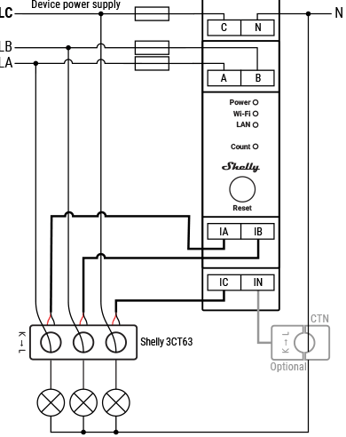
基础接线图

三相接线图
图 1:三相接线图

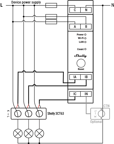
单相接线图
图 2:单相接线图

图例说明

端子接线
A:相 A 端子LA:相 A 火线(110–240 V~)
B:相 B 端子LB:相 B 火线(110–240 V~)
C:相 C 端子LC:相 C 火线(110–240 V~)
N:中性线端子N:中性线
IA:相 A 电流互感器输入
IB:相 B 电流互感器输入
IC:相 C 电流互感器输入
IN:中性线电流互感器输入
3CT63:三相电流互感器 / 63A
CTN:中性线电流互感器(可选,不含)
K → L:一次侧电流流向方向

安装说明

3EM_CT_mouniting overview_swapped BK_RD

图例说明

标签含义
LA, LB, LC三相接线(3~)
L单相接线(1~)
RD红线
BK黑线
K → L一次侧电流流向方向

Shelly Smart Control

故障排除

  1. 检查电流互感器安装是否正确:
    若某回路出现预期外的负读数,请检查电流互感器安装方向(K→L 是否正确)。

  2. 确认设备供电正常:
    检查电源线、插座及设备上的任何电源指示灯。

  3. 检查连接情况:
    确保所有连接(包括电缆和接线)牢固可靠。松动连接可能导致功能异常。

  4. 检查设备设置:
    如适用,请检查并确认设备设置正确,符合您的使用需求。

  5. 更新固件/软件:
    检查是否有可用的固件或软件更新。保持设备最新可解决已知问题并提升性能。

  6. 重启设备:
    有时简单重启即可解决临时故障。关闭设备,等待几秒后重新上电。

  7. 检查网络连接:
    若设备连接网络,请确认网络设置正确。测试网络连接,必要时重启路由器或交换机。

  8. 检查物理部件:
    物理检查设备是否存在损坏、过热或异常行为迹象。

  9. 检查兼容性:
    确保设备与其他系统组件(硬件和软件)兼容。不兼容可能导致故障。

  10. 监控环境因素:
    考虑温度、湿度等环境因素的影响。

  11. 检查电源质量:
    电压波动或浪涌可能影响设备性能。如有需要,建议使用浪涌保护器或稳压器。

以上为通用故障排除步骤,具体操作可能因设备类型或问题而异。若问题持续存在且无法自行解决,请联系我们的技术客户支持

组件与 API

合规性认证

合规文件归档

打印用户手册

安装指南

目前暂无匹配标签的条目。