注意
产品系列“Shelly Qubino Wave”将更名为“Shelly Wave”。此次更名不会影响任何设备的功能。唯一的变化是在未来所有文档中使用新名称。

设备:Wave Plug US
- 美国型号/订购代码:QNPL-001X16US
- Z-Wave 产品类型 ID:0x0002
- Z-Wave 产品 ID:0x0088
- Z-Wave 制造商:Shelly Europe Ltd.
- Z-Wave 制造商 ID:0x0460
术语解释
- 设备 – 在本文档中,“设备”一词指代本指南所描述的 Shelly Qubino 产品。
- 网关 – 指支持 Z-Wave® 通信协议的中央控制设备,也称为 Z-Wave® 控制器、主控制器、主要控制器或 Z-Wave® 中心等。本文档中统一使用“网关”一词。
- S 按钮 – 位于 Z-Wave® 设备上的服务按钮,用于执行多种操作,如添加(包含)、移除(排除)以及恢复出厂设置。本文档中使用“S 按钮”一词。
简要说明
Wave Plug US(设备)是一款具备电量测量与过热保护功能的智能插座,可通过手机、平板电脑、个人电脑或家庭自动化系统远程控制电器设备。
主要应用场景
- 住宅环境
- 多户住宅(公寓、联排别墅、酒店等)
- 轻型商业用途(小型办公楼、小型零售店/餐厅/加油站等)
- 政府及市政机构
- 大学/学院
兼容集成
Qubino 设备基于全球领先的智能家居技术——Z-Wave开发。
这意味着 Qubino 可与所有经过认证且支持 Z-Wave 通信协议的网关兼容。
为确保您的网关能完全支持 Qubino 产品的功能,我们定期对不同型号的 Z-Wave 网关进行兼容性测试。
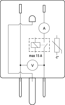
简化内部电路图

设备电气接口
输入
- 1 个 NEMA 5-15(Type-B)插头
输出
- 1 个 NEMA 5-15(Type-B)插座
连接方式
Z-Wave – 不安全模式、S0 安全模式、S2 未认证安全模式、S2 已认证安全模式
安全特性
过热保护
- 自动关闭继电器
- 向网关发送“过热检测到”通知报告
- LED 指示灯按上述规定闪烁(请检查过热检测状态下的闪烁模式)
以下任一操作可复位该警报:断电重启、远程设备重启(通过参数编号 117)、短按 S 按钮。
注意:过热保护始终处于启用状态,无法禁用。
更多详情请参见章节 过热检测通知。
过流保护
当电流持续超过 16A +10%(最大开关电流 +10%)超过 5 秒时,设备将:
- 自动关闭其自身继电器
- 向网关发送“过流检测到”通知报告
- LED 指示灯按上述规定闪烁(请检查过流检测状态下的闪烁模式)
以下任一操作可复位该警报:断电重启、远程设备重启(通过参数编号 117)。
注意:过流保护始终处于启用状态,无法禁用。
更多详情请参见章节 过流检测通知。
过压保护
适用于标准供电电压 230 V AC。若电压持续超过 240 V AC +15%(即 278 V AC)超过 5 秒,设备将:
- 自动关闭其自身继电器
- 向网关发送“过压检测到”通知报告
- LED 指示灯按上述规定闪烁(请检查过压检测状态下的闪烁模式)
以下任一操作可复位该警报:断电重启、远程设备重启(通过参数编号 117)、短按 S 按钮。
注意:过压保护始终处于启用状态,无法禁用。
更多详情请参见章节 过压检测通知。
支持的负载类型
- 阻性负载(白炽灯泡、加热设备)
- 容性负载(电容组、电子设备、电机启动电容)
- 带 RC 阻尼器的感性负载(LED 灯驱动器、变压器、风扇、冰箱、空调)
用户界面
S 按钮与工作模式
- 正常模式
- 设置进行中模式
- 设置模式(通过 S 按钮)
- 设置模式用于启动特定操作,如添加(包含)、移除(排除)、恢复出厂设置等。该模式有时间限制,操作完成后设备会自动返回正常模式。
- 进入设置模式:
- 按住 S 按钮直至 LED 灯变为稳定的蓝色。
- 再次按下 S 按钮可在菜单间无限循环切换。
- 菜单状态指示灯在 10 秒后超时,自动返回正常状态。
S 按钮功能
- 手动将设备加入 Z-Wave 网络
- 手动从 Z-Wave 网络中移除设备
- 将设备恢复出厂设置
LED 信号指示
点击查看 LED 信号指示
正常模式
已移除/已排除:每次通电后,LED 以模式 1 闪烁 蓝色 10 秒。

已添加/已包含:每次通电后,LED 以模式 1 闪烁 紫色 10 秒。

继电器开启且功耗 > 最大值的 85%:每次通电后约 11 秒起,LED 稳定显示 红色。
继电器开启且功耗介于 0W 与最大值 85% 之间:每次通电后约 11 秒起,LED 稳定显示 蓝色。
设置进行中
恢复出厂设置并重启:在恢复出厂设置过程中,LED 稳定显示 紫色。
添加/移除过程中:在添加或移除过程中,LED 以模式 2 闪烁 蓝色。

OTA 固件更新中:在固件更新过程中,LED 以模式 2 闪烁 蓝色和红色。

通过 S 按钮进入设置模式
选择添加/移除菜单:LED 在最多 10 秒内保持 蓝色。
选择添加/移除流程:按住 S 按钮时,LED 以模式 3 闪烁 蓝色。

选择恢复出厂设置菜单:LED 在最多 10 秒内保持 红色。
选择恢复出厂设置流程:按住 S 按钮时,LED 以模式 3 闪烁 红色。

报警模式
检测到过流:LED 以模式 4 闪烁 红色。
检测到过热:LED 以模式 4 闪烁 红色。

检测到过压:LED 以模式 4 闪烁 红色。

规格参数
| 特性 | 参数值 |
|---|---|
| 电源输入 | 120 V ±10%,60 Hz |
| 功耗 | < 0.3 W |
| 功率测量 [W] | 支持 |
| 最大开关电压(交流) | 140 V |
| 最大开关电流(交流) | 15 A |
| 过热保护 | 支持 |
| 过流保护 | 支持 |
| 过压保护 | 支持 |
| 通信距离 | 室内最远可达 40 米(131 英尺) |
| Z-Wave 中继器 | 支持 |
| 处理器 | Z-Wave S800 |
| Z-Wave 频段 | 908.4 MHz |
| 最大射频发射功率 | < 25 mW |
| 尺寸(高 × 宽 × 深) | 38 × 84 × 52 ±0.5 mm / 1.5 × 3.3 × 2.0 in ±0.02 in |
| 重量 | 70 ±1 克 / 2.47 ±0.04 盎 |
| 安装方式 | 壁挂插座 |
| 外壳材质 | 塑料 |
| 颜色 | 白色 |
| 环境温度 | -20°C 至 40°C / -5°F 至 105°F |
| 湿度 | 30% 至 70% RH |
| 最大海拔高度 | 2000 米 / 6562 英尺 |
插座说明


图例说明
| 字母 | 说明 |
|---|---|
| A | 插头 – NEMA 5-15(Type-B) |
| B | S 按钮 |
| C | 插座 – NEMA 5-15(Type-B) |
| D | LED 指示灯 |
关于 Z-Wave
将设备添加至 Z-Wave® 网络(包含)
注意! 若设备成功添加或移除至/从 Z-Wave® 网络,所有设备输出端口(O、O1、O2 等)将执行 1 秒开/关/1 秒开/关的操作。
注意! 若使用安全 2(S2)包含方式,系统将弹出对话框要求您输入设备侧面标签及包装盒内标注的对应 PIN 码(5 位下划线数字)。
重要提示:请妥善保管此 PIN 码。
SmartStart 添加(包含)
支持 SmartStart 的产品可通过扫描设备上的 Z-Wave® 二维码,由支持 SmartStart 的网关完成添加。无需额外操作,设备在通电后 10 分钟内将自动完成添加。
- 使用支持 SmartStart 的网关应用扫描设备标签上的二维码,并将安全 2(S2)设备专用密钥(DSK)添加至配置列表。
- 将设备接入电源。
- 检查蓝色 LED 是否在模式 1 下闪烁。若为真,则表示设备尚未添加。
- 通电后数秒内自动开始添加过程。
- 添加过程中,蓝色 LED 在模式 2 下闪烁。
- 成功添加后,紫色 LED 在模式 1 下闪烁。
使用 S 按钮添加(包含)
- 将设备接入电源。
- 确认蓝色 LED 在模式 1 下闪烁(表示尚未添加)。
- 在网关上启用添加/移除模式。
- 按住 S 按钮直至 LED 变为稳定蓝色(进入设置模式)。
- 松开后,再次按住 S 按钮超过 2 秒,直到蓝色 LED 开始在模式 3 下闪烁。松开后触发学习模式。
- 添加过程中,蓝色 LED 在模式 2 下闪烁。
- 成功添加后,紫色 LED 在模式 1 下闪烁。
注意:在设置模式下,设备将在 10 秒后超时并自动返回正常模式。
从 Z-Wave® 网络中移除设备(排除)
注意:设备将被从您的 Z-Wave® 网络中移除,但自定义配置将保留。
注意! 成功移除后,所有设备输出端口将闪烁 1 秒开/关/1 秒开/关。
使用 S 按钮移除(排除)
- 将设备接入电源。
- 确认紫色 LED 在模式 1 下闪烁(表示已添加)。
- 在网关上启用添加/移除模式。
- 按住 S 按钮直至 LED 变为稳定蓝色。
- 松开后,再次按住 S 按钮超过 2 秒,直到蓝色 LED 在模式 3 下闪烁。松开后启动学习模式。
- 移除过程中,蓝色 LED 在模式 2 下闪烁。
- 成功移除后,蓝色 LED 在模式 1 下闪烁。
注意:在设置模式下,设备将在 10 秒后超时并自动返回正常模式。
恢复出厂设置
通用说明
恢复出厂设置后,所有自定义参数和存储值(如累计用电量、关联关系、路由信息等)将重置为默认值。HOME ID 和 NODE ID 将被删除。仅在网关缺失或无法使用时才应执行此操作。
使用 S 按钮恢复出厂设置
- 按住 S 按钮直至 LED 变为稳定蓝色(进入设置模式)。
- 多次按下 S 按钮,直至 LED 变为稳定红色。
- 按住 S 按钮超过 2 秒,直到红色 LED 在模式 3 下开始闪烁。松开后触发恢复出厂设置。
- 恢复过程中,LED 会短暂变为稳定紫色约 1 秒,随后在模式 3 下蓝红交替闪烁约 2 秒。
- 成功恢复后,蓝色 LED 在模式 1 下闪烁。
通过参数编号 120 进行远程恢复出厂设置
将参数编号 120 设置为 1431655765(十六进制 0x55555555),即可触发远程恢复出厂设置。
Z-Wave 安全与设备专用密钥(DSK)
该设备支持 安全 2(S2),采用强 AES-128 加密,使 Z-Wave® 成为目前最安全的物联网平台之一。
- 已认证控制
- 包含时使用带外 DSK
- 与大多数实现方案兼容
该设备支持 S2 已认证、未认证及不安全包含。
注意:通过支持 S2 的网关添加设备时,需要提供 DSK PIN(前五位数字)。该码印在设备侧边标签上,也包含在包装内。请勿撕掉标签。

前五位数字已加粗/下划线标出。DSK 也以二维码形式呈现。
加入节点时,会在射频传输前将公钥的字节 1–2 设置为 0(0x00)以混淆其身份。
DSK 可用于带外(OOB)认证。
Z-Wave 参数
参数编号 17 – 断电后恢复输出 O(O1)状态
- 大小:1 字节
- 默认值:0
- 取值:
0:保存最后状态并在断电后恢复1:不保存状态;断电后保持关闭
参数编号 19 – 输出 O(O1)定时自动关闭
- 大小:2 字节
- 默认值:0
- 取值:
0:定时关闭功能禁用1–32535:计时单位为秒(或毫秒,详见参数 25)
参数编号 20 – 输出 O(O1)定时自动开启
- 大小:2 字节
- 默认值:0
- 取值:
0:定时开启功能禁用1–32535:计时单位为秒(或毫秒,详见参数 25)
参数编号 23 – 输出 O(O1)触点类型 – 常开/常闭
- 大小:1 字节
- 默认值:0
- 取值:
0:常开(NO)1:常闭(NC)
| 参数值/触点类型 | 命令 | 设备输出状态 |
|---|---|---|
| NO (0) | 关 | 关(0 V) |
| NO (0) | 开 | 开(230 V) |
| NC (1) | 关 | 开(230 V) |
| NC (1) | 开 | 关(0 V) |
参数编号 25 – 设置输出 O(O1)计时单位为秒或毫秒
- 大小:1 字节
- 默认值:0
- 取值:
0:秒1:毫秒
参数编号 36 – 输出 O(O1)功率变化时上报百分比
- 大小:1 字节
- 默认值:50
- 取值:
0:上报功能禁用1–100:变化阈值百分比
注意:功率上报包含电压(V)和电流(A)。
注意:上报频率不超过参数 39 所设定的最小间隔。
注意:Wave Shutter 上报的是 O1 与 O2 的总功率/电流(一次仅一个有效)。
参数编号 39 – 上报之间的最小时间间隔(输出 O, O1)
- 大小:1 字节
- 默认值:30
- 取值:
0:上报功能禁用1–120:间隔单位为秒
注意:与参数 36 相关。
注意:低于 30 秒的值可能导致网络拥堵。
注意:Wave Shutter 上报的是来自 O1 与 O2 的合并功率/电流。
参数编号 91 – 水浸报警
- 大小:4 字节
- 默认值:0
- 取值:
0:无动作1:打开继电器 / 打开百叶窗(向上位置)2:关闭继电器 / 关闭百叶窗(向下位置)
参数编号 92 – 烟雾报警
同上。
参数编号 93 – 一氧化碳报警
同上。
参数编号 94 – 高温报警
同上。
参数编号 105 – LED 信号强度
- 大小:1 字节
- 默认值:100
- 取值:0–100(%)
该功能在 Wave 1、Wave 1PM、Wave 2PM(2024 年版)中实现。支持调光 LED。
参数编号 117 – 远程设备重启
- 大小:1 字节
- 默认值:0
- 取值:
0:功能禁用1:远程重启(仅限故障排查使用)
重启后,该值将自动重置为默认值。
参数编号 120 – 恢复出厂设置
- 大小:4 字节
- 默认值:0
- 取值:
0:不执行恢复1431655765(十六进制0x55555555):执行恢复出厂设置
参数编号 201–203 – 序列号
- 大小:每个 4 字节
- 默认值:2147483647
- 用户不可更改
Z-Wave 命令类
- ASSOCIATION_V2 [S0, S2]*
- ASSOCIATION_GRP_INFO_V3 [S0, S2]*
- BASIC_V2 [S0, S2]*
- SWITCH_BINARY_V2 [S0, S2]*
- CONFIGURATION_V4 [S0, S2]*
- DEVICE_RESET_LOCALLY_V1 [S0, S2]*
- FIRMWARE_UPDATE_MD_V5 [S0, S2]*
- INDICATOR_V3 [S0, S2]*
- MANUFACTURER_SPECIFIC_V2 [S0, S2]*
- METER_V6 [S0, S2]*
- MULTI_CHANNEL_ASSOCIATION_V3 [S0, S2]*
- NOTIFICATION_V8 [S0, S2]*
- POWERLEVEL_V1 [S0, S2]*
- SECURITY_V1
- SECURITY_2_V1
- SUPERVISION_V1
- TRANSPORT_SERVICE_V2
- VERSION_V3 [S0, S2]*
- ZWAVEPLUS_INFO_V2
Z-Wave 通知命令类
检测到过热
| 说明 | 检测到过热 |
|---|---|
| Z-Wave 通知类型名称 | 热警报 |
| 类型 - 值 | 0x04 |
| 事件 | 状态 |
| 通知名称 | 检测到过热 |
| 名称 - 值 | 0x02 |
| 版本 | V2 |
| 设备特有 | 是 |
| LED 信号 | 参见表格 |
| 设备反应 | 关闭所有输出,发送通知 |
| 恢复操作 | 断电重启、远程重启(参数 117)、短按 S 按钮 |
检测到过流
| 说明 | 检测到过流 |
|---|---|
| 通知类型名称 | 电力管理 |
| 类型 - 值 | 0x08 |
| 事件 | 状态 |
| 通知名称 | 检测到过流 |
| 名称 - 值 | 0x06 |
| 版本 | V3 |
| 设备特有 | 是 |
| LED 信号 | 参见表格 |
| 设备反应 | 关闭输出 O,发送通知 |
| 恢复操作 | 断电重启、远程重启(参数 117) |
检测到过压
| 说明 | 检测到过压 |
|---|---|
| 通知类型名称 | 电力管理 |
| 类型 - 值 | 0x08 |
| 事件 | 状态 |
| 通知名称 | 检测到过压 |
| 名称 - 值 | 0x07 |
| 版本 | V3 |
| 设备特有 | 是 |
| LED 信号 | 参见表格 |
| 设备反应 | 关闭所有输出,发送通知 |
| 恢复操作 | 断电重启、远程重启(参数 117)、短按 S 按钮 |
Z-Wave 关联关系
关联关系允许设备间直接通信,无需网关参与。
- 每组最多可关联 9 个设备(固定)。
- 推荐每组 ≤5 个设备,以避免延迟。
- “生命线组”仅限网关使用(1 个节点)。
关联组 1 – 生命线
报告设备状态。仅网关允许。
- INDICATOR_REPORT:LED 状态
- DEVICE_RESET_LOCALLY_NOTIFICATION:收到请求时触发
- SWITCH_BINARY_REPORT:O(O1)状态变更
- NOTIFICATION_REPORT:触发“检测到过热”
- NOTIFICATION_REPORT:触发“检测到过流”
- NOTIFICATION_REPORT:触发“检测到过压”
- METER_REPORT:负载功耗变化时触发(基于参数 36–43)
关联组 2
- 允许节点数:9
- 分配给输出端口 O(O1)
- 由 O(O1)触发
- 支持:BASIC_SET(设置开/关状态)
Z-Wave 重要免责声明
Z-Wave® 无线通信并非总是 100% 可靠。该设备不应用于生命攸关或高价值场景。若网关无法识别,请手动更改设备类型,并确认网关支持 Z-Wave Plus™ 多级设备。
故障排除
如需帮助,请访问:支持门户
与网关的兼容性
| 网关 | 开/关 | 功率(W) | 用电量(kWh) | 电压(V) | 电流(A) | 备注 |
|---|---|---|---|---|---|---|
| Home Assistant | ✅ | ✅ | ✅ | ✅ | ✅ | |
| Homey | ✅ | ✅ | ✅ | ⚪ | ⚪ | *1 |
| Smart Things | ✅ | ✅ | ✅ | ⚪ | ⚪ | *1 使用 Shelly Wave 边缘驱动程序 |
| Vera Ezlo | ✅ | ✅ | ✅ | ✅ | ✅ |
备注:*1 网关缺少电压(V)和电流(A)的占位符。
功能含义
| 功能 | 含义 / 测试情况 |
|---|---|
| 开/关 | 响应应用程序界面中的开/关指令 |
| 开/关(硬件) | 通过开关输入报告开/关状态变化 |
| 调光 | 响应应用程序界面的调光指令 |
| 调光(硬件) | 通过开关报告调光状态 |
| 瓦特(W) | 无需请求即上报瓦特数值 |
| 千瓦时(kWh) | 无需请求即上报千瓦时数值 |
| 上/下 | 响应应用程序界面的上下指令 |
| 上/下(硬件) | 通过开关报告上下状态 |
| 百叶窗叶片 | 响应应用程序界面的叶片指令 |
| 百叶窗叶片(硬件) | 通过开关报告叶片状态 |
| D 控制 | 在独立模式下报告场景命令(单击/双击等) |
| D 二进制 | 在独立模式下通过开关报告二进制开/关状态 |
| 传感器 # | 传感器在网关中报告;类型已注明 |
图例说明
| 符号 | 状态 |
|---|---|
| ✅ | 正常工作 / 可实现 |
| ⚪ | 无法工作 / 不可实现 |
| P | 部分实现 |
| N/T | 未测试 |
| TBD | 待完成 |
网关使用指南
更多实用指南请访问 Shelly 知识库