Shelly Plus 2PM UL

设备识别
- 设备名称:Shelly Plus 2PM UL
- 设备型号:SNSW-002P15UL
- 设备SSID:ShellyPlus2PM-XXXXXX
简要描述
Shelly Plus 2PM UL 是一款经过美国保险商实验室(UL)认证的小型双通道智能开关,具备电源测量和盖板控制功能,可通过手机、平板电脑、PC 或家庭自动化系统远程控制电器。该设备可在本地 Wi-Fi 网络中独立运行,也可通过云端家庭自动化服务进行操作。
只要设备连接至 Wi-Fi 路由器并接入互联网,用户即可在任何有网络连接的地方远程访问、控制和监控该设备。
该设备可安装于标准电气墙盒内,或安装在插座后方、开关背后,以及其他空间有限的位置。
Shelly Plus 2PM UL 内置 Web 界面,可用于监控和控制设备,并调整其各项设置。
主要应用场景
- 住宅
- 多户单元(公寓、联排别墅、酒店等)
- 轻型商业场所(小型办公楼、小型零售店/餐厅/加油站等)
- 政府/市政机构
- 大学/学院
兼容集成
支持 Amazon Alexa 的功能
- 是
支持 Google Smart Home 的特性
- 是
支持 Samsung SmartThings 的功能
- 是
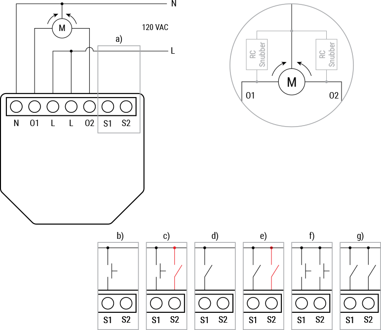
简化内部原理图

设备电气接口
输入端口
- 两个接线端子上的开关/按钮输入:S1 和 S2
- 三个接线端子上的电源输入:1 N (+) 与 2 L (Ʇ)
输出端口
- 两个带电源测量功能的继电器输出,通过接线端子连接
扩展接口
- Shelly 专有串行接口

⚠ 注意! 当设备通电时,扩展接口存在高压!
连接方式
- Wi-Fi
- 蓝牙
安全特性
- 过热保护
- 过压保护
- 过流保护
- 过功率保护
- 障碍物检测(盖板模式)
- 安全开关(盖板模式)
支持的负载类型
- 阻性负载(白炽灯泡、加热设备)
- 容性负载(电容器组、电子设备、电机启动电容)
- 带 RC 吸收电路的感性负载(LED 灯驱动器、变压器、风扇、冰箱、空调)
用户界面
输入
- 一个(复位)按钮
- 按住 5 秒以启用设备热点及蓝牙连接。
- 按住 10 秒以恢复出厂设置。
输出
- 单色 LED 指示灯
- 启用热点且未连接 Wi-Fi:1 秒亮 / 1 秒灭
- 已启用 Wi-Fi 但未连接到无线网络:1 秒亮 / 3 秒灭
- 已连接到 Wi-Fi 网络:持续常亮
- 已启用云服务但未连接:1 秒亮 / 5 秒灭
- 已连接至 Shelly Cloud:持续常亮
- 正在进行空中升级(OTA):0.5 秒亮 / 0.5 秒灭
- 按住按钮 5 秒:0.5 秒亮 / 0.5 秒灭
- 按住按钮 10 秒:0.25 秒亮 / 0.25 秒灭
上述状态按初始设备状态顺序列出,优先级最低。后续状态将覆盖前一状态。
规格参数
| 类别 | 参数值 |
|---|---|
| 物理特性 | |
| 尺寸(高×宽×深) | 37×42×16 毫米 / 1.46×1.65×0.63 英寸 |
| 重量 | — |
| 安装方式 | 嵌入式安装 |
| 接线端子最大扭矩 | 0.25 牛·米 / 2.2 磅·英寸 |
| 导线截面积 | 1.0 至 2.5 平方毫米 / 20 至 14 AWG |
| 导线剥线长度 | 5 至 6 毫米 / 0.20 至 0.24 英寸 |
| 外壳材质 | 塑料 |
| 颜色 | 黑色 |
| 环境条件 | |
| 环境温度 | -20 °C 至 40 °C / -5 °F 至 105 °F |
| 湿度 | 30 % 至 70 % 相对湿度 |
| 最大海拔高度 | 2000 米 / 6562 英尺 |
| 电气性能 | |
| 供电电压 | 120 VAC,50/60 Hz |
| 功耗 | < 1.4 瓦 |
| 输出电路额定值 | |
| 最大切换电压(交流) | 120 伏 |
| 最大切换电压(直流) | 不适用 |
| 最大切换电流(交流) | 每通道 8 安培,总计 16 安培 |
| 最大切换电流(直流) | 不适用 |
| 传感器与仪表 | |
| 内置温度传感器 | 是 |
| 电压表(交流) | 是 |
| 电流表(交流) | 是 |
| 无线通信 | |
| 射频频段 | 2400 - 2495 兆赫 |
| 最大射频功率 | <20 dBm |
| Wi-Fi 协议 | 802.11 b/g/n |
| Wi-Fi 有效范围 | 室内最远 30 米 / 100 英尺,室外最远 50 米 / 160 英尺 (具体取决于本地环境) |
| 蓝牙协议 | 4.2 |
| 蓝牙有效范围 | 室内最远 10 米 / 33 英尺,室外最远 30 米 / 100 英尺 (具体取决于本地环境) |
| 微控制器 | |
| 处理器 | ESP32-U4WDH |
| 闪存容量 | 4 兆字节 |
| 固件功能 | |
| 定时任务 | 20 个 |
| Webhooks(URL 操作) | 20 个,每个支持最多 5 个 URL |
| 脚本功能 | 支持 |
| MQTT | 支持 |
| CoAP | 不支持 |
基础接线图
| 双通道开关模式,交流供电 | 盖板模式 |
|---|---|
![]() | ![]() |
图例说明
| 接线端子 | 描述 | 导线 | 描述 |
|---|---|---|---|
| N | 中性线端子 | N | 中性线 |
| L | 火线(120 VAC)端子 | L | 火线(120 VAC) |
| O1, O2 | 负载电路输出端子 | — | — |
| S1, S2 | 开关输入端子 | — | — |
故障排除
...
Web 界面使用指南
阅读 Shelly Plus 2PM、Plus 2PM UL 的 Web 界面使用指南

