
设备识别
- 设备名称: Shelly 2.5
- 设备型号: SHSW-25
- 设备SSID: shellyswitch25-XXXXXX
简要描述
Shelly 2.5 是一款小巧的双通道智能开关,具备功率测量和盖板控制功能,可通过手机、平板电脑、PC 或家庭自动化系统远程控制电器。该设备可在本地 Wi-Fi 网络中独立运行,也可通过云家庭自动化服务进行操作。
只要设备连接到 Wi-Fi 路由器并接入互联网,用户即可在任何有网络连接的地方远程访问、控制和监控 Shelly 2.5。
它可安装于标准电气墙盒内,或在插座、开关后方及空间有限的位置进行改造安装。
Shelly 2.5 内置网页界面,可用于监控和控制设备,并调整其设置。
主要应用场景
- 住宅
- 多住户单元(公寓、联排别墅、酒店等)
- 轻型商业(小型办公建筑、小型零售/餐厅/加油站等)
- 政府/市政机构
- 大学/学院
集成支持
- Samsung SmartThings
- Alexa
简化内部电路图

设备电气接口
输入端口
- 2 个螺丝端子开关/按钮输入
- 3 个螺丝端子电源输入:1 个 N(零线),2 个 L(火线)
输出端口
- 2 个继电器输出,带功率测量功能,接于螺丝端子
扩展接口
- Shelly 专用串行接口

⚠ 注意! 当设备通电时,扩展接口上存在高压!
连接方式
- Wi-Fi
- Bluetooth(用于配网)
安全特性
- 过热保护
- 过载保护
- 障碍物检测(盖板模式)
- 安全开关(盖板模式)
支持负载类型
- 阻性负载(白炽灯泡、加热设备)
- 容性负载(电容组、电子设备、电机启动电容)
- 感性负载(带 RC 吸收电路)(LED 灯驱动器、变压器、风扇、冰箱、空调)
用户界面
输入
- 一个(复位)按钮
- 按住 5 秒以启用设备热点模式。
- 按住 10 秒以恢复出厂设置。
输出
- 红色 LED 指示灯状态说明:
- 热点已启用,但未开启 Wi-Fi:1 秒亮 / ¼ 秒灭
- 已启用 Wi-Fi,但尚未连接网络:2 秒亮 / ¼ 秒灭
- 已连接至 Wi-Fi 网络:持续常亮
- 已启用云服务但未连接:1 秒亮 / 5 秒灭
- 已连接至 Shelly 云服务:持续常亮
- 正在进行空中升级(OTA):½ 秒亮 / ½ 秒灭
- 按钮按住 5 秒:¼ 秒亮 / ¼ 秒灭
- 按钮按住 10 秒:⅛ 秒亮 / ⅛ 秒灭
上述状态列表从设备初始状态开始,优先级最低。后续状态将覆盖前一状态。
规格参数
| 类别 | 参数值 |
|---|---|
| 物理特性 | |
| 尺寸(高×宽×深): | 36×39×17 ±0.5 毫米 / 1.42×1.54×0.67 ±0.02 英寸 |
| 重量: | |
| 安装方式: | 壁挂式底盒 |
| 螺丝端子最大扭矩: | 0.4 牛·米 / 3.5 英寸·磅 |
| 导线截面积: | 0.5 至 1.5 平方毫米 / 20 至 16 AWG |
| 导线剥线长度: | 5 至 6 毫米 / 0.20 至 0.24 英寸 |
| 外壳材质: | 塑料 |
| 颜色: | 黑色 |
| 环境条件 | |
| 环境温度: | -20 °C 至 40 °C / -5 °F 至 105 °F |
| 湿度: | 30% 至 70% 相对湿度 |
| 最大海拔高度: | 2000 米 / 6562 英尺 |
| 电气性能 | |
| 供电电压: | 110 - 240 VAC / 30 - 50 VDC |
| 功耗: | < 1 瓦 |
| 输出电路额定值 | |
| 最大交流开关电压: | 240 伏 |
| 最大直流开关电压: | 50 伏 |
| 最大交流开关电流(每通道): | 10 安培,总电流 20 安培 |
| 最大直流开关电流(每通道): | 10 安培,总电流 20 安培 |
| 传感器与仪表 | |
| 内置温度传感器: | 是 |
| 功率表(交流): | 是 |
| 无线通信 | |
| 射频频段: | 2401 - 2495 兆赫 |
| 最大射频功率: | <20 dBm |
| Wi-Fi 协议: | 802.11 b/g/n |
| Wi-Fi 传输距离: | 室内最远可达 30 米 / 100 英尺,室外最远可达 50 米 / 160 英尺 (具体取决于当地环境) |
| 微控制器 | |
| 处理器(CPU): | ESP8266 |
| 存储容量(Flash): | 2 MB |
| 固件功能 | |
| 定时任务: | 20 个 |
| Webhooks(URL 操作): | 12 个,每个支持最多 5 个 URL |
| 脚本支持: | 否 |
| MQTT: | 支持 |
| CoAP: | 支持 |
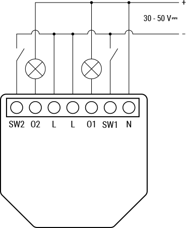
基础接线图
| 交流接线 | 直流接线 | 盖板模式接线 |
|---|---|---|
![]() | ![]() | ![]() |
图例说明
| 接线端子 | 描述 | 线缆标识 | 描述 |
|---|---|---|---|
| N | 零线端子 | N | 零线 |
| L | 火线端子(110–240 伏) | L | 火线(110 – 240 伏交流电) |
| O1, O2 | 负载输出端子 | + | 30 – 50 伏直流正极线 |
| SW1, SW2 | 按钮/开关输入端子 | - | 30 – 50 伏直流负极线 |
故障排查
...
网页界面使用指南
组件与 API 接口
打印版用户手册
下载打印版用户手册 – 英文、德语、意大利语、西班牙语、葡萄牙语、法语
合规认证
安装指南
项目案例
智能家居:卷帘窗、灯光、场景控制
本指南介绍如何使用 Amazon Alexa 配置并控制连接至 Shelly 2.5 的卷帘窗和环境照明。若您还配有 Shelly 门窗传感器,还可学习如何定义场景,根据时间与主门状态自动调节卷帘或灯光。
智能自然啤酒冷却器(配合惊艳效果,由 Shelly 智能设备控制)
使用排水管轻松打造专属天然啤酒冷却器。啤酒藏于地下自然降温,需要时由电动马达将其提升。这款智能啤酒冷却器由 Shelly Wi-Fi 开关控制,可通过 Siri 或 Alexa 操控。只需说一句:“Siri(或 Alexa),来杯啤酒”。
用户评价
We Smart
Csongor Varga
Shelly 2.5 – 双通道 Wi-Fi 继电器,支持卷帘窗模式


