
设备识别
- 设备名称: Shelly Plus Uni
- 设备型号: SNSN-0043X
- 设备SSID: ShellyPlusUni-XXXXXX
简要说明
Shelly Plus Uni(以下简称“设备”)是一款小型智能通用模块,具备两个无源触点的固态继电器、脉冲计数器、模拟输入以及两个数字输入。它可通过手机、平板电脑、PC或家庭自动化系统远程控制电气设备。该设备可在本地Wi-Fi网络下独立运行,也可通过基于云的家庭自动化服务进行控制。
只要设备连接到路由器并接入互联网,用户即可在任何具有网络连接的地方远程访问、控制和监控 Shelly Plus Uni。
Shelly Plus Uni 内置网页界面,可用于监控和控制设备,并调整其设置。
主要应用领域
- 住宅
- 多住户单元(公寓、公寓楼、酒店等)
- 轻型商业(小型办公楼、小型零售店/餐厅/加油站等)
- 政府/市政机构
- 大学/学院
集成支持
- Samsung SmartThings
- Alexa
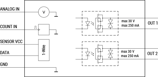
简化内部电路图

设备电气接口
电源输入
- 交流/直流电源 – VAC1 和 VAC2
- 直流电源 – +5 VDC 与 GND
输入接口
- 1 个模拟输入 – ANALOG IN
- 1 个 1-Wire 数据输入 – DATA
- 1 个脉冲计数器输入 – COUNT IN
- 2 个数字输入 – IN1 与 IN2
输出接口
- 1 个传感器供电输出 – SENSOR VCC
- 2 个无源触点固态继电器输出 – OUT1 与 OUT2
扩展接口
- Shelly 专有串行接口

连接方式
- Wi-Fi
- 蓝牙(用于配网)
安全特性
- PCB 涂覆保护膜
用户界面
输入
- 一个(复位)按钮
- 长按 5 秒:启用设备热点及蓝牙连接。
- 长按 10 秒:恢复出厂设置。
输出
- 单色 LED 指示灯
- 启用热点且未连接 Wi-Fi:1秒亮 / 1秒灭
- 已启用 Wi-Fi 但尚未连接网络:1秒亮 / 3秒灭
- 已连接到 Wi-Fi 网络:持续常亮
- 云服务已启用但未连接:1秒亮 / 5秒灭
- 已连接至 Shelly 云:持续常亮
- 正在进行空中升级(OTA):0.5秒亮 / 0.5秒灭
- 按住按钮5秒:0.5秒亮 / 0.5秒灭
- 按住按钮10秒:0.25秒亮 / 0.25秒灭
上述状态按初始状态顺序列出,优先级从低到高。每一种新状态将覆盖前一种状态。
技术规格
| 类别 | 参数值 |
|---|---|
| 物理参数 | |
| PCB 尺寸(长×宽×高) | 40×21×7 毫米 / 1.57×0.83×0.28 英寸 |
| 重量 | 8.5 克 / 0.3 盎司(含线缆) |
| 环境条件 | |
| 环境温度 | -20 °C 至 40 °C / -5 °F 至 105 °F |
| 湿度 | 30 % 至 70 % 相对湿度(RH) |
| 电气参数 | |
| 电源输入 | 8–24 VAC 9–28 VDC 5 VDC(稳压,通过 +5 VDC 与 GND 接入) |
| 功耗 | < 1 瓦 |
| 输入电路参数 | |
| 数字输入电阻 | 50 千欧姆 |
| 数字输入触发电压 | 1.5 伏(低电平有效) |
| 输出电路参数 | |
| 最大开关电压 | 30 伏 |
| 最大开关电流 | 300 毫安 |
| 传感器与仪表 | |
| 电压表量程 | 0–15 VDC / 0–30 VDC(双量程) |
| 电压表精度 | — |
| 脉冲计数输入触发电压 | 1.5 伏(低电平有效) |
| 脉冲计数最大频率 | 1 千赫兹 |
| 外部传感器支持 | 单个 DHT22,或最多五个 DS18B20 |
| 无线通信 | |
| 射频频段 | 2400 – 2495 兆赫 |
| 最大射频功率 | <20 分贝毫瓦 |
| Wi-Fi 协议 | 802.11 b/g/n |
| Wi-Fi 传输距离 | 室内最远 30 米 / 100 英尺,室外最远 50 米 / 160 英尺 (受当地环境影响) |
| 蓝牙协议 | 4.2 |
| 蓝牙传输距离 | 室内最远 10 米 / 33 英尺,室外最远 30 米 / 100 英尺 (受当地环境影响) |
| 微控制器 | |
| 处理器 | ESP32-U4WDH |
| 存储容量 | 4 兆字节 |
| 固件功能 | |
| 定时任务 | 20 个 |
| Webhooks(URL 操作) | 20 个,每个可配置最多 5 个 URL |
| 脚本支持 | 是 |
| MQTT 支持 | 是 |
| CoAP 支持 | 否 |
基础接线图
注意! Shelly Plus Uni 的输入端口与之前的 Shelly Uni 不同。

图例说明
| 端子 | 颜色 | 描述 |
|---|---|---|
| VAC1 | 红色 | 8–24 VAC / 9–28 VDC 电源输入 1 |
| VAC2 | 黑色 | 8–24 VAC / 9–28 VDC 电源输入 2 |
| ANALOG IN | 白色 | 模拟输入 |
| SENSOR VCC | 黄色 | 1-Wire 传感器供电输出 |
| DATA | 蓝色 | 1-Wire 数据线 |
| +5 VDC | 灰色 | 5 VDC 电源正极输入 |
| GND | 绿色 | 5 VDC 电源负极输入及传感器接地 |
| COUNT IN | 紫色 | 脉冲计数输入 |
| IN1 | 橙色 | 数字输入 1 |
| IN2 | 棕色 | 数字输入 2 |
| OUT1 | 黑色 | 固态继电器 1 接线端子 |
| OUT2 | 黑色 | 固态继电器 2 接线端子 |
故障排查
...
Web 界面使用指南
组件与 API
打印版用户手册
合规性文件
Shelly Plus Uni 多语言欧盟符合性声明 2025-07-21
Shelly Plus Uni 英国 PSTI ACT 符合性声明
安装指南
(目前暂无安装指南)