
下载
手册
合规性文件
Shelly 3EM 是什么?
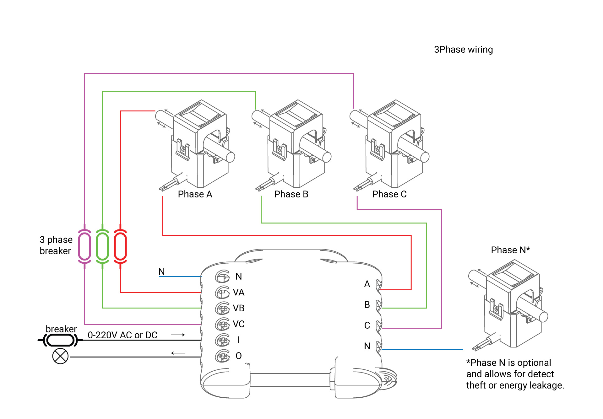
专业的三相电能表
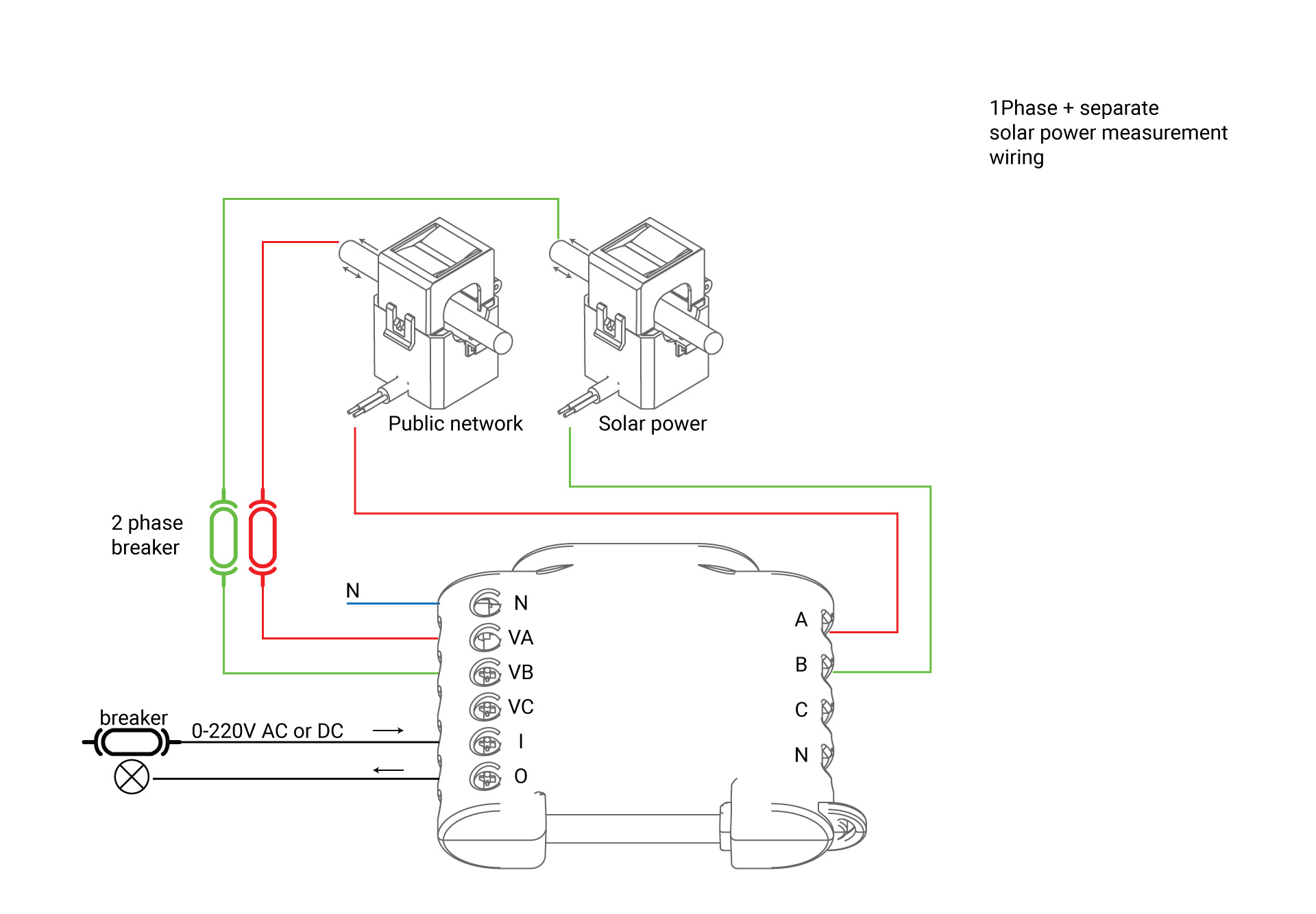
Shelly 3EM 可以计算双向电能:对三相中的每一相分别测量产生的电能和消耗的电能。该设备可配置为监测单相电力系统中的三个独立点,并分别对每个点进行测量。
主要功能
- 无需网关(HUB)。
- 支持宽电压范围。
- 防窃电保护。
- 过量用电及过量能耗保护。
- 可与其他所有 Shelly 设备集成使用。
- 兼容 Android、iOS、Amazon Alexa、Google Assistant,以及使用 MQTT、CoAP 和 REST API 的家庭自动化服务器。
- 轻松将您的 Arduino 项目接入自动化系统并投入使用。
规格参数
| 电源 | |
|---|---|
| 交流供电 | 110–230V ±10%,50/60Hz |
| 直流供电 | 不支持 |
| 特殊功能 | |
|---|---|
| 接触器控制 | 支持 – 最大 10A |
| 卷帘模式 | 不支持 |
| 设备温度保护 | 不支持 |
| 过载保护 | 不支持 |
| 电能测量 | 支持 |
| 特性 | |
|---|---|
| 包装内含 | 3 个 120A 电流互感器 |
| 通道数 | 3 通道 |
| 工作温度 | 0 至 +40 °C |
| 设备功耗 | < 1 W |
| 智能开关功能 | 支持 |
| 本地与远程控制 | 支持 |
| 日出/日落控制 | 支持 |
| 每周定时计划 | 支持 |
| UL 认证选项 | 不支持 |
| 连接性 | |
|---|---|
| 无线/WiFi 协议 | 802.11 b/g/n |
| 射频频率 | 2400 – 2500 MHz |
| 通信距离 | 室外最远可达 50 米,室内最远可达 30 米(取决于建筑材质) |
| 尺寸 | |
|---|---|
| 尺寸 | 73 毫米 × 57 毫米 × 22 毫米 |
接线图




应用场景
优化能源使用
是否希望实现可持续生活,节省能源、金钱和二氧化碳排放?通过 Shelly 3EM,您可以监控每条电路、每个电器或整个家庭的用电情况,从而优化能源使用。如果您安装了太阳能板或风力发电机,还可以实时了解发电量,并轻松实现节能目标。
详尽的电力消耗信息
借助 Shelly 3EM,您能够查看电力网络的质量,包括有功功率、无功功率、电压和功率因数等数据。通过持续监控您的设施或住宅用电情况,避免额外费用,防止因电力波动导致设备或机器损坏。