
简要说明
Shelly Bypass for 1L/2L 是为 Shelly 1L 或 2L Gen3 设备在无中性线情况下于 240 V~, 50 Hz 电压下正常工作而设计的。
兼容性:
适用于 Shelly 1L Gen3 和 Shelly 2L Gen3。
主要特点
- 非常适合改造安装:该设备可直接安装在灯具后方,空间有限时依然适用。它连接至中性线和火线。
- 无需其他 Shelly 设备的最小负载要求:作为旁路装置,确保在无中性线的安装环境中,Shelly 1L 及 2L Gen3 能够正常运行。
- 广泛兼容性:经过设计与测试,确保与多种灯具的良好兼容性。
主要应用场景
- 住宅
- 多住户单元(公寓、联排别墅、酒店等)
- 小型商业场所(小型办公楼、小型零售店/餐厅/加油站等)
- 政府及市政设施
- 大学/学院
设备电气接口
输入
- 两根电缆输入端子:
- O(来自 Shelly 1L/2L Gen3 的输出)
- N(中性线)
规格参数
| 数量 | 值 |
|---|---|
| 物理特性 | |
| 尺寸(高×宽×深) | 39 × 23 × 13 毫米 / 1.54 × 0.91 × 0.51 英寸(不含导线) |
| 重量 | 8 克 / 0.28 盎 |
| 导线截面积 | 0.2 平方毫米 / 24 AWG 绞合线 |
| 导线剥线长度 | 0.5 毫米 / 0.02 英寸 |
| 电缆长度 | 65 ± 5 毫米 / 2.56 ± 0.2 英寸 |
| 安装方式 | 内置于灯具内部 |
| 外壳材质 | 塑料 |
| 外壳颜色 | 青绿色 |
| 电缆颜色 | 黑色 |
| 环境条件 | |
| 工作环境温度 | -20° C 至 70° C / -5° F 至 158° F |
| 湿度 | 30 % 至 70 % 相对湿度 |
| 最大海拔高度 | 2000 米 / 6562 英尺 |
| 电气参数 | |
| 供电电压 | 240 V~, 50 Hz |
| 功耗 | < 4 W |
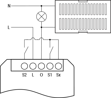
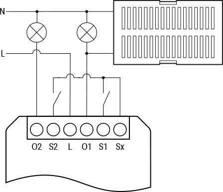
基本接线图


| 端子 | 描述 | 电线 | 描述 |
|---|---|---|---|
| L | 火线(220–240 V~)端子 | L | 火线(220–240 V~) |
| O, O1, O2 | 负载电路输出端子 | N | 中性线 |
| S1, S2 | 开关输入端子 | ||
| Sx | 开关信号输出端子 |
合规性声明
Shelly Bypass for 1L-2L Gen3 多语言欧盟符合性声明
打印用户手册
Shelly Bypass for 1L-2L 多语言打印版用户及安全指南
安装指南
目前暂无符合所选标签的内容。