Shelly 2L Gen3

设备识别信息
- 设备名称: Shelly 2L Gen3
- 设备型号: S3SW-0A2X4EUL
- 设备SSID: Shelly2LG3-XXXXXXXXXXXX
- 设备蓝牙ID: 0x1013
简要说明
Shelly 2L Gen3 是一款紧凑型双通道智能开关,专为精准照明控制而设计。其显著特点在于无需中性线即可运行——但第一通道的负载必须并联连接一个 Shelly Bypass 1L/2L Gen3 模块。
该设备可通过智能手机、平板电脑、电脑或集成的家庭自动化系统轻松控制照明配置。它既可独立在本地 Wi-Fi 网络上运行,也可与基于云的家庭自动化服务集成。只要设备持续连接到路由器和互联网,用户即可随时随地访问、控制和监控照明设置。
设计上注重空间效率,Shelly 2L Gen3 可紧密安装于标准电气墙盒内、灯开关后方或狭小空间中。其内置的 Web 界面支持便捷地监控、控制和精细调整设备参数。
注意: 此设备支持 Matter 协议,可通过固件更新获得该功能。
主要特性
- 完美适用于改造项目! 无需中性线。仅通过火线即可供电并控制灯具或电器。
- 双通道设计! 可独立控制两个不同的灯具或设备。
- 最低灯泡功率要求: 必须安装一个 Shelly Bypass 1L/2L Gen3 模块在灯具旁,以实现对大于 5W 的灯泡进行控制。
- Wi-Fi 连接: 可连接家庭 Wi-Fi 网络,通过 Shelly 应用程序或其他智能家居平台实现远程控制。
- 远程控制: 通过互联网连接,可在任何地方使用 Shelly 应用程序远程操控设备。
- 语音控制: 兼容 Amazon Alexa 和 Google Assistant,支持语音指令。
- 定时与自动化: 支持定时器和场景设置(例如,设定灯光在特定时间开启或关闭)。
- 兼容性:
- 经过设计与测试,兼容多种灯具类型。
- 适用于 220–240 VAC 电压范围。
- 紧凑设计: 可轻松安装于标准电气盒及开关背后。
- 保护功能: 内置温度传感器,具备过热保护机制。
- 本地与远程访问: 支持在同一局域网内本地控制,也支持通过互联网远程访问。
- 固件空中升级(OTA): 可接收无线固件更新,提升功能与安全性。
- 智能家居生态系统兼容: 支持 MQTT、Home Assistant 等主流平台,便于灵活集成至各类智能家庭系统。
主要应用场景
- 住宅
- 多户单元(公寓、复式住宅、酒店等)
- 轻型商业场所(小型办公室、零售店、餐厅、加油站等)
- 政府/市政设施
- 大学/学院
集成支持
亚马逊 Alexa 支持功能
- 开关切换控制器(Toggle Controller)
Google Smart Home 支持属性
- 开关状态(On Off)
三星 SmartThings 支持功能
- 开关控制(Switch)
简化内部电路图

设备电气接口
输入端口
- 两个螺丝端子上的开关/按钮输入:S1、S2
- 一个螺丝端子上的电源输入:L
输出端口
- 一个螺丝端子上的开关/按钮信号输出:Sx
- 两个螺丝端子上的继电器输出:O1、O2
连接方式
- Wi-Fi
- 蓝牙
安全功能
- 过热保护
支持的负载类型
输出 1:
- 白炽灯 *
- LED 灯 *
* 不包括带降压变压器的低压灯具
输出 2:
- 白炽灯
- LED 灯
- 荧光灯
- 电风扇
用户界面
输入操作
- 一个(控制)按钮
- 长按 5 秒:启用设备热点并开启蓝牙连接。
- 长按 10 秒:恢复出厂设置。
输出指示
- 单色 LED 指示灯状态:
- 启用热点,未连接 Wi-Fi:1秒亮 / 1秒灭
- 已启用 Wi-Fi 但未连接:1秒亮 / 3秒灭
- 已连接到 Wi-Fi 网络:常亮
- 已启用云端但未连接:1秒亮 / 5秒灭
- 已连接至 Shelly 云服务:常亮
- 正在进行 OTA 升级:0.5秒亮 / 0.5秒灭
- 按住按钮 5 秒:0.5秒亮 / 0.5秒灭
- 按住按钮 10 秒:0.25秒亮 / 0.25秒灭
注:列表从初始状态开始,优先级最低。后续状态将覆盖前一状态。
技术规格
| 项目 | 参数 |
|---|---|
| 物理参数 | |
| 尺寸(高×宽×深) | 37 × 42 × 16 ±0.5 mm / 1.46 × 1.65 × 0.63 ±0.02 in |
| 重量 | 28 克 / 1 盎司 |
| 螺丝端子最大扭矩 | 0.4 牛·米 / 3.5 英磅·英寸 |
| 导线截面积 | 0.5 至 4 毫米² / 20 至 11 AWG(单股、多股、护套端子) |
| 导线剥线长度 | 6 至 7 毫米 / 0.24 至 0.24 英寸 |
| 安装方式 | 嵌入式墙装 |
| 外壳材质 | 塑料 |
| 外壳颜色 | 青绿色 |
| 端子颜色 | 黑色 |
| 环境参数 | |
| 工作环境温度 | -20 °C 至 40 °C / -5 °F 至 105 °F |
| 存储温度 | 10 °C 至 40 °C |
| 湿度 | 30 % 至 70 % 相对湿度 |
| 最大海拔高度 | 2000 米 / 6562 英尺 |
| 电气参数 | |
| 电源输入 | 220–240 V~, 50 Hz(O1 通道负载需配备 Shelly Bypass) |
| 是否包含 Shelly Bypass | 是 |
| 功耗 | < 1.2 瓦 |
| 无需中性线 | 是(O1 通道负载需配备 Shelly Bypass) |
| 无中性线且无 Bypass 时最小负载 | 不适用(O1 通道的 LED 灯需使用 Bypass;白炽灯无需) |
| 输出电路额定值 | |
| 最大切换电压 | 240 V~ |
| 最大切换功率 | |
| - O1 | 200 瓦 |
| - O2 | 700 瓦 |
| 传感器与仪表 | |
| 内置温度传感器 | 是 |
| 无线通信 | |
| Wi-Fi 协议 | 802.11 b/g/n |
| 射频频段 | 2401 – 2495 MHz |
| 最大射频功率 | < 20 dBm |
| 传输距离 | 室内最高 30 米 / 100 英尺,室外最高 50 米 / 160 英尺 (受当地环境影响) |
| 蓝牙 | |
| 协议版本 | 4.2 |
| 射频频段 | 2400 – 2483.5 MHz |
| 最大射频功率 | < 4 dBm |
| 传输距离 | 室内最高 10 米 / 33 英尺,室外最高 30 米 / 100 英尺 (受当地环境影响) |
| 微控制器 | |
| 处理器 | ESP-Shelly-C38F |
| 时钟频率 | 160 MHz |
| 内存(RAM) | 512 KB |
| 闪存(Flash) | 8 MB |
| 固件功能 | |
| 定时任务 | 20 个 |
| Webhooks(URL 操作) | 20 个,每个可配置最多 5 个 URL |
| 脚本支持 | 支持 |
| MQTT 协议 | 支持 |
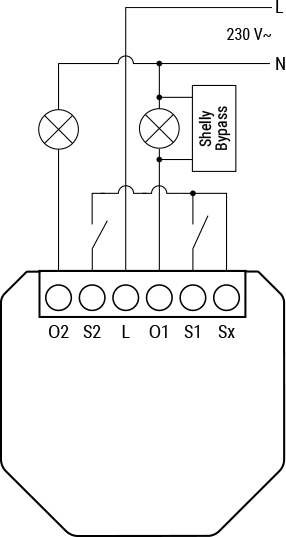
基础接线图

图例说明
| 端子 | 描述 | 线缆 | 描述 |
|---|---|---|---|
| S1 | 开关输入端子 1 | L | 火线(220–240 V~) |
| S2 | 开关输入端子 2 | N | 零线 |
| Sx | 开关信号输出端子 | ||
| L | 火线(220–240 V~)端子 | ||
| O1 | 负载电路输出端子 1 | ||
| O2 | 负载电路输出端子 2 |
Shelly 智能控制
故障排查
...
组件与 API
合规性认证
打印版用户手册
安装指南
按标签筛选
当前暂无带有指定标签的条目。