设备识别
错误渲染宏 'excerpt-include':用户
'712020:515aa595-e304-41f3-886a-d9b6b0b7f5a3'无权查看页面'DEV:Wave Devices Images'。
术语解释
- 设备 – 在本文档中,“设备”一词指代本指南所讨论的 Shelly Qubino 设备。
- 网关(GW) – Z-Wave™ 网关,也称为 Z-Wave™ 控制器、Z-Wave™ 主控制器、Z-Wave™ 主控设备或 Z-Wave™ 中心等,是作为 Z-Wave™ 智能家居网络中心枢纽的设备。本文档中使用“网关”一词。
- S 按钮 – Z-Wave™ 服务按钮,位于 Z-Wave™ 设备上,用于执行多种功能,如添加(包含)、移除(排除)以及将设备重置为出厂默认设置。本文档中使用“S 按钮”一词。
- 添加/包含 – 将一个 Z-Wave 设备添加到 Z-Wave 网络(即网关)的过程。在此过程中使用“已包含”、“已添加”等词汇。
- 移除/排除 – 将一个 Z-Wave 设备从 Z-Wave 网络(即网关)中移除的过程。在此过程中使用“已排除”、“已移除”等词汇。
简要说明
错误渲染宏 'excerpt-include':用户
'712020:515aa595-e304-41f3-886a-d9b6b0b7f5a3'无权查看页面'DEV:About the Device'。
连接至输入端子 SW(SW1)的开关/按钮
如果将 SW(SW1)配置为开关(默认状态),每次切换开关都会使输出端口 O(O1)的状态反转——开、关、开,依此类推。如果在设备设置中将 SW(SW1)配置为按钮,则每次按下按钮都会使输出端口 O(O1)的状态反转——开、关、开,依此类推。
连接至输入端子 SW(SW1)的开关
如果将 SW(SW1)配置为开关(默认状态),每次切换开关都会使输出端口 O(O1)的状态反转——开、关、开,依此类推。
- 改变开关位置一次:将输出端口 O(O1)的状态切换为相反状态,并向关联组 2 和 3 中的关联设备发送命令(请参阅章节:Z-Wave 关联)。
连接至输入端子 SW(SW1)的带记忆开关
如果将 SW(SW1)配置为带记忆开关,则:
- 闭合记忆触点:将输出端口 O(O1)的状态设为开启,并向关联组 2 和 3 中的关联设备发送命令(请参阅章节:Z-Wave 关联)。
- 断开记忆触点:将输出端口 O(O1)的状态设为关闭,并向关联组 2 和 3 中的关联设备发送命令(请参阅章节:Z-Wave 关联)。
连接至输入端子 SW(SW1)的按钮
如果在设备设置中将 SW(SW1)配置为按钮,则每次按下按钮都会使输出端口 O(O1)的状态反转——开、关、开,依此类推。
- 短按:将输出端口 O(O1)的状态切换为相反状态,并向关联组 2 和 3 中的关联设备发送命令(请参阅章节:Z-Wave 关联)。
- 长按:向关联组 3 中的关联设备发送命令(请参阅章节:Z-Wave 关联)。
- 松开:向关联组 3 中的关联设备发送命令(请参阅章节:Z-Wave 关联)。
连接至输入端子 SW2 的开关/按钮
如果将 SW2 配置为开关(默认状态),每次切换开关都会使输出端口 O2 状态反转——开、关、开,依此类推。如果在设备设置中将 SW2 配置为按钮,则每次按下按钮都会使输出端口 O2 状态反转——开、关、开,依此类推。
连接至输入端子 SW2 的开关
如果将 SW2 配置为开关(默认状态),每次切换开关都会使输出端口 O2 状态反转——开、关、开,依此类推。
- 改变开关位置一次:将输出端口 O2 的状态切换为相反状态,并向关联组 4 和 5 中的关联设备发送命令(请参阅章节:Z-Wave 关联)。
连接至输入端子 SW2 的带记忆开关
如果将 SW2 配置为带记忆开关,则:
- 闭合记忆触点:将输出端口 O2 的状态设为开启,并向关联组 4 和 5 中的关联设备发送命令(请参阅章节:Z-Wave 关联)。
- 断开记忆触点:将输出端口 O2 的状态设为关闭,并向关联组 4 和 5 中的关联设备发送命令(请参阅章节:Z-Wave 关联)。
连接至输入端子 SW2 的按钮
如果在设备设置中将 SW2 配置为按钮,则每次按下按钮都会使输出端口 O2 的状态反转——开、关、开,依此类推。
- 短按:将输出端口 O2 的状态切换为相反状态,并向关联组 4 和 5 中的关联设备发送命令(请参阅章节:Z-Wave 关联)。
- 长按:向关联组 4 中的关联设备发送命令(请参阅章节:Z-Wave 关联)。
- 松开:向关联组 5 中的关联设备发送命令(请参阅章节:Z-Wave 关联)。
连接至输入端子 SW3 的开关/按钮
如果将 SW3 配置为开关(默认状态),每次切换开关都会使输出端口 O3 状态反转——开、关、开,依此类推。如果在设备设置中将 SW3 配置为按钮,则每次按下按钮都会使输出端口 O3 状态反转——开、关、开,依此类推。
连接至输入端子 SW3 的开关
如果将 SW3 配置为开关(默认状态),每次切换开关都会使输出端口 O3 状态反转——开、关、开,依此类推。
- 改变开关位置一次:将输出端口 O3 的状态切换为相反状态,并向关联组 6 和 7 中的关联设备发送命令(请参阅章节:Z-Wave 关联)。
连接至输入端子 SW3 的带记忆开关
如果将 SW3 配置为带记忆开关,则:
- 闭合记忆触点:将输出端口 O3 的状态设为开启,并向关联组 6 和 7 中的关联设备发送命令(请参阅章节:Z-Wave 关联)。
- 断开记忆触点:将输出端口 O3 的状态设为关闭,并向关联组 6 和 7 中的关联设备发送命令(请参阅章节:Z-Wave 关联)。
连接至输入端子 SW3 的按钮
如果在设备设置中将 SW3 配置为按钮,则每次按下按钮都会使输出端口 O3 的状态反转——开、关、开,依此类推。
- 短按:将输出端口 O3 的状态切换为相反状态,并向关联组 6 和 7 中的关联设备发送命令(请参阅章节:Z-Wave 关联)。
- 长按:向关联组 6 中的关联设备发送命令(请参阅章节:Z-Wave 关联)。
- 松开:向关联组 7 中的关联设备发送命令(请参阅章节:Z-Wave 关联)。
主要应用领域
- 住宅
- 多户住宅(公寓、公寓楼、酒店等)
- 轻型商业(小型办公楼、小型零售店/餐厅/加油站等)
- 政府/市政
- 大学/学院
- 农业
集成支持
Shelly Qubino Wave 设备基于 全球领先的智能家居技术——Z-Wave 开发。
这意味着 Shelly Qubino Wave 可与所有 经过认证 的、支持 Z-Wave 通信协议的网关兼容。
为确保您的网关能够支持 Shelly Qubino Wave 产品的全部功能,我们定期对不同型号的 Z-Wave 网关进行兼容性测试。
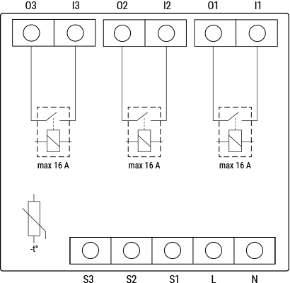
简化内部原理图

设备电气接口
错误渲染宏 'excerpt-include':用户
'712020:515aa595-e304-41f3-886a-d9b6b0b7f5a3'无权查看页面'DEV:Device electrical interfaces'。
输入端口
错误渲染宏 'excerpt-include':用户
'712020:515aa595-e304-41f3-886a-d9b6b0b7f5a3'无权查看页面'DEV:Device electrical interfaces'。
错误渲染宏 'excerpt-include':用户
'712020:515aa595-e304-41f3-886a-d9b6b0b7f5a3'无权查看页面'DEV:Device electrical interfaces'。
错误渲染宏 'excerpt-include':用户
'712020:515aa595-e304-41f3-886a-d9b6b0b7f5a3'无权查看页面'DEV:Device electrical interfaces'。
输出端口
错误渲染宏 'excerpt-include':用户
'712020:515aa595-e304-41f3-886a-d9b6b0b7f5a3'无权查看页面'DEV:Device electrical interfaces'。
连接方式
Z-Wave – 不安全、S0 安全、S2 未认证安全、S2 认证安全
安全特性
过热保护
支持的负载类型
错误渲染宏 'excerpt-include':用户
'712020:515aa595-e304-41f3-886a-d9b6b0b7f5a3'无权查看页面'DEV:Supported load types'。
错误渲染宏 'excerpt-include':用户
'712020:515aa595-e304-41f3-886a-d9b6b0b7f5a3'无权查看页面'DEV:Supported load types'。
错误渲染宏 'excerpt-include':用户
'712020:515aa595-e304-41f3-886a-d9b6b0b7f5a3'无权查看页面'DEV:Supported load types'。
用户界面
无法渲染
{include}
找不到包含的页面。
LED 信号指示
点击查看 LED 信号指示
已移除/已排除
每次上电后或按下 S 按钮后,LED 会在模式 1 下以 蓝色 快速闪烁,持续 10 分钟。

已添加/已包含
每次上电后或按下 S 按钮后,LED 会在模式 1 下以 绿色 快速闪烁,持续 10 分钟。

设置进行中
出厂重置并重启
在出厂重置期间,LED 将短暂亮起 绿色 约 1 秒,然后 蓝色 和 红色 LED 会以 0.1 秒开、0.1 秒关的方式闪烁约 2 秒。
添加/移除过程
在添加或移除过程中,LED 会在模式 2 下以 蓝色 闪烁。

OTA 固件更新
在 OTA 更新过程中,LED 会在模式 2 下以 蓝色和红色 交替闪烁。

检查电源供应 230 V AC 频率或 24 V DC 电压
在检查电源时,LED 会在模式 5 下以 蓝色和红色 交替闪烁。

使用 S 按钮进入设置模式
添加/移除菜单被选中
当菜单被选中时,LED 会持续亮起 蓝色,最长不超过 10 秒。
添加/移除菜单 —— 按住 S 按钮 —— 正在执行添加/移除过程
当菜单正在执行时,LED 会在模式 3 下以 蓝色 闪烁。

出厂重置菜单被选中
当菜单被选中时,LED 会持续亮起 红色,最长不超过 10 秒。
出厂重置 —— 按住 S 按钮 —— 正在执行重置过程
当菜单正在执行时,LED 会在模式 3 下以 红色 闪烁。

报警模式
检测到过热
LED 会在模式 4 下以 红色 闪烁:2次 —— 0.2秒开,0.2秒关,0.2秒开,0.2秒关,2秒关,重复该序列。

LED 闪烁模式
点击查看 LED 闪烁模式
错误渲染宏 'excerpt-include':用户
'712020:515aa595-e304-41f3-886a-d9b6b0b7f5a3'无权查看页面'DEV:LED_Signalization'。
规格参数
错误渲染宏 'excerpt-include':用户
'712020:515aa595-e304-41f3-886a-d9b6b0b7f5a3'无权查看页面'DEV:Technical Specifications'。
基础接线图
点击查看接线图
> 错误渲染宏 'excerpt-include':用户 '712020:515aa595-e304-41f3-886a-d9b6b0b7f5a3' 无权查看页面 'DEV:Wiring diagrams' | > 错误渲染宏 'excerpt-include':用户 '712020:515aa595-e304-41f3-886a-d9b6b0b7f5a3' 无权查看页面 'DEV:Wiring diagrams' |
> 错误渲染宏 'excerpt-include':用户 '712020:515aa595-e304-41f3-886a-d9b6b0b7f5a3' 无权查看页面 'DEV:Wiring diagrams' | > 错误渲染宏 'excerpt-include':用户 '712020:515aa595-e304-41f3-886a-d9b6b0b7f5a3' 无权查看页面 'DEV:Wiring diagrams' |
图例
无法渲染
{include}
找不到包含的页面。
关于 Z-Wave®
将设备添加或移除至 Z-Wave® 网络
点击查看如何添加、移除和重置设备
无法渲染
{include}
找不到包含的页面。
Z-Wave® 安全性与设备特定密钥(DSK)
点击了解安全性与 DSK
该设备支持最新的安全 2(S2)功能。S2 采用强 AES 128 加密协议,意味着 S2 使 Z-Wave® 成为目前最安全的物联网(IoT)安全平台之一。为充分使用产品及其 S2 安全功能,必须使用支持 S2 的 Z-Wave® 网关。
认证控制
- 包含时使用带外(OOB)DSK
- 可被大多数实现方案使用
该设备还支持安全 2 的认证、非认证及不安全包含。
注意! 当通过支持 S2 的网关将设备加入 Z-Wave® 网络时,需要提供 Z-Wave® 设备特定密钥(DSK)的 PIN 码。唯一的 DSK 密钥印在设备侧面的 DSK 标签上,且包装内附有一份副本,务必妥善保管。切勿撕下产品上的 DSK 标签。作为备份措施,请使用包装内的标签。

密钥的前五位数字以高亮或下划线标出,帮助用户识别 DSK 文本中的 PIN 码部分。此外,DSK 还以二维码形式呈现,如图所示。
DSK 标签与二维码(示例)
请求加入 S2 访问控制类或 S2 认证类的节点,将在通过射频传输其公钥之前,将字节 1~2 设置为零(0x00)以隐藏其公钥。
DSK 可用于带外(OOB)认证。
- 包含网关可使用二维码扫描设备读取加入设备的完整 DSK,然后与通过射频接收的模糊公钥进行匹配。
Z-Wave® 参数
点击查看 Z-Wave® 参数
无法渲染
{include}
找不到包含的页面。
Z-Wave® 命令类
点击查看 Z-Wave® 命令类
无法渲染
{include}
找不到包含的页面。
Z-Wave® 通知命令类
点击查看 Z-Wave® 通知命令类
无法渲染
{include}
找不到包含的页面。
Z-Wave® 关联
点击查看 Z-Wave® 关联
无法渲染
{include}
找不到包含的页面。
Z-Wave® 重要免责声明
Z-Wave® 无线通信并非始终 100% 可靠。本设备不应用于生命或贵重物品完全依赖其正常运行的场景。若设备未被网关识别或显示异常,可能需要手动更改设备类型,并确保您的网关支持 Z-Wave Plus™ 多级设备。
故障排除
有关故障排除,请访问我们的支持门户:支持
兼容性
| Wave Pro 3 | 功能 - 报告 |
|---|---|
| 网关 | 开/关 1,开/关 2,开/关 3,SW 开/关 1,SW 开/关 2,SW 开/关 3,备注 |
| 网关 | 开/关 1 | 开/关 2 | 开/关 3 | SW 开/关 1 | SW 开/关 2 | SW 开/关 3 | 备注 |
|---|---|---|---|---|---|---|---|
| Home Assistant | ✅ | ✅ | ✅ | ✅ | ✅ | ✅ | |
| Fibaro - HC 3 / Wave engine 3 | ✅ | ✅ | ✅ | ✅ | ✅ | ✅ | |
| Homey | ✅ | ✅ | ✅ | ✅ | ✅ | ✅ | *H |
| Homee Gen 7 | ✅ | ✅ | ✅ | ✅ | ✅ | ✅ | |
| Homee Gen 5 | 待定 (TBD) | 待定 (TBD) | 待定 (TBD) | 待定 (TBD) | 待定 (TBD) | 待定 (TBD) | *1, *2 |
| Smart Things | 待定 (TBD) | 待定 (TBD) | 待定 (TBD) | 待定 (TBD) | 待定 (TBD) | 待定 (TBD) | 使用 Shelly Wave 边缘驱动程序 |
| Vera Ezlo | ✅ | ✅ | ✅ | ✅ | ✅ | ✅ | |
| Cozify | ✅ | ✅ | ✅ | ✅ | ✅ | ✅ |
备注
- *H:报告问题可通过此解决方案解决。
功能含义 / 测试情况
| 功能 | 含义 / 测试情况 |
|---|---|
| 开/关 | 设备是否响应应用程序界面的开/关命令 |
| SW 开/关 | 设备是否报告由 SW 输入引起的开/关状态变化 |
| 调光 | 设备是否响应应用程序界面的调光命令 |
| SW 调光 | 设备是否报告由 SW 输入引起的调光状态变化 |
| 瓦特 (Watts) | 是否报告瓦特值(非请求) |
| 千瓦时 (kWh) | 是否报告千瓦时值(非请求) |
| 上/下 | 设备是否响应应用程序界面的上/下命令 |
| SW 上/下 | 设备是否报告由 SW 输入引起的上/下状态变化 |
| 百叶窗角度 | 百叶窗是否响应应用程序界面的指令 |
| SW 百叶窗角度 | 百叶窗是否报告由 SW 引起的变化 |
| D 控制 | 独立模式:设备是否报告场景命令(单击、双击等) |
| D 二进制 | 独立模式:设备是否报告由 SW 输入触发的二进制开/关状态 |
| 传感器 # | 传感器是否在网关中报告?传感器类型见备注 |
图例
| 符号 | 状态 |
|---|---|
| 正常工作 / 可行 | |
| 无法工作 / 不可行 | |
| P | 部分支持 |
| N/T | 未测试 |
| TBD | 待完成 |
网关指南
您可在 Z-Wave Shelly 知识库 中找到有用的网关指南。